Tube Couleur Rarissime : Indextron à Indexation de Faisceau

Bonjour à Tous,

Ce TV Sony KVX-370 « Indextron » vient d’intégrer ma collection de téléviseurs couleur miniatures.

Il utilise un tube couleur tout à fait spécial dit « à indexation de
faisceau ». dont le nom commercial Sony est « Indextron ».

Le tube possède un canon à électrons unique qui est modulé
alternativement par la modulation RVB des trois informations couleur
commuté à la cadence de la sous porteuse. Une grille proche de l’écran
est commutée à la même fréquence et dévie le faisceau vers la bande de
phosphore de la couleur appropriée.

Par ailleurs, une bande de phosphore en bordure d’écran émet un flash
ultraviolet lorsque le balayage passe dessus. Ce flash sert à asservir,
via une photo cellule extérieure, la vitesse de modulation du balayage.
Pour simplifier, on a une boucle de rétroaction où l’on vérifie à la fin
de chaque ligne que la commutation RVB et la déflexion vers la bande de
phosphore ad hoc est bien synchrone.

Ce tube est la copie exacte, en plus petit, du fameux tube « Apple »
développé par Philco au milieu des années 50. Les avantages sont une
convergence parfaite car il n’y a qu’un seul canon. Les désavantages
sont un rayonnement important à3,58 MHz à cause de la commutation de la grille de sélection des couleurs, une luminosité réduite (un canon au
lieu de trois) et un niveau de noir « décollé » car si le noir est total,
on perd l’asservissement du faisceau (pas de flash UV).

Ce TV est rare, et en trouver un en état de marche (c’est le cas de
celui-ci) est rarissime (8 ans de recherches).

Sony a lancé « un ballon d’essai » avec ce modèle et l’expérience n’a pas été poursuivie car apparemment ils ont eu beaucoup de problèmes de fiabilité. De plus, fabriqué en toute petite quantité, son schéma est apparemment introuvable.

Le TV est alimenté par des sources PAL/SECAM/TNT/Satellite + transcodeur de norme numérique + émetteur NTSC VHF 100 mW.

Salutations Amicales

jhalphen@dial.oleane.com
Sony KVX-370 Indextron Beam Index Color CRT-14-VGA.jpg
Sony KVX-370 Indextron Beam Index Color CRT-20-VGA.jpg
Sony KVX-370 Indextron Beam Index Color CRT-21-VGA.jpg
Sony KVX-370 Indextron Beam Index Color CRT-33-VGA.jpg

1 « J'aime »

La suite des photos :

Au fait, le tube Indextron fait 4,5" de diagonale soit 11,4 cm.

Infos sur le tube « Apple » de Philco, 1952-1955 :

myvintagetv.com/philco_apple_tube.htm

Cordiales Salutations

jhalphen@dial.oleane.com
Sony KVX-370 Indextron Beam Index Color CRT-01-VGA.jpg
Sony KVX-370 Indextron Beam Index Color CRT-09-VGA.jpg
Sony KVX-370 Indextron Beam Index Color CRT-07-VGA.jpg
Sony KVX-370 Indextron Beam Index Color CRT-10-VGA.jpg

1 « J'aime »

Bonsoir,

En tout cas c’est un petit poste très intéréssant et le voir fonctionner est un vrai plaisir.

Merci beaucoup de nous faire profiter de toutes ces photos.

Dommage que cette technologie ne fut que très peu diffusé.

amicalement a tous

wilfrid

Ps:D’ou vient le problème de geométrie que l’on voit sur la mire de quadrillage ?

Bonsoir Wilfrid,

Probablement d’une non-linéarité de la dent de scie de déviation.

Ceci est un produit grand public et n’a pas la rigueur de moniteurs professionnels ou encore mieux, Broadcast.

Salutations Amicales

jhalphen@dial.oleane.com

PS: j’ai éclairé l’écran avec un tube UV ( tube détection « timbres » ou « faux billets ») espérant provoquer la fluorescence de la bande de détection. Résultat néant. Soit ma longueur d’onde UV n’est pas correcte, soit l’écran de protection en plastique transparent + le verre du tube cathodique atténuent tellement la lumière UV que la fluorescence n’est pas possible.

Bonsoir,

un petit lien sympa vers le tube apple a indexation

bien sur sur le site de l’etf :

earlytelevision.org/apple_crt.html

et sur un autre site :

myvintagetv.com/philco_apple_tube.htm

amicalement à tous

wilfrid

Ps :smiley:écodeur anglais indispensable :laughing: :wink:

Bonjour à tous,

Fil ancien mais même TV, un Indextron Sony KVX-370.
Vidéo de 7’13" sur YouTube.
Le TV a été acheté neuf, jamais utilisé et les condensateurs électrolytiques ont été remplacés avant tout essai.

Très bonnes images de la construction interne.

Ce modèle souffrait de condos Elna mauves défectueux d’origine et Sony a effectué un rappel général de toute la production.
Les appareils ont été détruits (clients remboursés), ce qui explique la rareté des exemplaires survivants.

Cordialement
jhalphen

5 « J'aime »

Je ne sais pas si il faut ouvrir un autre poste ou continuer sur celui-ci, j’ai a remettre en route un tout petit Sony KV-4SV1, qui appartient a Erik 3, au démontage je m’aperçois que la plasturgie est très fragile, le plastique casse comme du verre, rien de grave mais il faut faire très attention juste quelques petits morceaux de partis. Ma synthèse va être fini aujourd’hui donc je suis un peu en décalage par rapport a aujourd’hui, il est poussièreeux signe qu’il a un peu fonctionne dans le temps :wink:















Dans la zone entourée en bleu les condensateurs ont bien coulés…

1 « J'aime »

Bonjour à tous,
Bonjour @totophe73

La doc SAV complète du KVX-370 est ici :
(10 ans pour la trouver!)
il est identique au KV-4SV1 Japonais, Canaux RF différents + bloc secteur 100VAC. L’Indextron a une entrée A/V NTSC, donc les canaux VHF/UHF ont peu d’importance.

Vous lirez avec profit ce fil « Indextron » sur VideoKarma:

Il faut remplacer les 14 ou 16x électrolytiques « ELNA » mauves.
Nettoyer le PCB de l’électrolyte acide qui ronge les pistes.
Y compris SOUS certains circuits intégrés, notamment le CI de « Power Management ». Parfois la corrosion est telle, que les broches des circuits intégrés tombent de rouille.

Le TV chauffe fort de par la compacité de ses circuits imbriqués en un cube. Le plastique devient cassant en vieillissant.

Andy C. « ac » au Texas est le spécialiste mondial des Indextrons.
Il en a réparé une douzaine (dont un pour moi).

Cordialement
jhalphen

Condensateurs ELNA défectueux Sony KVX-370 :

Le CI de gestion de l’alimentation. Il y a un gros électrolytique très proche qui provoque beaucoup de corrosion.
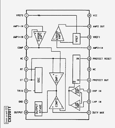
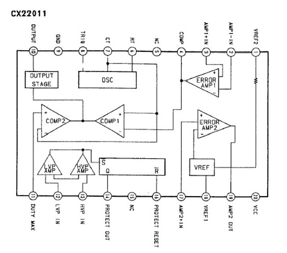
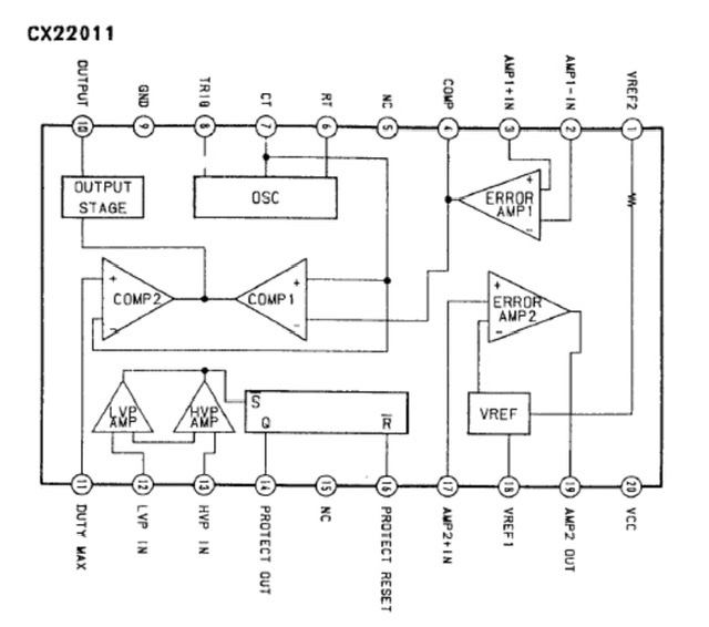
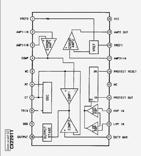
Si ce CI CX22011 est endommagé, rien ne fonctionne.
Son brochage :

1 « J'aime »

Merci beaucoup Jérôme pour ces conseils précieux, effectivement c’est du condensé, j’ai déjà fait un nettoyage avec un solvant non agressif… Je donnerai des suites un peu plus tard en espérant de ne pas avoir de mauvaises surprises après :wink: c’est une curiosité qui me va a ravir…

Bonjour à tous,
Bonjour @totophe73 ,

Un autre fil US sur le dépannage d’un Indextron KV-4SV1 (modèle Japon) :
Particulièrement axé sur le PB du CI Sony CX22011 et la corrosion autour.

et un autre (succès!) :

et un autre (échec) :

Bloc-alim; Attention! broche centrale de polarité négative :
Important si bloc d’origine absent.

Cordialement
jhalphen

1 « J'aime »

La c’est top :+1: Du coup j’ai cru que c’était toi qui avait refait ton petit Sony, en fait la pour moi c’est l’aventure, je suis bien équipé pour travailler tout ce petit monde, a première vue l’environnement du cx23011 n’a pas l’air mal, pas de corrosion mais sa a commencé un peu a coulé, ce serait bien si Erik3 pourraist Nous en dire un peu plus sur l’historique de ce micro tv.

Malheureusement je ne sais pas en dire beaucoup plus sur la TV. Elle vient d’un site aux enchères japonnais.

Depuis qu’elle est en ma possession je n’ai jamais essayé de la faire fonctionner (car elles sont connues pour les condensateurs de mauvaise qualité).

1 « J'aime »

Tu as bien fait de ne pas l’alimenter.
Je commence ce soir a m’occuper de le carte où il y a eu des coulures . La suite bientôt

2 « J'aime »