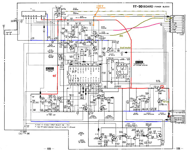
Tuner TV analogique type UV916

bonjour à tous, je démonte une carcasse de sony qui a un tuner analogique
j’aimerai bien le faire fonctionner en tuner universel

mais j’ai un doute sur les pattes
BU (je suppose UHF) ,
BV (je suppose VHF) ,
et BS (visiblement commuté entre 0 et 15 V)

regarde ici : Philips TV Tuner History pt5
le 916 est très bien analysé

ha, je me suis trompé : mon tuner n’est pas l’équivalent du uv916, puisque le mien est 100% analogique alors que le 916 et clairement commandé par i2c

EDIT:
merci pour ce site, cependant !! (très intéressant !!)

je continue ce projet et j’avance :
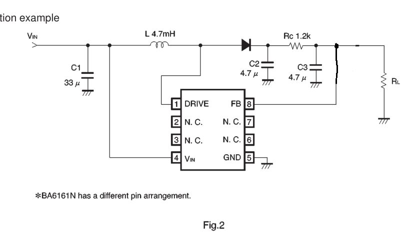
j’ai récupéré sur la même carcasse un ba6161 , c’est un géné de tension 33V idéal pour la varicap : il m’a suffit de mettre un potar en sortie, et je peux commander la tension « tune »

ensuite, j’ai mis des dil switch pour commuter les bandes
et, grâce à mon tinySA, j’ai pu voir les porteuses de l’oscillateur local
VHF1 :78MHz à 123MHZ
VHF3 : 158 à 267

je vais m’attacher maintenant à regarder ce qui sort sur la patte de sortie notée « IF »

1 « J'aime »

BS ce doit être la bande S utilisée sur le câble (entre la FM et la bande III).
L’inconvénient de ces tuners sans accord dit « PLL » (à synthèse de fréquence) c’est leur sensibilité à la température.