TV Radiola m’a fait craquer

Bonjour à tous
Elle m’ a fais de l’œil, que dire de plus ?

Elle a l’ air en Bakélite, dans son jus, en bon état cosmétique je n’ ai pas pus résister

Je développerai un peu si vous êtes intéressés

La voila dans le coffre, qui connaît ce modèle?
Bonne soirée à tous

3 « J'aime »

le modèle pourrai être :RT4395

1 « J'aime »

C’est la version Radiola du Philips TF1795A « tout écran ».

Mes parents en avaient eu un à l’essai pendant une semaine lorsqu’ils cherchaient leur premier TV (ils ont pris un Schneider finalement).
La plus grande partie du coffret est en tôle.
Attention, appareils tous courants.

2 « J'aime »

Souvenir… Le téléviseur de mes parents (le Philips) mais en gris foncé.

Elle est très belle. Intéressé par la suite !

1 « J'aime »

Bonsoir,

:thinking:

Radiola - RA 4395 Dioramic 59 TV

ou

Radiola - RT 4395 A TV

Bonjour à tous merci pour vos réponses je ferai des photos détaillées sous quelques jours
Bonne journée à vous

Bonjour,


Ce n’est pas ‹ tous courants › mais il est équipé d’un auto transfo dont le 110V est raccordé à la masse.
Il faudra lui adjoindre un transfo d’isolement si on installe des entrées audio / vidéo

3 « J'aime »

Bonjour @JCM45
Je n’ ai pas la capacité de réaliser cela
Je me rappelle a l’ époque, quand on raccordé son magnétoscope, on envoyé un signal et on recherchai les fameuse 2 bandes blanches sur la molette des canaux

Peut-être existe-t-il un Système comme cela ?
Bonne journée

Oui,mais les magnétoscopes fonctionnaient en 625 lignes et envoyaient un signal UHF.
Or là,cette TV fonctionne en 819 lignes VHF. Ancienne norme française

1 « J'aime »

Je savais @JCM45 que vous allez me parler des lignes :winking_face_with_tongue:

Je me rappelle avoir connu des TV au rebut avec un commutateur pour choisir le nombre de lignes

Existe il des convertisseur, pour envoyer une source externe, en signal VHF ou UHFen 819 lignes ?
Bonne journée

Bonjour à tous,
Bonjour @kibydouille ,

Vous avez deux solutions.
soit utiliser un convertisseur de norme comme le Hedghog (le seul dispo actuellement). Cet appareil reçoit un signal vidéo en bande de base et le convertit en 819 lignes. Le modulateur intégré couvre tous les canaux VHF de l’ancienne Norme E (819 Français).
Avantage : aucune transformation de votre ancien TV.
Prix (de mémoire) entre 250 et 300 Euros selon modèle.
Provenance : Grande-Bretagne.

Description technique :

Ce modèle conviendrait :
Hedghog L
Features:
LCD Display
405/819 line standards converter combined with a stand-alone multi system programmable VHF/UHF modulator.
aspect ratio conversion 4:3 => 4:3, 4:3 => 5:4, 16:9 => 4:3, 16:9 => 5:4
Selectable equalising pulses when converting to 405 lines
405 line Test card
Composite video input
Requires 7.5 to 9 V DC at 250 mA (Not Supplied)

Modulator Features
Frequency coverage 28.5 to 900 MHz in 5 ranges
Frequency ranges and step:
28.5 to 56.25 MHz step 15.625 KHz
56.25 to 112.5 MHz step 31.250 KHz
112.5 to 225 MHz step 62.500 KHz
225 to 450 MHz step 125 KHz
450 to 900 MHz step 250 KHz
Selectable negative video FM sound or positive video AM sound
Selectable vision/sound carrier separation of 4.5, 5.5, 6.0 and 6.5 MHz or when in positive video AM sound mode the video and sound carriers can be set independently(Variable mode)
Selectable picture/sound carrier ratio of 12 and 16 dB or fixed at 6dB when in Variable mode
Can be used as a stand alone modulator.

Le membre du forum GB « Freya » construit et vends les HedgHog.

2e solution : modifier votre TV de 819 en 625 lignes + entrée vidéo. Transfo d’isolation obligatoire si chassis « chaud » (sans transformateur)

Cordialement
jhalphen

Aspect physique des HedgHog :

Conversion 819 vers 625 lignes :
Radio-Plans - Adaptation 819-625 Lignes - Lucien Chrétien.pdf (1,1 Mo)

1 « J'aime »

Exact, j’aurais dû dire « châssis chaud ». :wink:

Merci pour vos renseignements

Je ne suis pas contre une restauration de l’électronique à l’identique :+1:

Je suis plutôt puriste, le poste de tv restera dans son état d’ origine

Bonne journée

Bonsoir Thierry,
Je pense avoir le même au fond de l atelier ,je le connais celui la,allez go je te met la FM USB AUX Bluetooth télécommande avec la vidéo dans le module et même un écran plat led :rocket: :dino:
Amicalement,
Michel.

A non pas d’ écran plat a la place du tube CRT :winking_face_with_tongue::joy:

@Michel81 tu dois bien avoir un convertisseur de ligne adéquate dans ton stock :+1:

1 « J'aime »

Bonsoir

Voici quelques photos de la belle

La plaque signalétique encore est présente en partie

Son panneau en bon état

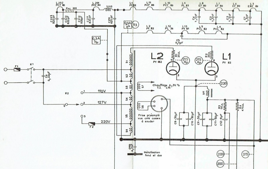
Le châssis parait complet

je crois qu’ elle a sa poussière depuis son origine

La ventouse de la HT raconte sa vie

Si vous voulez d’ autres détails, n’ hésitez pas a demandé

Bonne soirée à vous tous

2 « J'aime »

Bien vu @Ladere_Jean-Pierre ,je crois lire sur mon étiquette signalétique: RA 4395 A
Un modèle trés approchant de ces deux réf

Bonsoir Thierry,on verras cela si tu a l occasion de l amené ,mais faut pas faire des grosses dépenses la dessus ,voir THT état du tube etc…
NE L ALLUMA PAS
Bonne soirée,
Michel.
-------------------Pour l écran plat je blagué Mais j en ai vu!bof!

1 « J'aime »

Bonjour à tous

Ne t’inquiète pas @Michel81 je ne comptai pas la branché

Je ne sait pas si c’ est rare comme poste de télévision

Je pense qu’ elle mérite de rejoindre une
collection, ou du moins, de rester dans son état d’ origine :winking_face_with_tongue::+1::+1: