— Rebonjour. Je continue avec la suite de mon banc de tests :
>> LE CHARGEUR LI-ION ET LE TESTEUR ESR <<
— Vaste programme !
— Tout d’abord le chargeur Li-Ion. Un jour, en “fouillant” sur le Net, je tombe sur le mot “liposave”… Alors, piqué au vif, je recherche et je tombe sur ce petit schéma :

, qui ressemble “furieusement” à une diode Zéner de puissance. Recherchant plus loin, je trouve celui-ci :

, le même que précémment mais avec un transistor NPN en plus… Puis, plus loin, je trouve celui-là :
— Exactement ce qu’il me fallait pour éventuellement recharger et équilibrer des packs de batteries d’ordis portables défectueuses ! Mais disposant d’un petit stock de MOS-FETs récupérés sur des cartes-mère d’ordianteur défectueuses et pouvant avoir des batteries 10,8V ou 11,1V, je modifiai mon schéma ainsi :
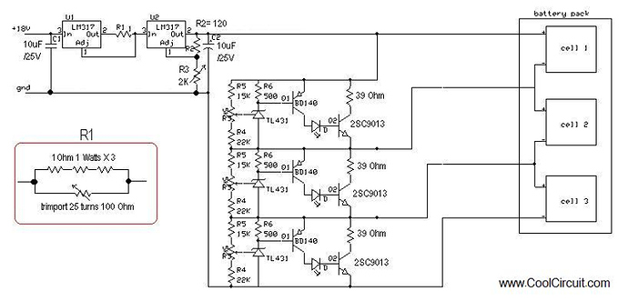
, en alimentant le triple liposave avec un générateur de courant réglable, tiré de ce schéma :
, soit copié, soit source de l’article d’Elektor suivant :
— “Va savoir” lequel a copié l’autre… Mais pour mon montage, il fallait l’“inverser” : l’alimenter dans l’autre sens et mettre un transistor NPN à la place du PNP et un Darlington PNP à la place du NPN, pour que les “liposaves” soient référencés à la masse au lieu du + ! Ce qui donne le schéma suivant :

, que je montai “en tête” de mes liposaves ! Voici les transistors Darlington PNP utilisés :
, récupérés de modules de ventilation d’habitacle automobile ! Mais pour trouver leurs caractéristiques… “Dur-dur” (Ah si, j’en tiens au moins 1 : le FW26025A – 100V 20A, Hfe ≥ 750 : belle “bête” !) !
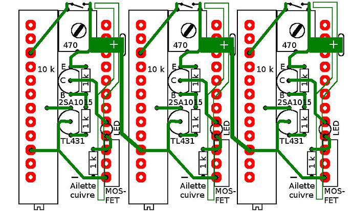
— Puis, je réalisai un petit “circuit câblé” avec une vieille plaquette provenant d’un vieil ordinateur ou d’une vieille imprimate, que sais-je… :
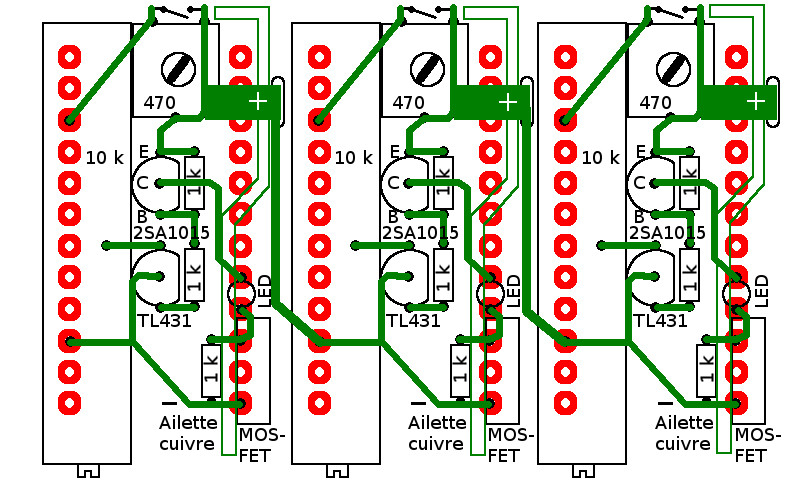
, qui contient mes 3 liposaves montés en série ! Les MOS-FETs sont soudés directement sur une petite plaquette cuivre qui les refroidit et en même temps assure la connexion de drain ! J’avisai alors un boîtier de cassette “betamax” que j’avais “rétréci” pour une autre occasion et qui s’est révélé adapté à ce que recherchai :
— Mais c’est pas tout : il me fallait réaliser le bac à batteries ! Comme les 18650 sont d’un format spécial, je me suis “fagoté” un bac “sur mesures” avec de vieux “bouchons” de faces avant d’ordinateurs :
, équipé de contacts à ressorts et monté dans le boîtier Betamax rétréci :
— Ici, avec une ancienne version de mon générateur de courant réglable monté dans un boîtier de multimètre HS !
— Le galvanomètre, récupéré “on ne sait où”, un modèle 100µA, a été ensuite monté dans le pupitre du boîtier de “flexettes” :
, lui aussi équipé d’un bac à batteries, mais pas pour le chargeur Li-Ion ! Car ce même boîtier avec le même galvanomètre renferme aussi un testeur ESR pour tester la résistance série de condensateurs électrochimiques !
— En recherche sur le Net pour trouver un schéma, un jour, je “tombe” (sans me blesser !) sur un site anglophone décrivant un testeur ESR à 5 transistors, avec toutes les explications utiles et nécessaires pour en comprendre le fonctionnement ! Exactement ce qu’il me fallait ! Aussitôt, je “dégainai” mon traducteur :
, l’assemblai sur une petite plaquette ayant “hébergé” un processeur d’imprimante :
, et le montai dans le boîtier, fixé par une vis sur la base ! Il fonctionne “au millipoil” ! Le tarage du zéro se fait au moyen du potentiomètre ajustable noir. Un commutateur rajouté sur la façade du pupitre permet de commuter le galvanomètre sur “Charge batteries” ou “Test ESR” ! Mieux : une fois des batteries à charger dans le bac et le courant de charge réglé, on bascule sur “Test ESR” et on teste des condensateurs sur une plaque avant récup’ :
(Pas encore décoré de sa face avant !) (La deuxième échelle a été tracée au stylo en mesurant des résistances de 1 ohm en série !)
— Voici le montage dans le boîtier avant montage de batteries internes :
— Le banc de tests est ainsi complet !
*** Procédure de réglage des “liposaves” :
- Commuter sur 4,1V en fermant les interrupteurs, ce qui court-circuite les ajustables de 470 ohms.
- Régler les ajustables multitours de 10k pour avoir 4,1V en sortie, dans le bac à batteries (mesurer directement aux bornes !).
- Ouvrir les interrupteurs court-circuitant les ajustables de 470 ohms.
- Régler ces derniers pour avoir 4,2V en sortie.
– Voilààààà : c’est fini ! ***
— Cordialement !