UPC1237, adaptation sur ampli Marantz SR5200

Bonjour, comment bien adapter le circuit intégré de protection UPC1237 sur un ampli Marantz SR5200 dont le circuit de protection est à base de transistors.
Le circuit qui m’intéresse est celui qui se branche sur la broche 1 du 1237 ‹ Overload protector ›.

Voici ce dont je dispose comme base de travail :

  • le schéma de ce circuit sur le Kenwood 1010 avec le 1237
  • le schéma de la première partie de la protection du Marantz, la deuxième partie étant très compliquée et à transistor
  • les infos du datasheet du 1237

Kenwood 1010, la diode D7 arrive sur la résistance R135 du schéma suivant

Kenwood 1010 suite

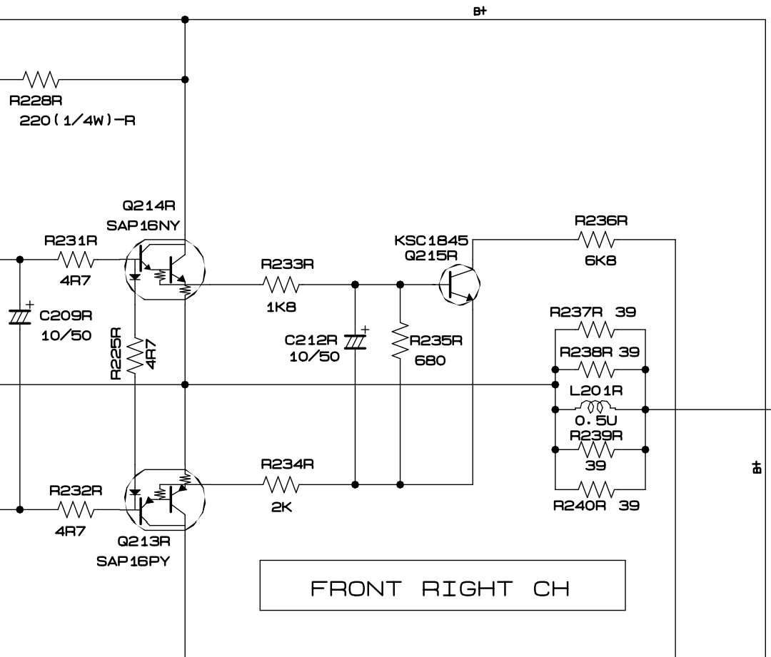
Marantz, la résistance R236 devra aller sur l’entrée 1 du 1237, avec ou sans adaptation ?

1237

Pourquoi donc vouloir installer un (voir 6) upc1237 si le Marantz fonctionne bien ?

Parce qu’il était en panne et que j’en fais un simple stéréo

Ah oui quand même !
Il eut fallu préciser la situation. Essaye de remettre en fonction tes 2 amplis préférés avant toute modification structurelle… :thinking:
Cet ampli est tout de même une belle usine à gaz !
image
Les ampèremètres à zéro central sont sans doute destinés à régler des courants de repos ou d’autres machins… D’habitude, nous avons le droit aux vumètres gradués en dB…
Ou bien, tu as déjà commencé à bidouiller grave :

1 « J'aime »

Les galvanomètres serviront comme millivoltmètres du signal avant ampli de puissance.
Cet ampli remplacera celui-ci, même base, car vendu :

Un nouveau concept, sans doute… :thinking:

Oups, avant le potentiomètre de volume.