Vérification et questions avant 1er allumage / ampli à lampe Geloso G.1/1070-A

Bonjour,
J’ai besoin d’aide, afin d’être sûr d’avoir modifié le câblage correctement avant d’allumer l’ampli, ou de continuer mes réparations (condensateurs, etc…)

Quelques infos importantes:

  • je suis débutant, merci pour votre compréhension et merci de me donner autant de conseils et de remarques que possible.
  • j’apprends beaucoup via Youtube, avec des vidéos souvent en anglais: désolé pour mon vocabulaire technique pas très francophone.
  • je n’ai encore jamais allumé cet ampli. Il est probablement resté éteint pendant 10 ou 20 ans. Je vais bientôt acheter un Variac pour effectuer le premier allumage en douceur. Mais pas avant d’avoir vos avis :slight_smile:

Quelques infos sur l’état de l’ampli, lorsque je l’ai récupéré:

  • cet ampli a été modifié par ces anciens propriétaires avec la mise en place d’un câble d’alimentation 3 fiches. Mais étonnement, malgré l’installation d’une terre, ils ont laissé les « death capacitors » (en jaune). Sur cette image, vous pouvez aussi apercevoir le sélecteur de voltage (avec fusible dedans), ainsi qu’une des deux fiches d’une alimentation auxiliaire.

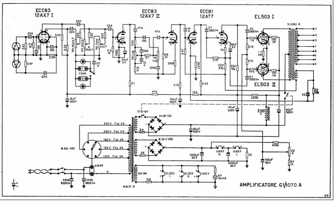
    schéma:

J’aimerais simplifié tout ça comme ceci:
(plus d’auxiliaire, plus de sélecteur, plus de « death caps » et ajout d’une prise EIC)

Mes premières questions:

  • Est-ce que c’est la phase qui va dans le fusible?
  • Si oui, après le fusible; est-ce que la phase va sur la fiche (soudure) « 240V » du transfo ou sur la « 0V » ?

En désoudant les « death caps », j’ai remarqué 2 trucs qui maintenant me perturbe:

  1. Sur la photo ci-dessus; c’est le câble neutre (j’ai testé au multimètre) qui va dans le sélecteur de voltage / fusible 2A (câble rouge), puis sur les fiches du transfo « 240V, 220V, etc… ». C’est donc le câble phase (marqué avec du scotch rouge sur l’auxiliaire) qui va sur « 0V ». Est-ce correct?

  2. on peut distinguer un petit câble orange qui part de la soudure du transfo « 2.9A » et qui est mis à terre sur le chassis, sur l’attache du gros câble d’alimentation noir. En testant une grande partie du circuit avec mon multimètre en mode « continuity », je découvert plein de O.L. à des endroits bizarre. Depuis que j’ai coupé ce petit câble orange, ça va mieux. C’était quoi le but de cette terre? Avait-elle une fonction lorsque les « death caps » étaient utiles?

Je suis très curieux de vos réactions et conseils!
Merci d’avance, Laurent

Bonjour,

Si on inverse le sens de branchement de la prise secteur ou si l’ordre n’est pas respecté dans les prises murales?
Et par pitié, remplacer cet anglicisme « voltage » par « tension »

Tension, c’est noté merci :grinning:

Oui en effet si la prise n’a que deux fiches, ça peut s’inverser à chaque branchement. Sous-entendez vous que cela n’a pas d’importance?

Avec mes modifications, avec trois fiches, il ne sera plus possible de brancher « dans le mauvais sens » (sauf si la prise dans le mur a été mal montée évidemment). Et j’aimerais donc faire mes modifications au mieux.

Pour moi, ça n’a aucune importance.

4 « J'aime »

Sur un appareil sans prise de terre, on ne peut pas savoir quel fil est la phase et laquelle est le neutre puisque la fiche n’a pas de sens.
Sur une fiche avec prise de terre, celle-ci pourrait servir de détrompeur mais en pratique les prises sont connectées avec la phase à droite ou à gauche, donc c’est pareil qu’une fiche sans terre de ce point de vue.
En alternatif la phase et le neutre sont indifférents, si ce n’est que le potentiel du neutre est proche de celui de la terre alors que la phase est à 230V de la terre, d’où un risque d’électrocution si on la touche.
Quant aux « capacités de la mort », la raison de cette qualification est que si elles fuient on peut se prendre un coup de jus si on touche le châssis s’il n’est pas relié à la terre, mais s’il est relié à la terre on ne risque rien de tel, tout ce qui peut se produire c’est que le disjoncteur différentiel saute si la fuite dépasse 30 mA et que la capa crame…

2 « J'aime »

Le problème est qu’en pratique les prises sont montées indifféremment avec la phase à droite ou à gauche. Si tu veux que toutes les prises chez toi soient montées dans le même sens, tu peux le faire si tu y tiens mais ça n’a pas d’utilité pratique.

1 « J'aime »

bjr,
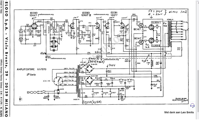
voici d’abord le schéma:

pour le premier branchement positionnez le répartiteur sur 240v et mettez une ampoule de 100w en série afin de « limiter » les dégats!
voir ici:
https://www.radioman33.com/pages/special-debutant/rallonge-avec-ampoule-en-serie.html
en cas de courtcircuit l’ampoule s’allume franchement et on a le temps de débrancher!
j’enlèverais aussi les deux condensateurs coté prise secteur!

Remplacer ces 2 condensateurs de 2.2nF par des classe Y

1 « J'aime »

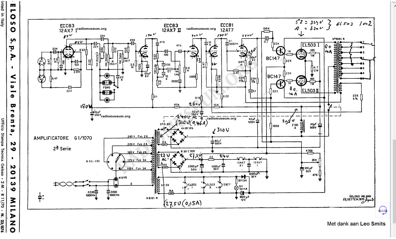
Merci pour vos réactions. Avant de continuer, je vous montre le schéma. Attention, le schéma ci-dessus est la version 2A. Moi j’ai la version A.

Les différences sont surtout autour des lampes EL503.

Le câble orange dont vous parlez est mis à la masse (que vos anciens propriétaires ont mis à la terre) ce qui n’est pas tout à fait pareil.

Le schéma fourni par @Radioman33 montre que le 6V est redressé en mono-alternance pour fournir une tension continue filtrée par le 1000µF 12V qui alimente ensuite une partie de l’électronique. Cette mise à la masse doit être rétablie afin que cette tension soit référencée sur la même masse que le reste de l’électronique.

Ahah, d’accord. Donc dans la réalité, phase et neutre s’inverse constamment, si je branche l’ampli à la maison, dans mon local de musique, ou dans une salle de concert.

Donc conclusion après vos réactions: cela n’a pas d’importance.

Merci @Chour_Pascal d’avoir répondu. J’aurais dû mettre le schéma en entier dès le début. Pardon. Comme vous pouvez le voir sur le bon schéma que j’ai envoyé juste après (la version A); il n’y a pas de condensateur 1000µF 12V.
Et le circuit ne continue pas plus loin.

Cela changerait quelque chose par rapport à cette mise à la masse?

Non, ça ne s’inverse pas, c’est le signal sinusoïdal qui s’inverse.

1 « J'aime »

Décider de raccorder le chassis de l’ampli à la terre par le cordon secteur de la prise IEC (s’il ne l’était pas auparavant), n’est pas forcement une bonne idée.
Par contre raccorder le point commun des deux capas 2.2 nF à la borne terre de la prise IEC est une bonne idée.
Les remplacer par des capas 2.2 nF de classe Y
Cela peut entrainer une ronflette et du bruit dans les hauts parleurs.

Bonjour @allo.guy
Pourriez-vous m’expliquer pourquoi cela ne serait pas une bonne idée de raccorder le châssis à la terre du IEC ?

Et si remplacer les vieux capas par des classes Y rajoute du bruit et du ronflement, en quoi est-ce que cela serait une bonne idée?

Probablement que tout cela est logique, mais à mon niveau de débutant, rien n’est logique pour moi actuellement :sweat_smile:

Merci @Radioman33 pour ces infos. Pensez-vous qu’avec l’achat et l’utilisation d’un transfo variable, cela ne suffirait pas à être assez prudent?

Pourquoi?
Il faut regarder l’ensemble des elements qui vont fonctionner ensemble
Cet ampli va être raccordé à une source audio dont le chassis et la masse sont peut etre relié à la terre.
Si la source dont la masse est reliée à la terre, le cordon de liaison bf va mettre en liaison le chassis de l’ampli et celui de la source. ce qui fait que le chassis/masse de l’ampli se trouve référencé à la terre par le cordon secteur de la source

La mise à la terre du chassis de l’ampli par son cordon d’alim IEC va entrainer une deuxième mise à la terre sur une deuxième prise secteur avec potentiellement une petite tension entre les broches terre des deux prises murales, ce qui entraine un courant circulant dans la masse du cordon BF, ce qui va entrainer une tension qui va s’ajouter au signal audio, qui va être la cause de ronflements ou de bruits.

Référencer les masses à la terre : oui, mais à un seul endroit et par un seul des cordons secteurs

Les capas Y (ou pas) vont éliminer certains parasites.
elles ne rajoutent pas de bruit,
Ce qui est source de bruit est la boucle des terres, créée par la double mise à la terre de l’ampli et de sa source
Une capa Y est une qualité de condensateur apportant une meilleure sécurité.
Le point commun des deux capas doit être raccordé à la terre et pas au chassis.

Merci @allo.guy pour votre patience. Je crois que je dois d’abord comprendre la différence entre terre et masse. Autrement je ne comprends pas bien vos réponses.

Pourriez-vous m’aider?
Ou m’envoyer un lien d’une vidéo explicative?

Une vidéo ne remplacera jamais une formation complète en sécurité électrique, en CEM, en conception des appareils et règlementation (j’en oublie surement, pour lister tout ce qu’il faudrait savoir, pour comprendre pourquoi on fait les chose d’une maniere ou d’une autre)

La masse: c’est le zéro de l’alim, par rapport auquel on va mesurer toutes les tensions

Le chassis: c’est la tole support sur lequel sont fixés les éléments.
Le chassis est souvent relié au zero volt de l’alim (masse) et souvent confondu électriquement avec cette masse.

La carcasse métallique: c’est l’extérieur de l’appareil qu’on peut toucher et qui peut (ou pas) être relié électriquement au chassis

La terre: c’est le potentiel du sol.
Pour éviter d’avoir une tension dangereuse entre les pieds et la main de celui qui touche l’appareil, la carcasse métallique de l’appareil est souvent relié à la terre.
Selon la conception de l’appareil, sa carcasse extérieure doit être obligatoirement reliée à la terre si c’est un classe 1
Par contre la connexion à la terre de la carcasse d’un appareil de classe 2 est strictement interdite.

Toutes ces notions, pourtant très différentes, sont souvent confondues dans les videos Youtube qui sont simplistes, voire simplètes, avec des affirmations (fausses) sans explications rationnelles…
Ce n’est pas compliqué, mais toutes ces notions se trouvent liées imbriquées avec souvent de gros mélanges.
Sans compter les visions dogmatiques que certains souhaitent faire passer pour des vérités