Bonsoir à tous,
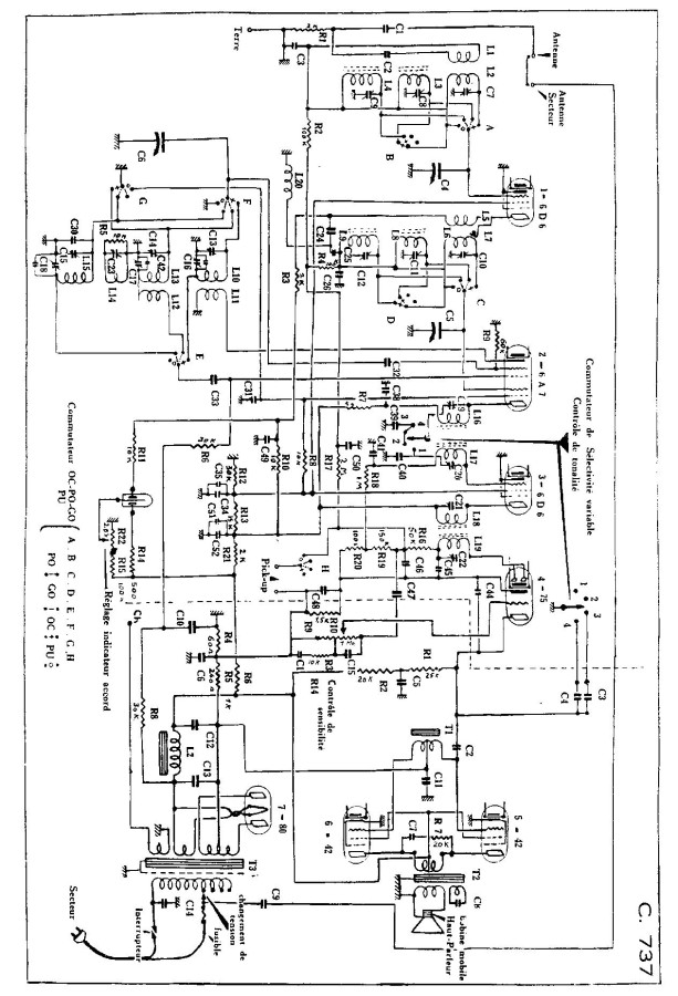
Voici quelques renseignements sur les indicateurs d’accord au neon, ainsi que le schéma du Ducretet C 737, qui en est équipé.
![DUCRETET C 737 [Résolution de l'écran].jpg](/uploads/default/original/3X/1/4/143202c730b9ce91f23773bef0c64bddd7c6a154.jpeg)
![Indicateurs au neon [Résolution de l'écran].jpg](/uploads/default/original/3X/5/c/5c3e61f458100265f799366b0e1422183e48ccb8.jpeg)
Bonjour,
j’avais , il y a quelques années , possédé un Ducretet C666 , apparemment équipé du même tube au néon , et j’en avais le schéma , qui devais être assez similaire au C 737 au niveau du branchement du dit tube selon mes plus ou moins vagues souvenirs
…
(hélas, je n’ai plus ni ce poste , ni son schéma actuellement …car j’avais entre temps abandonné la radio, dégouté pour des raisons humaines , et bazardé l’appareil …sans avoir pris de photo et sans en conserver de traces )
A part ça , ben j’ai pas encore prévu …d’aller à Lourdes 
MDW13
Bonjour,
je n’ai plus de C666 ni aucun poste équipé de tube au néon …mais j’ai retrouvé un de ces tubes au néon
(que j’ai bêtement posé sur la vitre du scanner , comme lorsque j’avais numérisé …mon chat
)
Voila , à titre documentaire, l’aspect « pour de vrai » d’un tube indicateur au néon …
MDW13

Si tu y vas , pense à emmener ton PC , ça lui fera du bien ![]()
Et apres, il marchera comme un Mac

MDW13
Bonsoir a tous . moi un jour a LOURDES j’ai deposé mon porte-monnaie dans la « piscine » et bien il n’y a pas eu de miracle , il en est ressorti aussi vide , mais trempé . Bonne soirée .
Doctsf (Modèles & Marques)
Annonces