Vu sur LBC - Le coincoin des radios

Bonjour,

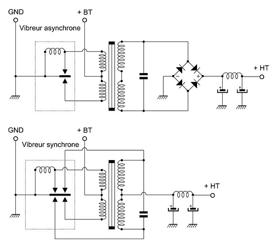
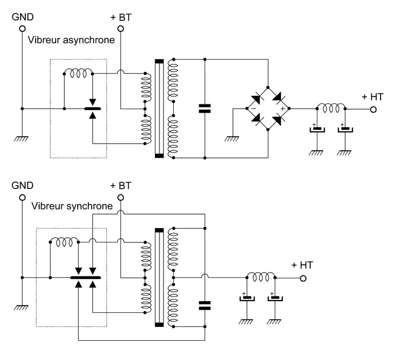
Peut-être une alimentation à vibreur pour autoradio à lampes.
On voit le vibreur, le transfo et le redresseur.

Cordialement.
JLouis.

Bonjour
Il me semble qu’ un vibreur est fait pour faire du courant alternatif

Voir ici:
http://www.radioman33.com/pages/mes-depannages/vibreur-pour-autoradio.html

Oui, pour pouvoir élever sa tension (pour la redresser après). :wink:

https://www.leboncoin.fr/collection/2499650088.htm
un R D > Rene Dehay qui n’est pas au GL ( ou je l’ai raté)



et Grillon ce n’est pas tres loin de chez moi
dommage je n’ai plus de place…pour 15 euros c’est tentant
un modèle proche

2 « J'aime »

serait un 6 lampes une cachée au fond à gauche à côté du CV !

pas cher ! Radiola RA 74A

5 euros à Vendôme

resterait à récupérer un HP chez Hubert … :rofl:

https://www.leboncoin.fr/vi/2500090209.htm#xtor=ES-3999-[MYSRCH]

État

État satisfaisant

1 « J'aime »

@radiocomm3

Tout le monde n’a pas la même notion du " satisfaisant " .
On le constate sans arrêt dans la vie courante , au travail , etc , y compris sur ce forum :wink:

1 « J'aime »

J’aurais dit « état d’épave satisfaisante ».

A +.

2 « J'aime »

On reproche à Hubert certains termes qu’il emploie.Dire d’un état satisfaisant une infâme épave,juste bonne pour la poubelle, c’est vraiment se moquer du monde.

Si on lit tout, dans le contexte, c’est cohérent :

À 5 € « pour récupérer des pièces », l’état est satisfait …

l n’ y a pas de photo du dedans sur l’ annonce … il faudrait voir

peut être le chassis est tout rouillé , et en piteux état , peut être juste un peu oxydé , peut être ??? va savoir

et il a son dos de protection …

peut être suffit il de remplacer le HP pour qu’ une fois dépoussiéré et nettoyé ce poste redevienne potable …

et puis pour 5 euros , il ne faut pas demander la lune ! :thinking:

je vais demander une photo du chassis ! :wink:

1 « J'aime »

en plus avec mes infos ( il m’a remercié ! ) , il a modifié son annonce en mettant la marque , le type et l’ année , car l’ annonce d’ origine disait " poste de marque Florida " ! :rofl:

Comme il avait pas enlevé la poussière sur l’ écusson , il avait mal lu !

Dans ce cas, il aurait fallu renseigner la rubrique correctement, c’est à dire, cocher " pour pièces ".Le prix n’a rien à voir: on me le donnerait que je n’en voudrais pas. Une épave, c’est une épave, encore qu’il y en a de bien plus exploitables que celle-ci ! Maintenant, si ça vous convient…

2 « J'aime »

Quoique bien poussiéreux , l’ intérieur semble complet , et une fois nettoyé , serait pas si moche que ça

donc ce poste , à part remplacer le HP , et une fois bien nettoyé semble viable

10 eu un nouvel HP chez Hubert , une nouvelle toile devant le HP , un bon coup de miror et le voilà redevenu présentable :wink:

Mais Vendôme c’est un peu loin ! :frowning_face:

Notre bon ami Gilles B l’ aurait remis à neuf en une nuit ! :wink:

Je pense que c’est intéressant à ce prix…
https://www.leboncoin.fr/collection/2501687618.htm

1 « J'aime »

Il ne manque que les bobines

Les photos dans leur taille originale :

Les bobines, ou du moins une partie, sont présentes, il me semble.