Bricolage autour d'un tube d'oscilloscope

Bonsoir,

Ça fait maintenant quelque temps que je bricole un tube DG 7-2 ( J’aurais bien aimer avoir l’appareil qui va avec, pour ma collection, mais on ne peut pas tout avoir :blush: )

C’est une espèce d’appareil pour « afficher » de la musique, créé en quelque sorte des figures de lissajou !

J’avais trouvé un morceau de schémas (posté dans une vielle revu) de cette appareil, mais je n’arrive plus à le retrouver ! j’avait encore mes notes :slight_smile:

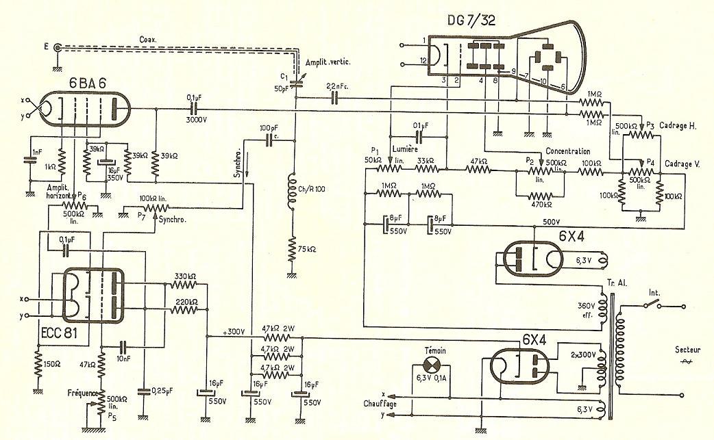
Mes notes du schéma :




Après avoir vérifié que mes tensions d’alimentation soit correctes, Alim’ filament (6.3 et 4v), HT (280v pour 290v) et THT (830v pour 800v)
Je n’ai aucun résultat ! même sans appliquer de signaux en entrée, alors que je devrais normalement avoirs au moins une sorte de points vert sur le milieux du tube :thinking:

Je voulais vous demander ce que je devrais trouver au niveau des tensions de commande de ce tube sur PS1, PS2, PK1 et PK2 ?

Bonne soirée,
Seb :slight_smile:


Bonjour,

ou bien la tension de whenelt (grille de commande du tube) est incorrecte et on a aucune luminosité (voir potar correspondant , son état, la tension a cet endroit, et rectifier pour avoir un spot plus lumineux )

ou bien les plaques de déviations ne sont pas "référencé " a la masse, et recoivent des tensions statiques qui dévient le spot hors des limites de la surface fluorescente de l’écran …(auquel on a en fait bien un spot , mais hors champ ! )

ou bien le tube est mort, gazeux, ou pompé …

ou

Et bien,
Pour A1 j’ai une tension variant entre 740V et +1000V ( ma THT est donc bien plus haute ou mon monoc par en pétard ? :thinking:) et pour G une tension qui varie de 820 à 870 v en fonction des potards correspondants !

Je suis presque sur que ce tube n’est pas HS, et j’ai essayé différents réglages, le faisceau n’est pas hors limite :thinking: et d’aprés mon « gribouillage », les plaques sont référencées à la masse à travers une résistance de 100K et … BINGO ! il me manque un fille de masse pour cette résistance, la suite demain …:smiley:

Schema de votre montage ?

Je n’arrive plus à mettre la main dessus, il ne me reste plus que mes notes (disponible en déroulant « Mes notes du schéma » sur le poste initial) il faudra que j’arrive a la remettre au propre

bonjour,

je trouve vos notations suivantes

en l’absence d’un multivibrateur base de temps / ampli dévi horizontale vous aurez un point au milieu faites gaffe de ne pas brûlé le tube

la tension de plaque déviation x avoisine mini les +140 volts sur ce petit tube

1 « J'aime »

et surtout pensez a relier cathode filament par une resistance de 47 a 120 ohms ou directement
cela vous evitera de claquer l’espace filament cathode
sur ces tubes comme la cathode est portée a -800V et les anodes et plaques de deviation a un potentiel voisin de la masse
le filament doit etre porte au meme potentiel que la cathode ( chauffage isolé)
la doc complete ici
http://www.mif.pg.gda.pl/homepages/frank/sheets/030/d/DB7-2.pdf

1 « J'aime »

bjr,
il y a aussi ce montage simple:


cdt
domi

Bonjour,
Je suppose que tu as vérifié que le filament est rouge…autrement faire une mesure de courant d’anode.

Jean-Louis

9 fois sur 10 le probleme provient de la chaine de polarisation du tube.
respecter scrupuleusement les valeurs des résistances
à 10V pres sur 800 ça fonctionne ou non
si la chaine est prevue pour 500V n’y mettez pas 800V et l’inverse idem

1 « J'aime »

Bonjour,
Je vais rajouter cette résistance cathode-filament (En plus de mon erreur de masse)

Je ne comprend pas bien « si la chaine est prevue pour 500V n’y mettez pas 800V et l’inverse idem » C’est à titre d’exemple ? ou il doit y avoir des points à 500V ?

simplement la chaine de resistance est calculée en fonction de la tension d’alimentation du tube
et on ne peu pas modifier la tension pour laquelle la chaine est calculée
par exemple le schema que vous a donne Domi du 33 est prevu pour 500V THT tube
sachant que le tube DG7/32 peut etre alimente jusqu’à 800V on ne peu pas applique 800V THT au montage precedent , la chaine n’etant pas calculée pour fournir les tensions correctes aux eletrodes dans ce cas

Bonjour
En general on a toujours un début de résultat même si le faisceau est décalé et déconcentré : la tension d’alimentation a moins d’importance que ce qu’on en pense par contre le potentiomètre entre le wennhelt et la cathode est primordial , c’est de lui que dépend le blocage ou non du faisceau essayez sans résistance talon le schéma qu’a donné domi du 33 , une fois le bon rapport trouvé vous pourrez toujours affiner la chaine d’alimentation et n’oubliez pas que les axes des potentiomètres ne sont pas tres isolés par rapport au curseur
Une haute tension plus faible impacte simplement la sensibilité mais n’empeche pas le spot d’apparaitre

1 « J'aime »

Verifiez si le curseur des pots de cadrage en position mediane est bien a zero V
la tension 0V doit etre obtenue s’il y a une tension positive ou negative trop importante le spot peut etre hors ecran et invisible
verifiez aussi que la tension de concentration est dans les valeurs preconisée par la doc
et comme dit précédemment surveillez la tension whenelt qui ne doit pas etre trop negative par rapport a la cathode ( voir les limites donnes par le constructeur)

1 « J'aime »

Juste un détail,
Le tube est un DG7/2 et pas un DG7/32.

Guy

ils sont assez voisins en tensions anode , concentration et tension whenelt
mais il faudra quand meme retoucher la chaine de polar comme conseille précédemment pour etre conforme aux données conctructeur
et surtout la tension whenelt
a part le chauffage filament qui est un 4V au lieu de 6.3V

https://www.radiomuseum.org/r/mial_oscillografo_170.html

Un montage de test pour voir si le tube n’est pas mort
image

1 « J'aime »

Bonjour,
Merci pour tout ces infos ! :smiley:

Ils serait alors intéressant d’utiliser le schémas de test avant d’aller plus loin !
J’ai quelques question sur ce schémas (avant que je fasse une mauvaise manip’) :

Les valeurs des résistances sont-elle correctes ?

Pot1 = 100K
Pot2 = 470K
R1 = 1M
R2, R3 = 100K

Pour Vin1 et Vin2, je devrais appliquer une tension avoisinant les 140V ?

Je ne devrais pas faire fonctionner ce montage longtemps au risque de ‹ brûler › le tube à l’endroit du pts du faisceau c’est bien ça ?

si je ne me suis pas trompe dans les calculs


cela semble a peu pres conforme a la doc du tube
reglage Whenelt un peu large 51V pour 30 conseille
reglage Va1 pas tres bien centre et un peu large a mon avis a revoir on est assez loin des 150 a 350 V conseilles avec les 51 a 291V

Hum, existe t-il une formule pour calculer les résistances ? ça fait un bon moment que je gratte et je n’arrive pas à trouver le juste « équilibre » … Je suis sur de passer à coter de quelque chose …