Cadre amplifié REX, problème commutateur

Bonjour,

Je restaure un cadre mono spire de Radio Control modèle Rex. Il ressemble fortement au REX A1 mais sans la partie alimentation. Il faut lui amener la HT et le chauffage depuis le poste en écoute.

J’ai voulu en relevé le schéma mais je bute sur le commutateur malgré un démontage complet.

J’ai relevé le commutateur mais cela me donne un système d’accord complètement farfelu. Malgré avoir refait les mesures plusieurs fois je n’arrive pas à définir ce commutateur. C’est un douze positions plus 4. Seul 6 positions sont utilisées.

J’espère qu’un spécialiste de ces commutateurs peut corriger ce schéma par ce que moi je donne ma langue au chat !

En principe ces cadres attaquent la G1 en direct en OC et via deux selfs pour les PO et GO. Mais ce n’est pas du tout cela que j’obtient.

Voici le schéma auquel j’arrive mais il est certainement faux ainsi que des photos du commutateur.

Merci pour le coup de main.



Bonsoir J,

Vous avez dessiné les commutations en position intermédiaire… entre 2 changements gammes quoi.

En redessinant le contact « bleu en face » de chaque ergot, les dessins iront beaucoup mieux.

Les galettes n’ont que trois positions, car l’axe est limité en rotation. Le premier dessin, il faut tourner le centre d’un demi pas, et ainsi de suite

merci pour ce commentaire.
Non la position de repos est bien comme cela. Il y a 4 ergots qui tournent et qui se mettent entre deux positions et font la liaison entre les deux positions. Voir photo.

Bonjour,

La position “a cheval” entre 2 lamelles de contact me parait pas normale, et si ça se trouve, ce commutateur est défectueux !? (indexage cassée ou tordu ? axe ovalisé ou vrillé ? galette ayant pris du jeu ou mal montée ? )

Essayer de remonter et recâbler le tout, en retirant les billes d’indexage (la rotation deviendra floue et continue, et ne fera plus “clic-clic-clic”) et faire des essais de remise en service, sur un poste, en recherchant la bonne position (si le fonctionnement est anormal mais redevient normal en tournant doucement d’un demi pas, rechercher le problème au niveau mécanique, puis rétablir l’indexage pour que ça refasse “clic” )

1 « J'aime »

Bonjour,

ça tombe bien, aujourd’hui je suis tombé du lit… et il faut bien s’occuper…
Un indice, en tournant d’un demi pas (dans le sens du tire bouchon pour le petit coup de blanc du déjeuner), en position 1 l’antenne va direct sur le CV et sortie, en position 2 c’est le jeu L4/L3 qui commutent sur antenne/CV, en position 3 c’est L2/L1.

Bon maintenant, le cadre amplifié n’est pas entre mes mains, j’dis ça, j’dis rien (Kamelot ®).

Bon réveil

1 « J'aime »

Quelques remarques en passant :
Votre commutateur est un simple 4 circuits 3 positions et il n’est pas positionné correctement

Bon, moi je ne suis pas tombé du lit mais, en comptant les moutons pour m’endormir, j’ai remis en cause mon idée que la position de repos était celle de la photo.
Il n’y pas de système de bille mais je vais réexaminer le système de rotation car effectivement si le contact se fait sur une seule position et pas entre deux, tout est en ordre et l’on retrouve le schéma standard d’un cadre. Il doit y avoir un système qui maintienne le contact en bonne position lors de la rotation mais tout est démonté actuellement.
Il faut que j’y retourne… (Boris Vian)
Merci de m’avoir remis en piste

Quand on regarde la forme en coupelle des contacts fixes, il est clair que le contact mobile doit venir bien en leur centre, et pas entre les 2. Au centre, l’effet ressort fait que le contact est maximisé.

Bonjour,

Ces commutateurs rotatif , a cette époque, avaient très souvent un système d’encliquetage à billes, parfois une seule, souvent deux placées à 180° d’angle, sans cela il est tout a fait normal que ça ne reste pas dans la bonne position .

Soit il y en avais et elles ont été perdues (dans ce cas : a remplacer par des billes a prélever dans un vieux roulement usagé par exemple, ceux d’une disqueuse ou perceuse devais convenir en démolissant le roulement ) soit il y avais un système remplissant le même rôle (clinquant d’acier à ressort cambré , a retrouver ou à recambrer )

1 « J'aime »

Voici le nouveau schéma du commutateur. Cette fois ci correct.
Je me suis fait avoir en pensant que la position de repos était un lien entre deux positions adjacentes. Le système de blocage n’est pas fait par des billes mais par le bouton qui défini la gamme d’onde. Les trois positions sont fixe et bloque le commutateur en bonne position. Bien évidemment démonté pour atteindre le commutateur, d’où erreur de ma part.

Autre question question:
La charge d’anode de la EF41 est réalisé par une self à « étage » ?? (photo)
Pourquoi pas une self standard, ?

Merci a vous

Pour ne pas privilégier une fréquence, comme ferait la résonance d’une self simple

Bonjour,

oui, ça s’appelle une “self de choc” et c’est fait pour couvrir une très large gamme et pas une fréquence précise (toutes les bandes de radiodiffusion GO-PO-OC usuelles) et ceci sans devoir l’ accorder sur la fréquence a recevoir (ce qui compliquerais le montage et ferais une commande supplémentaire à manoeuvrer par l’usager)

On obtiendrais la même chose en mettant une bobine GO, une bobine PO, une bobine OC , toutes en séries et sans leurs trimmers .

Un grand merci pour ces explications

Encore une question.
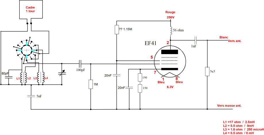
Voici le schéma complet du cadre. Il y a une résistance sur la grille 2 de la EF41 qui est noire. Elle a du chauffer un peu fort. Actuellement elle mesure 1.15 Mohm ce qui me parait vraiment beaucoup.
Que mettriez vous ?

Je propose 100K qui dit mieux ?
PS: la valeur la plus élevée n’a pas forcément gagné !
Merci

en ampli HF la doc du tube dit cela

Bonjour,
Je revient avec mon cadre.
Apres quelques recherches sur le forum j’ai décidé de faire une alimentation séparée pour alimenter cette antenne.
J’ai choisi la solution des deux transfos tête-bêche pour faire le 250V et le 6.3V.
Par contre je me pose des questions concernant le lien à la masse.
Dans le cas ou l’alimentation de l’antenne se fait par le poste radio directement, le 250V et le chauffage 6.3V sont liés/référencé dans la radio.

Dans mon cas, avec une alim séparée, faut-il lier un des fils du 6.3V avec le zéro du 250V

  1. dans l’alim
  2. dans l’antenne
  3. ou alimenter l’antenne avec 4 fils (2x chauffage + 250V + masse)
  4. ou autre solution ?

Merci à vous

Schéma de l’antenne et de mon alimentation


Bonjour
On n’utilise plus ces sefs de choc étagées depuis longtemps , une simple self de choc entre 470 nH et 2,2 mH fera parfaitement l’affaire

Oui mais elle est presente, pas coupée et d’origine.
Donc je ne vais rien changer :+1:

Bonjour J,

Je mettrai 4 fils et connexion masse d’une branche du 6V dans le boitier d’antenne pour ne pas mélanger courant fort avec les qq mA de la conso HT dans une grande longueur. Torsader séparément HT et filament.

Maintenant, aucun argument pour ne pas faire autrement. Sauf, j’ai une radio 8 lampes avec châssis alim séparée, j’ai réalisé le câble ainsi et je n’ai pas de problème.

Pas trop se prendre la tête… :wink:

Merci pour ces infos