Bonjour à tous,
Qui aurait de la doc sur cette cellule d’un projecteur Pathé Rural . Il y a un N° 864 dessus. Elle a 4 broches.
La photo représente cette lampe à coté d’une 47 pour avoir une idée des dimensions. Après avoir remis en état l’amplificateur et qu’on raccorde le projecteur, le son est inaudible. Je ne connais pas de tout ce genre composant et ne sais pas comment la tester.
Merci d’avance
Marcel

Bonjour,
C’est une triode faible µ à chauffage direct
Voila ce que j’ai glané sur le net
864_3.pdf (112 KB)
864_2.pdf (52.6 KB)
864_1.pdf (163 KB)
Ce ne serait pas plutôt une cellule photoélectrique genre 90AV ?
Merci Pierrot et Philbob de vous intéressez à mon problème. Ce n’est pas une triode mais bien une cellule photo qui lit le son sur un film 17,5mm. Le son restitué n’est que « crachouillis ». Bien entendu, je n’ai pas de schéma de la partie son du projecteur. Je mets en PJ le schéma de l’ampli que j’ai relevé. Ce que je cherche, c’est les caractéristiques de cette lampe afin de pouvoir éventuellement la tester. J’ai feuilleté tous mes fascicules et autres sites de lampes mais rien trouvé. Je ne pense pas que le N° 864 soit la référence mais plutôt un N° de série. Je vais regarder la référence de Pierrot.
A bientôt
Marcel
Ampli Pathé.pdf (21.7 KB)
Le tube de droite, sur la photo, est très clairement une cellule photoélectrique et non pas une triode. Mais elle ne ressemble guère à une 90AV. Pourtant, je ne trouve aucune information à propos d’une cellule photoélectrique de type 864. Il existe pourtant une 868 de RCA, qui lui ressemble assez. Et chez Philips, la 3534 et la 3554 ressemblent aussi un peu à ce qu’on voit sur la photo.
Considérant les difficultés concernant les caractéristiques de cette cellule photoélectrique et considérant qu’elles ne se différencient pas tellement entre elles, ne serait-il raisonnable de vérifier à l’oscilloscope le signal reçu par cette cellule ? Et puis ensuite, de pas à pas, rechercher le signal en allant vers la sortie. Et puis, ne serait-il pas aussi raisonnable de tester l’amplificateur comme s’il y avait un micro haute impédance à l’entrée, plutôt qu’une cellule ? Bien entendu, on prendra garde à la polarisation de la cellule. Juste mes petites idées…
Elle ressemble à une 3554, sensibilité: 150µA/lu, Vb: 85 V.
JJG
Merci souris blanche. effectivement la 868 ressemble bien. L’ampli fonctionne bien en position P.U ainsi qu’en position Film. J’ai branché un baladeur. Certes ce n’est pas l’idéal mais le son restitué était parfait.
Le projecteur et l’ampli étant retournés chez son proprio à 100km de chez moi, il va falloir monter une séance dépannage avec l’oscillo. Je vous tiendrez au courant.
Encore merci à tous
Marcel
bonjour,c’est bien une cellule photoélectrique à gaz.il lui faut une tension continue d’exitation d’environ de 70 à90V continu.il y a une capa en série pour arrêter le continu.pour faire un essai avec un micro mettez un condo en série!
sinon je ne donne pas cher pour celui-ci.mesurez la tension aux bornes de la cellule et changez le condo d’entrée (100n) .sur ces cellules seules deux broches sont connectées.vous pouvez également la remplacer par une cellule "solar"que l’on trouve sur ebay pour environ 20€.pour cela supprimez la tension d’exitation sinon la cellule fume!
Voilà déjà une bonne chose à connaitre. Il reste probablement un étage supplémentaire pour la cellule. Bien sûr, le défaut peut se trouver là. Mais je vous conseille surtout de bien nettoyer tous les bidules optiques. C’est certainement très encrassé tout ça. Alors avec le son optique, ça va faire du bruit.
Est-elle aussi de RCA ? Où avez-vous pu trouver l’information ?
Bonjour,
Ok, je m’incline… 
J’avais également trouvé sur le net une info contradictoire
concernant un tube 864
EIA Base 4D
Mechanical Data
EIA Base … 4D
Electrical Data
Heater Voltage … 1.1 V
Heater Current … 0.25 A
Characteristics and Typical Operation
Class A Amplifier
Plate Voltage … 135 V
Grid No. 1 Voltage … -9 V
Plate Current … 3.3 mA
Characteristics and Typical Operation
Class A Amplifier
Plate Voltage … 90 V
Grid No. 1 Voltage … -4.5 V
Amplification Factor … 2000
Plate Resistance (approx) … 1.5M ?
Transconductance … 1400 µMho
Plate Current … 2.9 mA
(source nj7p.org/Tube4.php?tube=864)
Sur cette caractéristique, on voit un gaine énorme (2000) qui correspond
peut être plus à la fonction cellule photo ?
Une discussion sur le même sujet :
Cette triode 864, qui porte aussi la dénomination militaire VT-24, est une sorte de version améliorée et anti-microphonique de la redoutée WD-11 de Westinghouse.
En peu de mots: Un amplificateur de cinéma pour son optique (avec cellule photoélectrique, donc) ne se différencie guère d’un amplificateur ayant une entrée pour microphone haute impédance. Il y a juste un circuit de polarisation de la cellule en plus.
Je viens encore de consulter de vieux documents de RCA, où j’avais espéré trouver des renseignements concernant cette cellule 864. Je n’ai rien trouvé dans un manuel spécialisé en matière photoélectrique. Mais j’ai trouvé la triode 864 parmi les tubes vendus par RCA. Cela me surprendrais d’apprendre que RCA ait aussi vendu une cellule photoélectrique ayant le même code. Alors qui peut en être le fabricant ou vendeur ? Chez Philips, je n’ai rien trouvé. Alors peut-être DGL-Pressler ? Ce n’était pas courant en France. En outre, Pressler n’avait pas l’habitude de n’utiliser qu’un simple nombre comme dénomination.
Tout cela est très mystérieux et je redoute presqu’une erreur.
Bonjour
Catalogue 1940 des cellules RCA .
pmillett.com/tubebooks/Books … otubes.pdf
Merci ,je ne l’avais pas
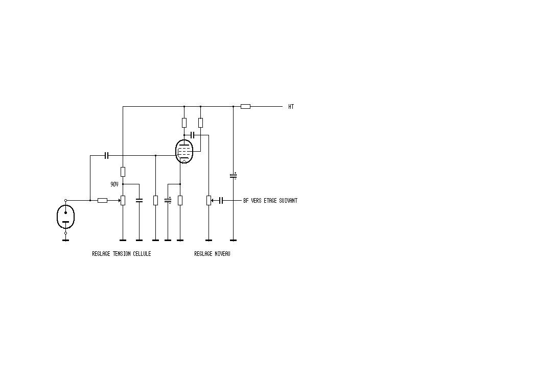
Bonjour. 
Ci joint un petit exemple d’utilisation de ce genre de cellule ( premier étage d’un ampli pour cinéma, schémas passe partout )
si j’ai bien compris c’est un Pathé 175 j’ai plus vraiment sa photo en tête mais il me semble me rappeler d’un circuit optique un peu compliqué pour la lecture du son ( interposition d’un miroir réglable ) mais je n’en suis pas sur.
les cellules de ce type sont rarement complètement mortes il suffit de les mettre quelques temps dans le noir complet pour leur redonner un coup de fouet voir de remonter un peu le réglage de tension sinon l’utilisation d’une Solar est possible en supprimant la polarisation de la cellule ça dénature pas trop, dernière option l’utilisation d’un photo-transistor silicium mais faut pas mal modifier la polar et la limiter à une dizaine de volts j’ai un Debrie qui a fonctionné des années comme ça.
bonne journée
christian

Merci pour le lien !
La cellule de Marcel ressemble beaucoup au modèle 927 du catalogue RCA…
Doctsf (Modèles & Marques)
Annonces