Bonjour,
Je cherche un STK082 d’origine.
Si je ne trouve pas je l’achèterai sur Aliexpress, avec le risque de recevoir une contrefaçon.
Bonjour,
ces modules hybrides ne sont pas toujours fiables, et les contrefaçons ne le sont jamais …Aussi je suggérerais plutôt un rétrofit avec des TDA7294 ou des LM3886
(Déjà pratiqué sur des amplis équipés de STK080 ou STK082)
Evidemment, le brochage est totalement différent, et il faut soit refaire un circuit imprimé pour l’ampli de puissance, soit faire un circuit intermédiaire adaptateur et le relier au circuit imprimé existant par des straps ou des petits fils souples.
(comme c’est que de la BF, sans HF , ça tolère quelques centimètres de fil souple )
Ces circuits intégrés sont plus récents, bien plus courants , et bien plus fiable (mais il est préférable de les acheter chez des « enseignes connues » pour être sur de la qualité et qu’ils ne soient pas contrefaits : Conrad,Farnell, Mouser, Radiospares,E44…)
Si rétrofit : il faut, pour des raison d’équilibre des canaux, ré-équiper les 2 voies, avec le même type de circuit intégré .
Pas tous, mais bien souvent ( j’ai pu le vérifier !) la plupart des distributeurs se servent en PRC. Et ça ne concerne pas que le matériel électronique ! Alors l’histoire de " tes enseignes connues ", ça me fait doucement rigoler.
Oui, peut être, mais il y a"made in PRC" (potable) et « made in PRC »(merdique) Et ces grandes enseignes connues ont peut être quand même des exigences de qualité … Des possibilités de retour en garantie …meilleures que sur aliexpress ou cdiscount !?
(Et ont une image de marque qu’il ne veulent pas trop voire se déprécier)
Hello,
Il faut quand même faire attention avec ces affirmations difficiles à démontrer.
Tant qu’on ne sait pas dire lesquelles, ça n’avance pas à grand chose.
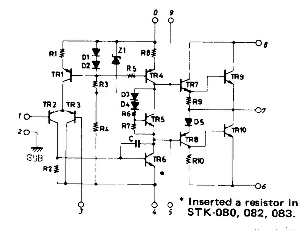
Ici, il est question de STK082.
Tu parles des « grandes enseignes connues ». Lesquelles ? Conrad, Farnell, Mouser, Radiospares que tu citais ? Ils n’en vendent pas et pour cause, ces produits ne sont plus fabriqués (tu peux aller vérifier sur leur site).
E44 ? C’est un distributeur sympa mais je ne le classe pas dans les « grandes enseignes connues ». Et il leur arrive de vendre de la cochonnerie aussi. Et de toute façon, ils ne vendent pas de STK082 non plus.
Bref, il ne reste plus que les chinois, ceux qui vendent du chinois en se faisant une marge au passage et ceux qui vendent de l’occasion (méfiance sur ce genre de circuit).
Du coup, qu’est-ce qu’on fait (à part effectivement mettre un ST7294 ou ST7293 ou autre moyennant adaptation) ?
Je pense que Pascal a bien résumé la situation. Bien entendu, il faut se garder de mettre tout le monde dans le même panier. Mais ce sont des considérations générales.
J’ai commandé sur Aliexpress…
Bonjour,
il est, hélas, quasiment impossible pour le citoyen lambda de différencier des composants « made in PRC » (potable) et « made in PRC »(merdique) !
Ils ont physiquement le même aspect, les mêmes dimensions, les mêmes fonctions…
Il faudrait avoir tout un laboratoire pour faire des essais et mesures , en charge et dans diverses conditions, sur différents échantillons, pour savoir séparer le bon grain de l’ivraie (de tels essais ne sont pas à la portée du citoyen lambda qui n’est pas équipé pour ! Sans parler du temps énorme qu’il passerais a ces essais avant de faire le montage ou le dépannage proprement dit !)
Dans ces conditions on ne peux guère faire autre chose que se baser sur des généralitées, ou sur les bonnes ou mauvaises expériences des précédents clients !
Quand aux enseignes vendant tel ou tel composant : je ne parlais pas que du STK082 et lui seul, mais de tous les substituts possibles : le STK083, le STK086, LE TDA7293, le TDA7294, le LM3886 …
(Si on étend la recherche a tous ces substituts, on trouvera bien « dans le tas » un distributeur qui aura au moins une ou deux de ces références en stock !)
Quand vous aurez réparé, tenez nous au courant du résultat. Ca permettra d’alimenter les discussions pour et contre sur le sujet.
Oui j’informerai du bon ou mauvais fonctionnement de ce circuit.
Oui, il faudra « venir donner les résultats » et ceci en veillant bien a faire des essais de plusieurs heures avec de la musique comportant des « fortissimo »
( Un essai de courte durée n’ayant pas le temps de faire chauffer, ou un essai avec de la musique trop pépère ne sera pas révélateur )
J’avais vu, ça vient peut-être de Chine et c’est plus cher
La panne : par moment beaucoup parasites, tension continue en sortie, consommation excessive.
Après vérification sommaire de l’intérieur de ce STK, je l’ai ressoudé, et en tapotant sur les broches et sur le boîtier, les parasites apparaissaient ou disparaissaient, d’où l’idée d’un faux contact entre les broches et le circuit imprimé du STK, alors j’ai appliqué de la soudure sur les broches avec le fer à souder, assez longtemps pour faire remonter la chaleur et peut-être supprimer le ou les faux contacts.
Pour l’instant ça fonctionne, plus de défauts constatés, à suivre…
J’ai reçu le STK de chez Aliexpress, ça fonctionne pour l’instant…mais juste un court essai à la puissance maximale.
Bonjour,
Avez-vous essayé de chercher sur eBay ou Leboncoin ? Il y a parfois des composants d’origine en lot ou en occasion. Sinon, certains forums spécialisés en audio vintage peuvent aussi être de bonnes pistes pour trouver un STK082 authentique. Bonne chance dans vos recherches !
J’avais déjà regardé ailleurs, sans rien avoir retenu.
Bon il y a un problème avec ce STK de chez Aliexpress, quand on monte en fréquence, une déformation apparaît, qui croît avec la fréquence, et ça commence doucement vers 2 khz.
Je serais bien tenté de l’ouvrir pour voir l’intérieur…
C’est de la « distorsion de croisement ». Sur un ampli en composant discret ça se règle facilement mais sur le STK je ne sais pas. Il faudrait regarder le manuel de service de l’ampli pour le savoir.
Ouvrir le module ne te donnera pas grand chose de plus à moins d’avoir une très bonne connaissance du fonctionnement d’un ampli et de faire de la microchirurgie ![]()
Doctsf (Modèles & Marques)
Annonces 

