Ce n’est pas une base de données, la méthode est dans le livret ici:
Salut Laurent,
Pas besoin d’isoler sur « C » les électrodes de l’autre partie lors de la mesure, c’est mieux selon moi de les mettre à la masse, sur « B » que de les laisser « en l’air ».
La position « C » c’est surtout pour isoler les électrodes connectées sur les broches et qui ne sont pas spécifiées, les broches I.C.
Il y a une ambigüité justement entre les combinaisons dans le recueil et sur le tambour de l’appareil.
Les broches non utilisées sont en B sur le rouleau et en C sur le recueil.
C’est vrai mais sur les valves ca ne fonctionne pas
Bonjour
Comment tester les tubes qui ont un électrode en haut merci
Il faut un petit câble avec à un bout une fiche banane et à l’autre bout une prise pour téton de lampe, en faire 2 : un pour les lampes Américaines et Transco, un autre pour les Octales.
À introduire dans un des 2 trous indiqués par la flèche rouge.
Le mien possède les 2 sortes sur le même cordon avec en plus un crochet pour les lampes Européennes à borne latérale (voir en bas de la photo).
A +.
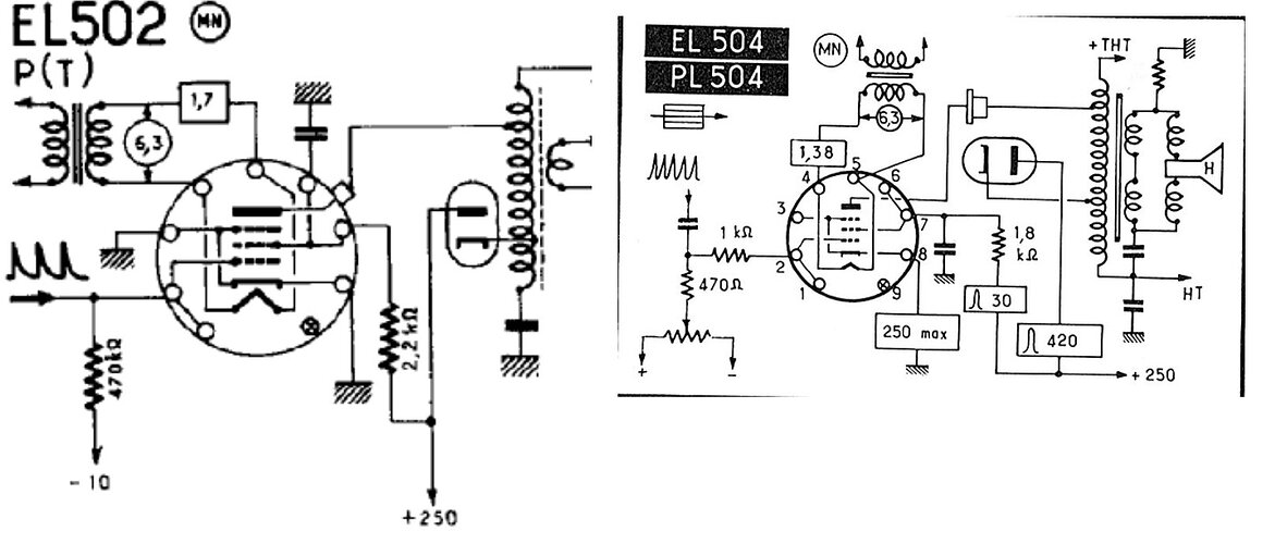
Bonjour les amis.
Je chercher la combinaison des lampes suivantes.
5Y3GB
PL504
EBL21
Cordialement
5Y3GB → voir 5Z4 : ACDCDCCCAC - ACDCDCACCC.
EBL21 → ADDAAABBBB - CDDBBBABBB - CDDBBBBABB.
Je n’ai pas celle de la PL504.
A +.
Merci bien
sans doute pareil que EL504 au reglage du chauffage pres
Je n’ai pas non plus celle de l’EL504, j’ai celle de l’EL502, mais je ne pense pas que ce soit la même.
A +.
Tension filaments 6,3 v
6.3V pour les E**** oui pour les P**** il faut regarder la doc du tube
pour la PL504 le doc dit 27V
Donc, la combinaison de l’EL502 serait la même que celle de l’EL504.
ACABDDACCC, filament : 27 V.
A +.
Mais pas de support magnoval, du moins en version d’origine, il faut faire un adapteur noval ← → magnoval ou câbler un support magnoval sur la position pour le support de réserve.
De toutes manières la PL504, lampe finale de balayage lignes TV, ne peut être testée valablement que sur un téléviseur avec les tensions et le régime implusionel auquel elle est normalement soumise dans cette application.
On peux le tester sur un utracer3.
Sur cet appareil ?
https://www.dos4ever.com/uTracer3/uTracer3_pag0.html
Oui je suppose, mais pas à sa puissance et aux tensions de fonctionnement maximales.
Pour un essai valable avec les tensions et le régime de fonctionnement auquel cette lampe est normalement soumise dans un téléviseur, il faut l’essayer dans un téléviseur, pas de miracle.
Avec l’usure, les grilles se déforment et des court-circuits internes intermittents sont possibles, on peut uniquement les détecter lorsque la lampe est en fonctionnement dans un téléviseur et que l’on tapote dessus avec le manche d’un tournevis.
Bonsoir,
Comment on fait un test de l’œil magique.
Merci
Bonjour,
Votre nouveau sujet a été déplacé vers le sujet principal où on discute des différentes combinaisons des commutateurs pour la vérification des lampes sur cet appareil.
Vous avez dans la fiche de cet appareil, le mode d’emploi en document attaché, je vous met le lien ci-dessous :
À la page 4 du mode d’emploi la vérification des oeils magiques est expliquée :
Voici la combinaison pour l’oeil magique 6E5C
6.3 DDBCDABBAC •
DDBCDCBBAC
Doctsf (Modèles & Marques)
Annonces 

