Décalage son sur tv n&b norme française

Bonsoir,

J’ai un décalage de son sur une tv n&b secam. C’est à dire que lorsque j’ai l’image,
le son est fortement bruité (bzzzzz lol) et si je change légèrement le canal, le son
est parfait, mais plus d’image.

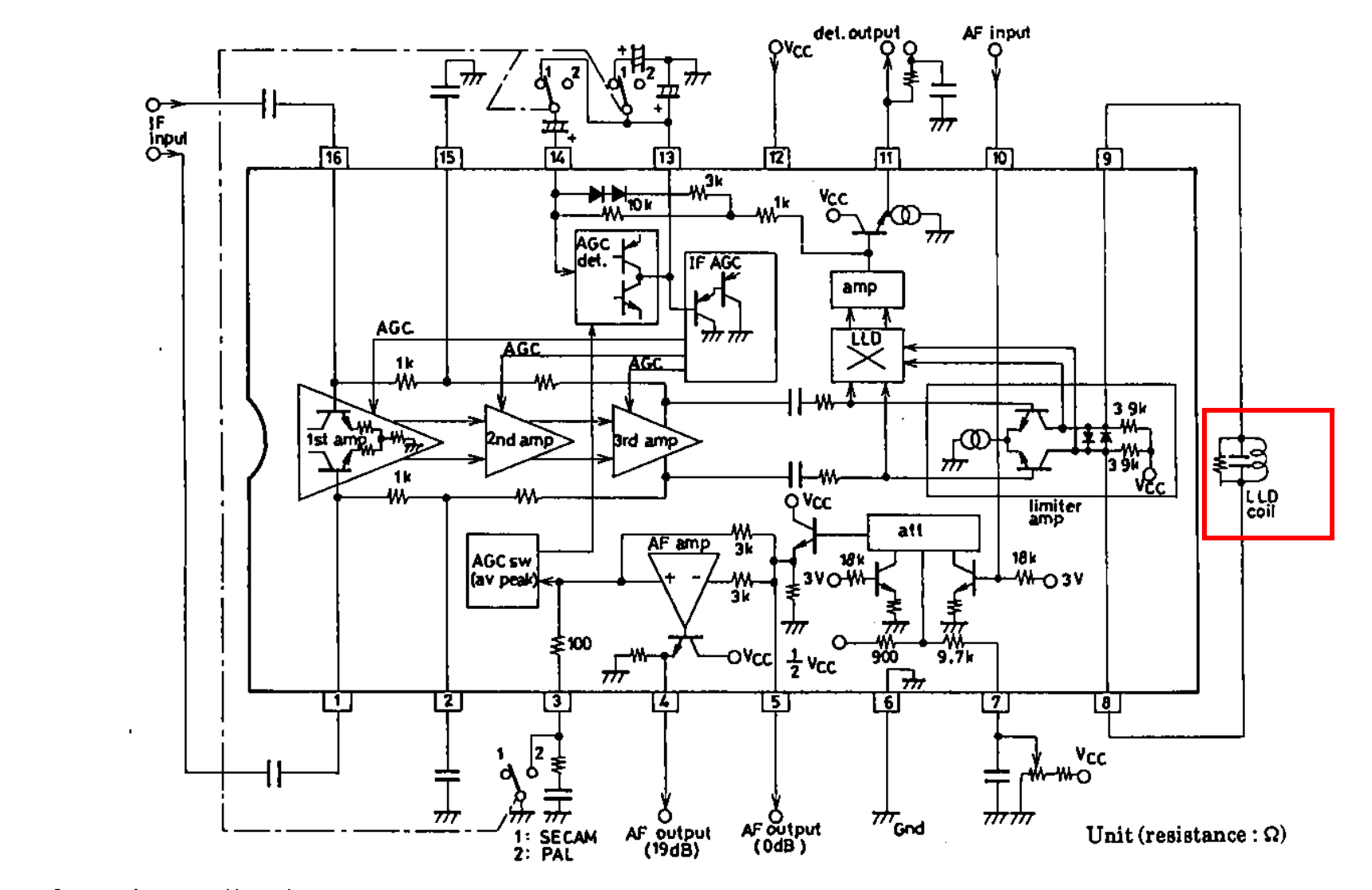
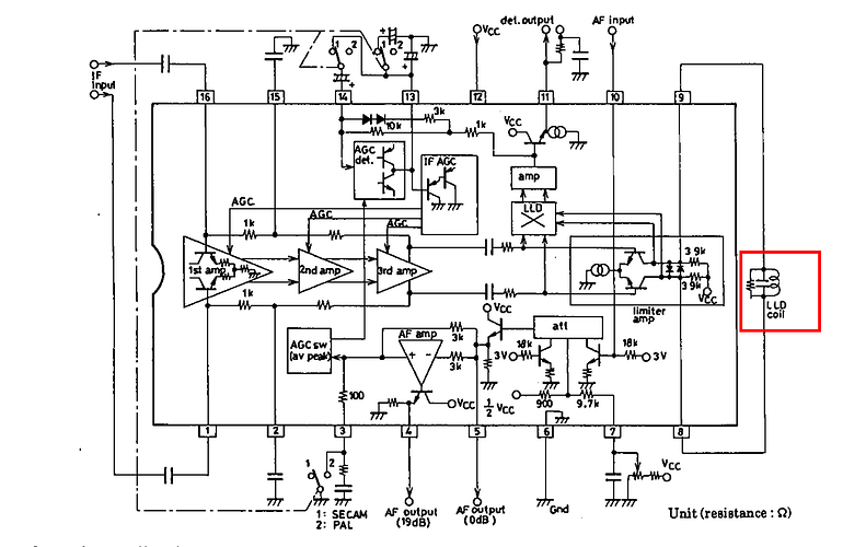
La tv est concue autour de deux composants principaux, un LA7710 et un KA2915.

J’ai bien sûr testé sur une autre tv (antenne pour les deux), et l’autre a le son et l’image
impeccables.

Le LA7710 est sur une pcb montée en vertical qui comporte deux coils réglables. Une en entrée
pour l’IF et l’autre la LLD.

Je pense à un désaccord sur l’une des deux. D’après le datasheet, en secam, on doit être à 39.2 Mhz, mais ce n’est pas clair si c’est juste pour IF ou les deux.

Je n’ai pas franchement envie de modifier les réglages sans savoir ce que je fais.

Auriez vous une idée ?

En vous remerciant !

decalage-son-sur-tv-n-b-secam

Bonsoir
si c’est un téléviseur noir et blanc, la mention "secam " n’a rien à faire là !!
mieux vaudrait préciser norme E ou L ou L’

Qu’appelles tu "LLD " ? :thinking:

Je sais bien, mais il n’y a aucune info dessus ! J’ai eu beau chercher sur le net,
ras. Et rien de pertinent sur des étiquettes.

La coil LLD est située entre les broches 9 et 8 du LA7710

Et je suis en UHF via un transcodeur pal / secam

LLD = Limited Level Detector, c’est le discriminateur FM son interne au LA7710.

Il y a un commutateur faussemet indiqué PAL/SECAM qui doit plutôt être un commutateur de norme de réception. as tu essayé les deux positions ?

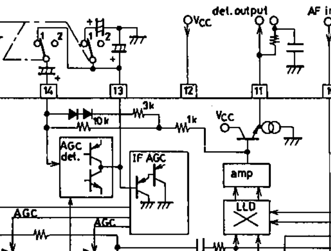
Oui j’ai regardé sur le pcb, et il n’y a pas de switch. La broche 3 va directement à la résistance et la capa, donc « secam »

même pas à l’arrière ?
pas d’étiquette sur le fond ?

Non, ni même d’étiquette à l’arrière (elle s’est peut-être barrée avec le temps)

As tu vérifié le câblage en sorties 14 et 13, si ça correspond bien à la position dite "secam " ?

Me serait bien d’avis de retirer le transcodeur, puisque nous sommes en noir et blanc.

Moins il y a aura d’éléments dans la chaîne vidéo, mieux ce sera.

1 « J'aime »

C’est lui qui me permet d’émettre en UHF :sweat_smile:

kiki37-> oui c’est confirmé, cablé en position « secam »

C’est un modulateur alors, pas un transcodeur :thinking:

1 « J'aime »

Il fait les deux. Il transcode le PAL en Secam et il sort en rca (video+son) et en UHF via une prise antenne

Les capa sur les broches 13 et 14 sont des électrolytiques. Et vu
le bordel à quoi c’est relié (AGC Det. IF AGC et amp LLD), si elles
sont hors spec (après 40 ans…) ca peut être une bonne piste

1 « J'aime »

Pour info

Changés sans aucun effet

J’ai fait une découverte plutôt intéressante !!!

video composite et son vers le transcodeur en rca branchés, image nickel,
son avec le buzzz.

Mais, si je débranche uniquement la video, le son devient crystalin :sweat_smile:

Cette mini TV VOLVO doit être identique à celle-ci:

(photos issues du site « Le Bon Coin »).

Il semblerait que c’est une ADDEX TE01.

Patrick.

Oui mais elle semble avoir été un objet publicitaire car on la retrouve avec d’autres marques comme le journal l’express par exemple

Effectivement, j’ai eu une TV « Le Point » similaire. ADDEX figure dans le Grand Livre mais au niveau d’une marque de desing :

ADDEX

Bonne continuation.

Patrick.

1 « J'aime »