je n’ai pas tout compris sur le « pot hold »… en pin 34 la dent de scie est table et ne varie pas d’un yota.
pot hold c’est un potentiomètre qui fait varier la valeur moyenne ?
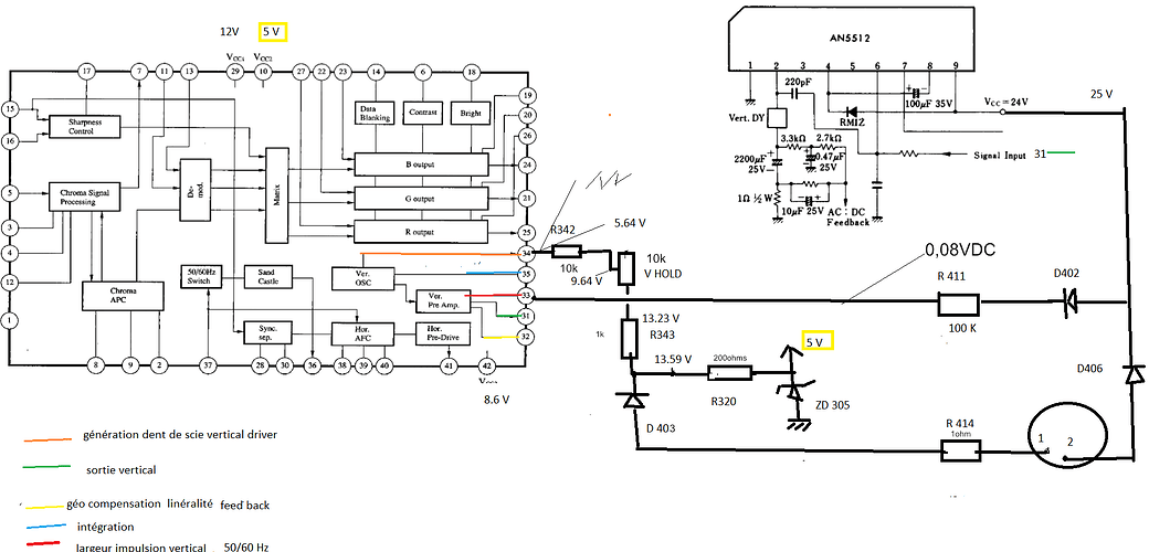
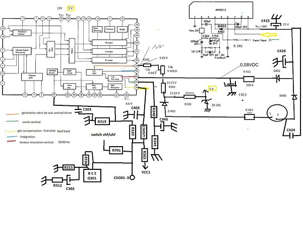
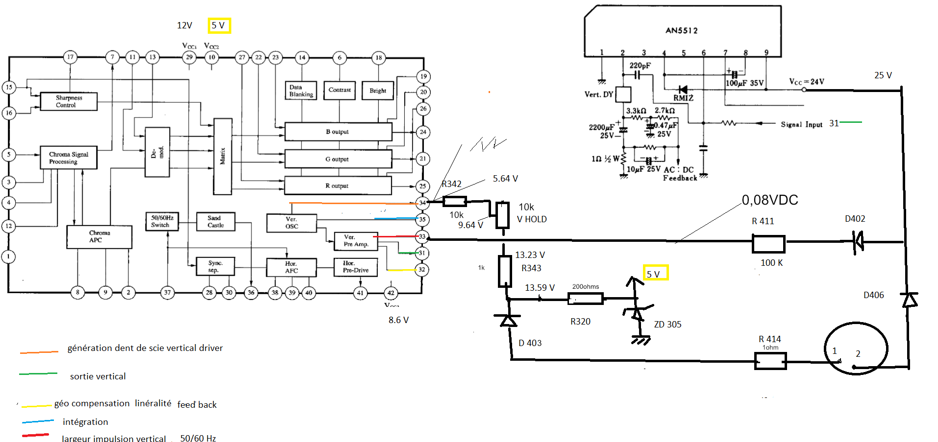
je tai mis les tensions sur l’image.
les bleus sont constants partout.
idem pour le jaune.
Je pense qu’il voulait dire le potentiomètre « vertical hold » (= stabilité verticale = fréquence trame).
1 « J'aime »
la tension 5.94V sur pin 34 doit varier avec la variation du potentiométre V hold
pas vraiment, ça bouge à peine entre 5.82 et 5.86V et de manière pas vraiment cohérente
bonjour,
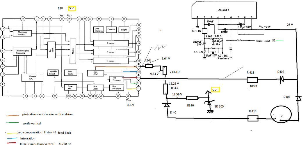
peux tu marquer les valeurs des résistances et la tension manquante pin 33 et la diode j’arrive pas à lire d40 ?
c’est pas facile avec des photos surtout en plus qu’il y a ces traps fils noir qui cache la lecture du circuit imprimé mais bon
par contre les couleurs résistances cela trompe
note je n’ai pas mis les capas de filtrage et découplage j’ai simplifié
voilà, les valeurs sont mesurées car certaines couleurs sont difficiles à définir car un peu délavées avec le temps/chaleur on dirait
Bonjour,
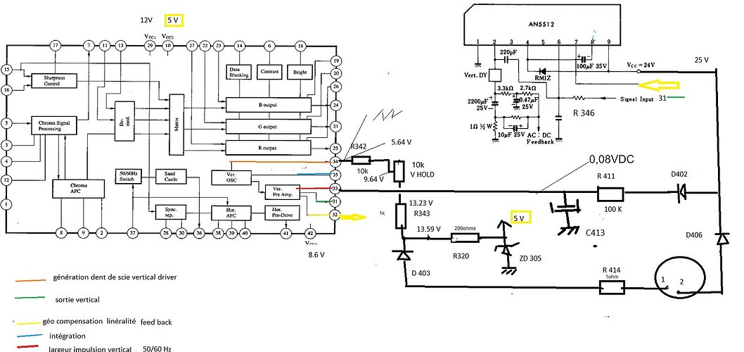
ce n’est pas bon du tout en particulier U V hold et le 0.08 V
c’est curieux cette dent de scie pour autant existante
il faudrait remplacé ensemble le processeur de traitement vidéo et génrateur de signaux AN5601 K et aussi le final trame AN 5512 sans hésitation même si tu as déja mis un neuf
éventuellement tu peux essayer ceci
léve d’un côté R346 vers (pin 6 ci AN 5512) pour libérer la sortie du préampli du AN 5601
mettre oscillo pin 34 et faire varier V hold (regarde le signal sur data pin 34)
en fait après vérif, v Hold fait varier la fréquence en 34
Une fois r346 levée,
La tension sur la pin 31 est à 9,96V, 0V surt la pin 6 du 5512
non levée la pin 31 était à 0.814V
pas de changement sur la tension pin 33 , toujours à 0.08V
le pin 32 est à 5V
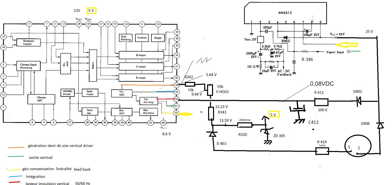
On est loin de ce qu’indique le datasheet:
j’ai commandé les deux puces.
j’ai re-changé les deux circuits comme préconisé… pareil 
pas de gros changement sur les tensions…
j’ai remplacé c413 aussi, pas de changement
En pin 31, bon niveau de tension mais pas d’oscillation.
Pin 32 idem
Pin 33 pas de niveau de tension correct mais on voit un bruit de la forme de l’ondulation que l’on recherche…
Pour le fun j’ai vérifié les pin 35,36 et 37 et c’est conforme au datasheet
ne comprenant pas comment la pin 33 s’écroule autant, je me suis demandé si c’était un soucis sure le pin 32 ou 31 qui se répercutait sur 33… j’ai donc refait le schéma.
bon je suis toujours perplexe pour le moment
Bonjour,
Je viens de parcourir vite fait ce fil.
Il y a un point très important qui n’a pas été évoqué: le retour de boucle de contre réaction (feed back) visible sur le schéma ci dessous.
Une mauvaise info de feedback suffit à empêcher la sortie du signal de commande vers l’ampli final.
Contrôler d’abord la résistance (1 ohm sur le schéma d’application) en série avec le condo de liaison du déviateur (2200MF). C’est une panne que j’ai déjà eu plusieurs fois.
Voir ensuite la cellule R/C de contre-réaction dynamique (3.3k + 2K7 + 0.047MF).
Le schéma du TV peut être différent par rapport à celui d’application, notamment le 2200MF câblé directement à la sortie de l’ampli, avant le déviateur.
Jean-Luc
1 « J'aime »