dans l’état actuel du montage, l’AN5601K ne sort pas de signal correct comme présent sur le datasheet, tout juste un début de signal carré à 0,25V complètement arrondi, à une fréquence dans les 150Hz. bref, le soucis d’alim n’est peut être pas localisé que au composant qui gère l’affichage vertical…
pour le condensateur c’était surtout pour connaitre sa tension de service soit 35 V
(avec cela j’estime la tension qu’il va filtrée )
tu as bien fait le montage avec une diode neuve
ce qui m’intéresse c’est la tension redressée et filtrée donc sur la cathode
mesurée en tension CONTINUE avec un voltmétre
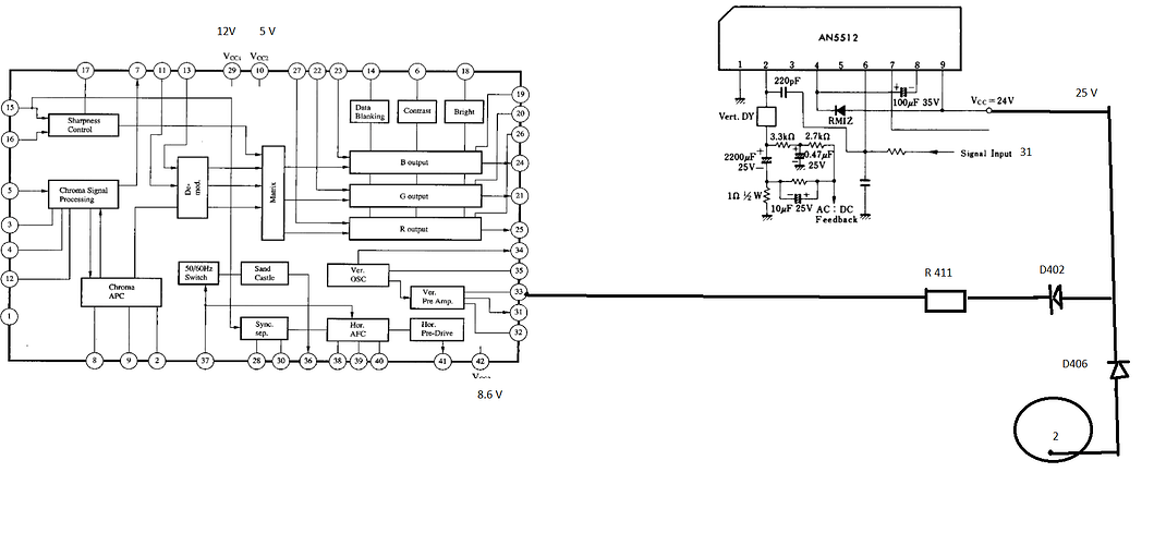
soit cette tension au 9 du CI trame
Oui c’est bien ce que j’ai fait. Pour la diode j’avais des 1N4007 en stock.
Mais j’étais étonné des 28V en entrée ?! Toujours en DC… Je vais regarder ça ce soir mais à l’oscilloscope pour voir la tronche de la tension, ça peut ptete aider à comprendre si l’alimentation a un soucis.
J’ai pas pu résister de mesurer en speed avant de partir bosser
c’est lisse en sortie cathode mais pas du tout en entrée avec des sacrés pics vers le bas, donc je comprends mieux les 24V ![]()
Bonjour, oui 9v pour 12v , c’est beaucoup d’écart en proportion.
Comme préconisé par Tournesol avec l’AN5512 ; alimente l’AN5601K avec une alim calée à 12v. Olivier.
bonjour,
cette tension de 12V mesurée à 9 V cela dépendra de la condition de mesure
en effet le balayage horizontal est fonctionnelle pour autant
Vcc1 12V Vcc 2 5 V et Vcc 3 9.5 V
j’ai rétabli le montage d’origine, en changeant la diode FR155 par une FR157 neuve que j’avais.
→ pas de changement
edit: j’ai testé c426 qui était sur la ligne d’alim du AN5512, ras
pour 100µF 35V, mon testeur me dit sous 4v: 98,24µF, vloss 1%, ESR 0.42ohms.
testé en tension sur mon alim jusqu’à 16v, ras aucun courant de fuite.
c’est bien et en remettant le pont
pont ouvert, tension côté cathode: 29V bien plat
c’est bon et en remettant le pont
25,29v
alors là c’est parfait et sur le point 9 puis ensuite sur 4 du 5512
pareil, 25,29V, mais je n’ai pas de balayage vertical pour autant. j’ai testé la broche 6, je suis à 1V à l’oscillo, 0,8v en multimètre dc, aucun cadencement spécifique, une légère perturbation, peut-être faut t’il creuser maintenant côté 5601 et son 9V faiblard.
edit: le pin 31 sort 8v ! c’est qui est loin des specs !
je vais regarder et mettre comment vérifier les signaux sortie 5601
apparemment pas d’oscillation trame
regarde sur la diode D402 elle va sur pin 33 de l C 5601
cathode U combien
25,3V sur l’anode, 25V sur la cathode, tension de diode au multimètre hors tension: 0,5v
aucune variation, ça ne présage pas du bon au vu du datasheet… c’est censé avoir 12 ou 5v max sur ce CI…
quand on regard le datasheet, la tension du pin 42 (alim) du 5601 est à 6V normalement…
![]()
et même sur le montage typique on voit que le 12V n’'est pas appliqué tel quel:
ça a l’air de coller:
l’alim vient d’une autre carte derrière, généré par un transistor alimenté en 12V/13v et la sortie semble être un brin régulée avec une zener ?!
La carte derrière
le suivi de l’alim…
12,8V en entrée du transistor
9,96V en sortie
Je ne suis pas certain de ce que je conclus avec tout ça. on dirait que ça correspond à peut prêt niveau schéma, mais les tensions abordées sur le premier tableau me semble anormales ???
c’est bon pour d402 r411 vers pin 33 an 5601
les tensions
Vcc1 Vcc2 ok vérifie si tu veux le 5 V sur pin 10 il ne peut qu’étre ok
fait toi la pin 34 vertical hold tu suis le circuit en passant par le pot V hold
vr 304
a tu la dent de scie sur cette pin 34 ? et également une tension continu qui varie avec le pot hold
a tu sur pin 29 autour de 12 V continu
Doctsf (Modèles & Marques)
Annonces 










