bonjour
déjà courte présentation, je suis débutant de débutant…
j ai un soucis avec un tuner revox a76
celui ci fonctionnait avec un petit pb de mauvais contact sur une des rca que je réglerai un peu plus tard.
j ai allume le tuner réglé une station, le multipath fonctionnait, la commutation stéréo aussi
j ai mis une station stéréo et ai voulu régler le trigger
j ai donc tourne comme sur notice jusqu a extinction puis suis revenu en arriere pour retrouve l allumage de stéréo sauf que maintenant je n ai plus rien, ni stéréo ni multipath ni sortie…
les vu indiquent une bonne réception…
par quoi dois je commencer ?
d avance merci
par verifier et eventuellement nettoyer au au KF Kontact 60 le bouton que tu as tourne
merci radiolo
fait mais rien de changé
afin de poursuivre j ai
un multimetre
un gene 100mhz
un oscillo hameg 2x20mhz
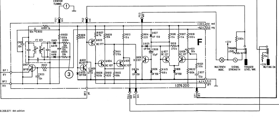
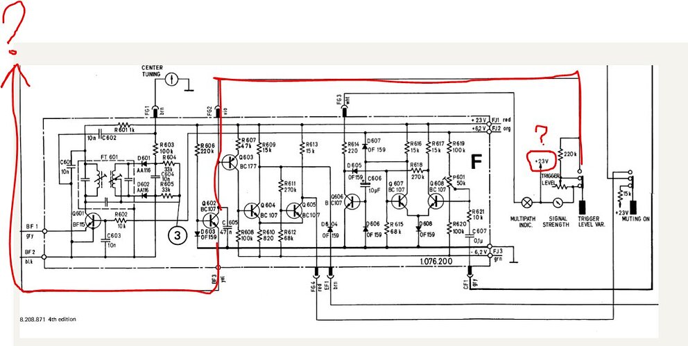
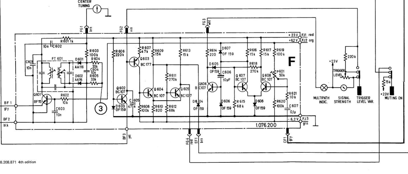
j ai aussi le shema trouve sur le site…
cdlt
quand on touche un reglage et que cela ne fonctionne plus apres 90% de chances que le probleme soit dans le coin
tres probablement une defaillance du potentiometre de reglage
piste coupée curseur arrache
c’est autour de cela qu’il faut chercher
a moins que cela ne soit un composant sur le circuit associé qui ai laché…
vais déjà commencer par ce potard en mesurant sa course qui doit faire 0-220 ohms khoms… illisible sur la doc
la valeur est fixe soit env 1.15 1.23ohms
en appuyant sur trigger var j ai de 300 ohms a 250kohms
la tension varie de 0.03 a 9.9v
donc ce potard a priori est bon
bonjour
j ai trouvé la doc mais en allemand si quelqu un sait ou la trouver en francais …
merci
En anglais, faute de grive…
merci ca sera deja mieux qu en allemand
vachement decu par revox
shema dont la couleur des fils correspondent pas
aucune serigraphie
sur la doc des points test avec des no rien qui decrive ceux ci
autant le matos est repute de qualite autant la doc c est beurrrkkkk
bon les 6.2 - 6.2 et 23v sont presents
Bonjour,
On ne fait pas confiance au forum et donc on pose les mêmes questions sur un autre?
C’est pô bien…
bonjour du tout j essaye de maximiser mes chances de reponses
c est le potage pour depanner ce truc
je l ai achete en conaissance de cause a savoir pas de modulation
il est arrive chez moi et il fonctionnait normalement
puis en reglant le trigger comme sur la notice, plus rien…
je pense a une panne sur un composant de la platine F… ou a une soudure seche
amicalement
Peut-être, mais ce n’est pas la bonne façon de procéder…
Ça pourrait décourager ceux qui ont déjà tenté de répondre.
… j ai un doute sur le shema du mc790
l alim de 4v est sencee etre en pin 4 ? ils se sont bien trompe dans la numerotation ?
On peut effectivement penser à un mauvais contact. Vérifier les connexions entre platines par fils et cosses. Et contacts des touches, notamment « muting ».
Pour s’instruire :
[https://www.worldradiohistory.com/Archive-Catalogs/Revox/Revox-SS-A76-df-ok.pdf]
C’est en allemand ET en français.
merci je vais regarder
pour le circuit mc790 du coup je sais plus quoi penser
dois je me fier au shema ou a l implantation standard d un dip 14 a savoir encoche a gauche et broche 1 en bas ?
j ai fait une mesure a vide sans cette ic sur le support et j ai tuner face a moi
0 0 0 23.5 0 0 0
0 0 0 0 0 1.66 0
sur le compo la broche 1 est marquee mais ya rien sur le support ni de serigraphie
si je me fie a la photo avant demontage j avais 11 alimente en 23.5v ca correspond au fil violet qui est cencé etre en 4v
le systeme marchait avant que tu ne tourne le pot ? oui
ce n’est pas en tournant la pot que tu as remonte le CI a l’envers
donc cela ne doit pas etre cela
salut radiolo oui ca fonctionnait
je me suis juste demande si personne n avait touche cet ic en le remontant a l envers
pour moi la numerotation du shema est fausse
si l’IC avait ete monte a l’envers je doute que le tuner ait pu fonctionner hors il fonctionnait
tu as un pot a verifier a l’ohmmetre et un commutateur
et voir ce qui est en liaison directe avec cette commande
il y a du 23V ?
re
pour le pot c est fait… sans le commutateur 1.15 1.23 ohms
avec 300 ohms a 250k
variation aux bornes 0.03 a 9.9v
pour l ic c est bon il oscille bien avec 19 et 38k
la numerotation est fausse…
pour le reste faut que je trouve ya aucune serigraphie
le 23V arrive ?
Doctsf (Modèles & Marques)
Annonces 


