Oui, Tektro en a utilisé pas mal dans ses oscillos, mais c’étaient plutôt des modèles amovibles sur supports.
Donc souvenirs à moitié bons HI ![]()
C’est quoi ton call autrement ? On a peut être déja fait QSO ?
F6KFN c’est le radio club de INSA
Quand on remet les lettre dans l’ordre, c’est plus compréhensible.
FKN, pas KFN.
Je ne fais que de la CW, par contre, j’entends quelquefois FIT sur le 7 MHz, les très rares fois ou j’écoute.
Sinon, je fais un peu de 50 MHZ, avec un transceiver de construction maison.
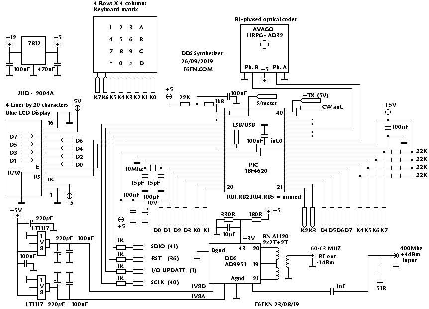
AD9951, PIC18F4620, et PA 80W.
Oups! Dyslexie de recopie .
Je suis rarement sur l’air , plus au fer à souder et aux feuilles de calcul .
La CW j’en fais aussi parfois mais très QRS , surement par manque de pratique .
C’est quoi le DDS que tu utilises sur l’image ?
AD9951, (TQFP48) avec une horloge à 400 MHZ
TCXO 80 MHz et quintupleur à lignes fraisées.
[quote=« Blaireau, post:64, topic:137014 »]
OK AD9951 mon transceiver c’est AD9851 je ne suis QRV que jusqu’a 30 MHz
Le 9951 est un sacré morceau.
De mémoire, il faut initialiser 14 registres pour le configurer au départ.
Ca rallonge un peu le soft, mais on peut l’utiliser jusqu’à 100 MHz sans problème.
Oui j’ai parcouru le datasheet , c’est assez impressionnant Là j’ai mis au propre mon générateur d’horloge SI5351 c’est du carré mais passé sur filtres pass bas il va devenir sinus !
L’avantage il va jusqu’à 220 MHz .
Et pour commuter un anneau de diodes ça fera l’affaire
Pour monter en fréquence, je préfère mélanger, et garder le DDS.
En tout cas, pour le 50 MHz, ce DDS est vraiment impeccable.
Merci pour toutes ces infos !
Je te laisse pour ce soir : XYL a dit que c’est l’heure du film!
Bonne soirée!
Doctsf (Modèles & Marques)
Annonces 
