Bonjour « Garric »,
Le pigeonnier est toujours plein de radios… Depuis le départ de Paul, je me me sens un peu seul à Albi. Les seuls intéressés par la radio ancienne sont des revendeurs sur Internet que la technique n’intéresse pas du tout, seulement les Euros… 
Pour le Grundig 2100, tu peux essayer sur piles, dans cette configuration, une grande partie de l’alimentation secteur et de l’alim extérieure est inutilisée. Cela permettra de voir si le défaut est dans cette alimentation ou dans la partie BF.
Cordialement : jcj
1 « J'aime »
bonjour,Guy
on écarte l’alim secteur pour l’instant donc en mode batterie
comme je pense au début 1ére chose a incriminer finaux bf
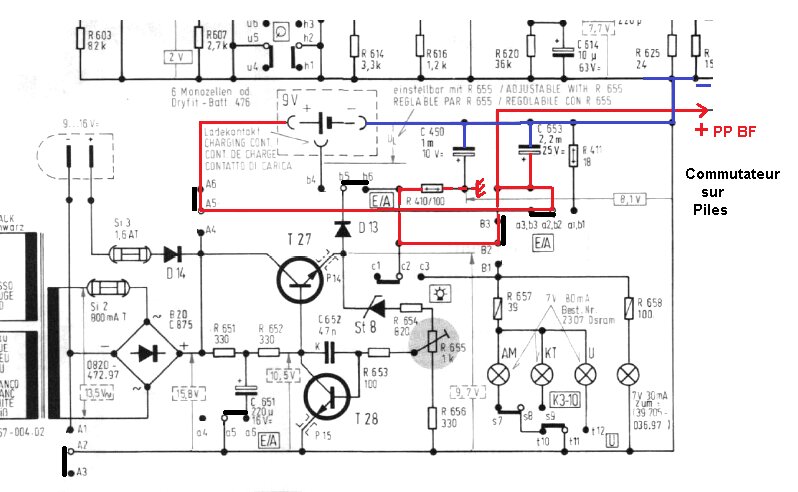
le strap X repéré ci dessous (il a une autre fonction mais pour l’heure il nous sert à supprimer l’alim +9 v sur finaux )
si tôt dessoudé si tôt renseigné 
m^me mieux un des voyant va s’allumer
si c’est cela ?
Désolé Guy et Gilles mais je ne trouve pas ce p…n de strap ou pont repéré X !!
Il doit me crever les yeux ,j’ai pourtant les lunettes !!
IL doit se trouver proche des transistors de puissance,que tu peux localiser en suivant les fils des HP.
Vu sous le T26,je ne cherchais pas là…!
Merci
Le plus dur reste à faire, peut être, le trouver sur le poste
Trouvé le CI et le petit strap X En haut sous le T26
Comment on rajoute, un signe,une modif , sur un schéma c’est compliqué ?
A moi de jouer pour la suite
A+
bonjour,
Tu peux utilisé PAINT
enregistré ton image par exemple dans mes images et l’ouvrir avec Paint
si tu as pas Paint tu peux le télécharger
impect c’est lui
si tu regarde bien le X suit un autre qui sert de pont pour éviter tracé du CI il va à la masse puisque le collecteur de T26 est à la masse
Bonjour,
X est un pont de soudure qu’il suffit de fondre sans démonter la carte BF.
Si en supprimant X, le défaut disparait, c’est certainement les transistors du Push-Pull indiqués par « tournesol » qui sont HS, si le défaut persiste, le gros condo chimique C653 (2200µF) ferait un bon coupable.
Cordialement : jcj
bonjour,
vous avez le poste en vrai c’est le chassis sortie de la façade vue sur le côté?
MERCI
C’est bien le châssis sur le coté :

AH
Voilà encore plus " facile " pour s’y retrouver
sortir le chassis de la façade
merci pour la photo
Sortir le châssis de la façade n’est pas évident, il faut :
- sortir les 9 boutons face avant (simplement tirer)
- sortir le bouton du rotacteur OC (1 vis)
- sortir le clavier de boutons supérieur et la poignée (2 vis du dessus)
- Débrancher et enlever l’antenne et son support (2vis)
- Dévisser les 3 vis du bas (2 dans le boîtier de piles).
S’il faut en plus intervenir dans la BF ou l’alim : 5 vis pour détacher la carte + dessouder les 3 contacts du boitier de pile.
C’est pas des plus simples.
oh que oui
mais bon avec de la patience et de la volonté sa ira pour @Garric12 il est calme et volontaire 
Bonjour
Vous avez attaqué de bonne heure les gars ,on est dimanche !!
@Jardine_Jean-Claude et @tournesol
Merci en tout cas pour vos conseils.
La pression monte JCJ ,je vois que tu connais bien l’appareil !!
Avec la quatre voie,je suis à peine à 1h d’Albi,je me demande si je vais pas venir te dire bonjour !!
et revoir ta belle collection de Philips.
Bonne journée à tous
Fernand
@Garric, Pas de problème, tu peux passer quand tu veux, il fait beau, la route est belle, et on peut bricoler.
niet pas question confinement 1 km à la ronde pas plus 
bon dimanche
@Garric12 Alors, ou en est cette réparation ???
J’avoue que ton problème m’intéresse pour voir (quand tu auras démonté la carte BF) comment est constitué le « Sicherungsfeder ».
Sicherungsfeder = Ressort de sécurité (selon Google Traduction).
Sur mon poste, le ressort est ouvert et la résistance de 47 Ohm a disparue, le tout remplacé par un simple strap.
Si un spécialiste des sicherungsfeders connait la solution et surtout sait à quoi peut servir ce dispositif ? Merci.
Cordialement : jcj
Bonjour à tous
@Jardine_Jean-Claude pas attaqué,d’autres occupation ce Week end…
Et honnêtement je crains un peu ,si c’était pas ce confinement j’aurais fait un saut ,merci pour ton invitation.Tu habites toujours Dénat ?
Je vais quand même regarder et l’ouvrir tranquillement.
A+
Fernand
Bonsoir
Les résultats :
Démontage ok grâce aux indications de @Jardine_Jean-Claude
On voit bien le strap (X) ici que j’ai retiré
Après avoir mis 6 piles neuves.(mesuré 9,3V)
Impulsion sur MA ,chute de tension importante :1,7V

Je vais être obligé d’arrêter là,car depuis quelque temps j’ai des difficultés pour certaines soudures (tremblements…)
Sur un CI je vous dis pas ,je n’ai pas tenté de remettre le strap

Pour
@Jardine_Jean-Claude ,j’ai retiré le CI.On voit très bien le ressort,il est raccordé à la résistance de 47 ohms

A+
Fernand