Grundig Satellit 2100

Bonjour,

Merci, pour les photos.
La panne ne serait donc pas le Push-Pull final. Plus probablement un condensateur chimique.
Si pas dépanné, on verra quand tu viendra dans le Tarn.

Le mystère du « Sicherungsfeder » (ressort de sécurité) reste entier. A quoi peut bien servir ce ressort, quand se déclenche t-il et que peut-il protéger ?
Si quelqu’un à une idée… ?


Cordialement : jcj

Bonjour!
Métal fusible à base température, chauffé par un courant anormal dans la résistance ?

Dans les TV, certaines résistances de puissance avec un contact ressort qui faisait partie de la R.
Le ressort était contraint par un point de soudure, et s’ouvrait quand la soudure était ramollie par l’excès de température sur la R…

C’est certainement cela.
Mais pourquoi protéger la ligne qui alimente le préampli et les drivers du PP ?
A part un court-circuit franc du chimique C621 quel composant HS pourrait faire chauffer la 47 Ohm au point de fondre la soudure ?
Une protection des transistors du Push-Pull serait plus crédible.

Bonjour Jean Claude
Merci pour ta proposition,je l’ai remis en place et rangé les « morceaux » dans une boîte.
On attendra des jours meilleurs …!
Bon dimanche
A+
Fernand

Suite à ta remarque …
Mon Condo.621 a bien l’air un peu bombé ,mais le ressort n’est pas dessoudé !

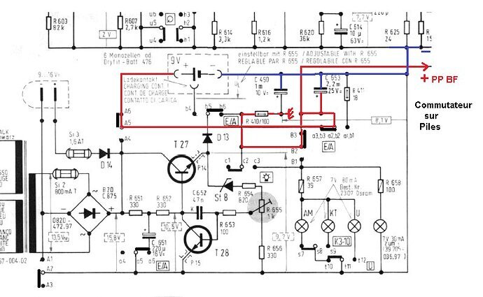
@Garric12, pour ton problème, je soupçonnerai en premier C653, le gros chimique de 2200 µF.

Bonjour. C’est possible, surtout, que quelque soit la source, il est toujours en service.

En effet ,je le vois bien sur ce schéma ,et sur le circuit à côté du strap .
image

Ça vaudrait le coup, de débrancher une patte, et de remettre le jus, rien que pour"lever le doute"!

Tout à fait Guy,mais je suis de plus en plus handicapé pour des soudures au milieu des autres…!
Je fais confiance au neurologue qui me dit que ce n’est pas Parkinson :yeh:
Je vais donc attendre le coup de main de JCJ

Bonjour à tous,

J’ai découvert ce forum par pur hasard et je constate que certains pourraient peut-être m’aider.
En effet, j’ai un Grundig Satellit 2100 en bon état mais il ne s’allume pas (Ni sur secteur, ni sur batteries)
Premier essai : alimentation 220V = Rien
Deuxième essai : Alimentation par les lamelles du compartiment piles (interrupteur batterie activé) avec une alimentation 9V (5A) = Rien
Comment puis-je faire fonctionner ce bel appareil et est-il réparable ?

Merci de vos bons conseils.

NB : je suis novice en électronique.

COX1303

Autre question : Pensez-vous qu’une alimentation d’un Grundig Satellit 2000 serait « Plug and Play » sur mon Satellit 2100 ?

COX1303

Bonjour,

Le schéma de l’alimentation du 2000 est identique à celui du 2100.

Concernant la première question, la première chose à faire est de mesurer les tensions là où vous les injectez et de les suivre dans les différents sous-ensembles, à commencer par le premier d’entre-eux, l’alimentation.

Faites ces mesures et indiquez nous ce qu’il en est.

P. Chour

Bonjour Chour_Pascal,

Merci de vous intéresser à mon problème.
Alors, une fois retiré le capot arrière, où dois-je exactement mesurer ?
Car effectivement, il faut vérifier si le 220V arrive mais tout est bien emboité dans cette radio.
Auriez-vous des photos pour me guider ?
COX1303

Non, je n’ai pas de photo mais vous trouverez le schéma et une photo sur le GrandLivre https://www.doctsf.com/satellit-2100/f13801
P. Chour




Bonsoir
Un mot pour vous dire que mon 2100 fonctionne à merveille, grâce à la journée passée chez Jean Claude au printemps 2021.
J’étais persuadé avoir remercié ici @Jardine_Jean-Claude pour cette « leçon » de dépannage et son épouse pour l’accueil.!!
Après vérification, je l’avais fait par Mail.
Donc c’était principalement le condensateur C653 la cause de cette panne .(plus problème mécanique au niveau du CV des OC )
Courage et bonne chance à @COX1303
Cdlt
Fernand

Bonsoir Garric12,

Merci pour ton message.
Je vais tenté de le contacter car j’aimerais vraiment le remettre en route.
Cordialement,
COX1303

Bonjour,

Avant toutes choses, je souhaite vérifier si le transformateur du Satellit n’est pas HS.
Quelle est la tension en DC que je dois avoir sur les fils entourés en vert ?

Merci.

COX1303

Bonjour,
Je vous ai répondu par MP.

Sur les 2 fils que avez entouré en vert, ce n’est pas du « DC » mais de l’alternatif. Il faut mesurer 13 à 14 V en « AC ».

Pour vérifier si le primaire est bien alimenté, enlever le fusible prise débranchée (je suppose que vous avez vérifié le fusible). Brancher le poste comme s’il devait fonctionner et mesurer la tension entre les 2 bornes qui tenaient le fusible. On doit retrouver la tension du secteur 230 à 240V AC.