Idée de projet (ampli guitare)

C’est bien vrai mais on fait avec ce qu’on a, c’est un petit projet pour s’amuser :wink:

Je comprends, c’était seulement une suggestion pour la sécurité !
DG

voir le post 9 …
ce machin relié au secteur et relié a une guitare dont l’isolement ne doit pas etre normalisé … :japanese_ogre:.tres peu pour moi

pour une fois que je propose un montage sympa et bien détaillé il nous ressort son machin dangereux et pas du tout adapté! (manque un étage préampli!)

C’est effectivement du grand n’importe quoi :cold_face:

Ah désolé, le photo ne se montrait pas pour moi, je vais regarder.
Oui effectivement c’est une tres bonne idée, je vais chercher/acheter des composants

Bonjour. Ici, c’est en anglais mais c’est tout bien expliqué :
https://robrobinette.com/How_Amps_Work.htm

J’ai trouvé ça également, du francophone, plus sur la fabrication d’un clone de champ :

Sans vouloir critiquer sans cesse , le câblage des filaments avec le fil torsadé vert en plein milieu des composants laisse rêveur :rofl:

Ceci … ?

C’est vrai qu’ils n’ont pas pris le chemin le plus court pour l’alimentation des filaments …

D’autant plus que sur le croquis de câblage original ils ont utilisé un seul fil et le retour par le châssis pour le chauffage des filaments

bjr,
le cablage de cet ampli laisse rêveur!
C’est un fouillis inextricable alors que vu le peu de composants on peux faire un montage clair et ordonné…

Celui que j’ai présenté plus haut (l’italien) a été réalisé par un ami pour son fils qui voulais un petit ampli pour débuter…et il fonctionne parfaitement!
Il l’a monté sur une plaque de C.I en verre époxy et fixé dans la caisse du haut-parleur.
Il suffit de respecter quelques règles élémentaires de câblage et ça doit marcher du premier coup!

1 « J'aime »

Bonjour Radioman33 :grinning:
Tu sais ce que donne le son de cet ampli italien??
Je recherche un schéma avec des 12ax7 et el84 pour me fabriquer mon premier ampli à lampes mais j’aimerais me rapprocher d’une conception de type Fender (son clair propre et défini et plateforme à pédales, bref faut pas que ça crunch naturellement quoi :sweat_smile:).
Merci :slightly_smiling_face:

Faut prendre le schéma du Fender 5F2 et changer la 6V6 par l’EL84 en modifiant la résistance de cathode :
https://schematicheaven.net/fenderamps/princeton_5f2a_schem.pdf

Si tu veux des potar de basse médium aigu, se tourner plutôt vers le vibrochamp (avec ou sans vibrato) et la même chose changer la 6V6 par l’EL84 :
https://fenderguru.com/wp-content/uploads/2015/04/vibrochamp-schematic.jpg

Bonjour Toni,
Il y a pas mal d’années, un projet coopératif d’ampli guitare circulait sur le net : AX84. Le site original a disparu. Je te joins le document de l’époque :
AX84_P1_101004.pdf (285,7 Ko)
Je ne l’ai pas monté puisque je possède plusieurs amplis dont un SuperChamp.
JP

En fait ça dépends de ce que tu veux, un ampli plus avec un son Fender avec des basses bien présentes et rondes, et la contre réaction te rendra l’ampli plus clean (schéma 5F1 5F2). Ou un son plus Marshall avec des basses plus sèches, plus de saturation du 2ème pré-amp car l’égalisation est après, et pas de contre réaction (schéma AX84 ou schéma plus haut de radioman33).

Effectivement tout est dans ta remarque. Une autre piste, le petit Vox AC4 ?

Ca ça me plait :grinning: :pray:

Merci MJPP :pray:
Tu sais de quoi ça se rapproche niveau sonorités ça? :thinking:

1 « J'aime »

Bah du coup 5F1, 5F2 :smiley:

1 « J'aime »

En effet j’avais aussi pensé au vox ac4 avec en pré-amp la EF86. On peut pas faire plus simple comme ampli. Pareil on peut le faire sans vibrato.
http://www.diyitalia.eu/download/file.php?id=14629&sid=57870ba44c30cf0b4a664323ffc81a42&mode=view

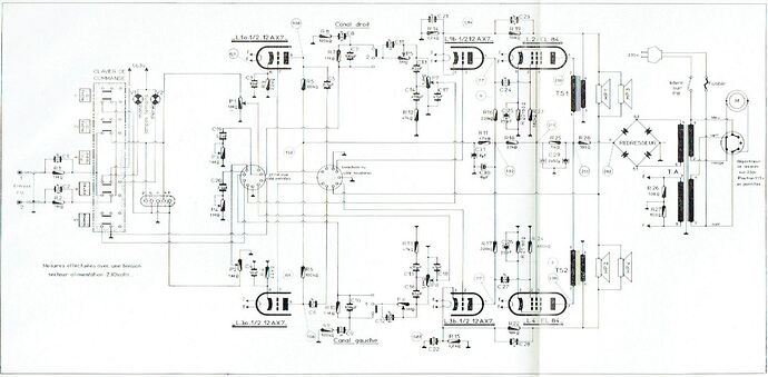
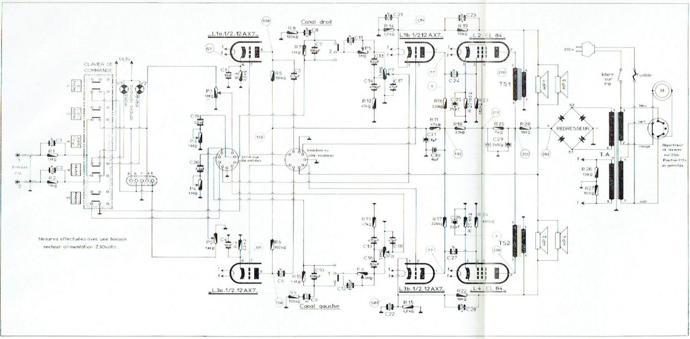
Je vais faire un état des lieux des composants de mon électrophone (voir schéma ci-dessous) et de leur état et étudier tout ça pour partir sur un Princeton ou un Vibrochamp :slightly_smiling_face:

Merci pour votre réactivité et la richesse de vos réponses les copains! :pray: