Bonsoir,
J’ai déjà dû le dire sur ce forum, mon truc pour polir de la peinture ternie, du vernis, du métal, ou même du plastique, c’est le Miror. Merveilleux produit traditionnel!
pour la peinture ternie essayer aussi l efface rayure" Abel autos" bon resultats
Ah oui, je connais aussi. Ca marche très bien, peut-être mieux que le Miror, c’est fait pour…
le mirror marche bien aussi, mais la formule du produit a changer et sur la bakelite le resultat laisse parfois a desirer
J’utilise le produit qu’on avait au boulot pour entretenir les plexiglas d’hélico. C’est de l’altupol.
Tous ces produits sont des abrasifs très fins. Ils polissent et redonnent du brillant sur les métaux et plastiques durs.
Bonjour,
Combine N°8 (elle est pas de moi celle là, source Elektor mars/avril 2019)
Vous avez un tas de piles AA ou AAA, mais rien sous la main pour savoir si elles vides ou pleines.
Il suffit de les laisser tomber d’une hauteur de 20cm environ sur une surface dure, les vides rebondissent mais pas les pleines.
Essayez, vous verrez !!!
cdt,
gérard
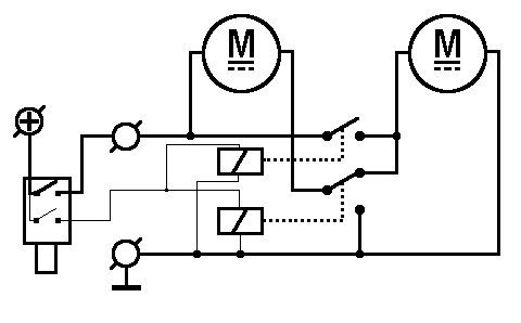
Ventilateurs à 2 vitesses.
J’ai voulu installer une ventilation additionnelle sur l’évaporateur du frigo de mon camping-car.
Mais je voulais deux vitesses.
Le schéma ci dessus permet de faire fonctionner deux ventilateurs 12V en série ou en parallèle simplement avec un inverseur bipolaire.
On obtient ainsi deux vitesses.
Au final, j’ai rendu l’opération automatique en remplaçant l’inverseur par un relais commandé par une sonde de température.
En été le fonctionnement du frigo s’en trouve bien amélioré…
cdt,
Gérard
Il s’agit du condenseur, l’évaporateur,étant dans le freeser. C’est vrai,c’est très efficace,mais les seuils de départ,et d’arrêt, pas toujours faciles à régler, car trop de refroidissement, nuit également au rendement.
Oui, j’ai inversé évaporateur et condenseur, merci d’avoir rectifié.
Sans ventilateur, mon frigo perdait la boule au dessus de 35°C.
Nous en avons fait l’expérience au sud de Lisbonne…
cdt,
Gérard
De toute façon, les frigos a absorption, montrent vite leurs limites dès que la température ambiante,dépasse les trente degrés. Dans ces conditions ,il ne faudrait plus les ouvrir! Ils fonctionnent suivant un Delta par rapport a la température ambiante,au fur et a mesure de la montée, il reste le même, mais la température dans le frigo, suit, et, passé un certain seuil, ils ne fait plus de froid. c’est là, que le ventilateur intervient,et, fait gagner quelques degrés,mais,pour les miracles,ce n’est pas suffisant. Tous les utilisateurs de CC, ont les mêmes problèmes!!
J’ai une astuce qui peut dépanner. Lorsque vous avez une rayure sur une plaque vernis, peinte ou sur certains plastiques (également sur du verre organique), vous pouvez essayer d’appliquer du dissolvant pour rouge à ongle avec un coton tige. Attention cela ne fonctionne pas sur toutes les matières. J’ai déjà utilisé cette astuce avec succès sur un meuble dont le vernis était rayé, sur le verre organique d’une montre Casio, etc…
« le verre organique » , c’est juste une expression pompeuse pour ne pas dire « plastique ».
Terme , en général ,commercialement dévalorisant. A tort à mon avis !
Joel8 nous sommes d’accord 
C’était surtout pour rappeler que mon astuce fonctionne sur les couvercles de montre en cette matière.
Une combine toute simple (et toute fraîche).
Comment savoir si un transfo d’alimentation est bien alimenté et fonctionne ?
Il suffit de tenir a la main un petit aimant néodyme et de l’approcher des tôles, on sent très bien la vibration à 50Hz, ce qui confirme que le primaire est bien alimenté…imparable !!
Je viens de faire cette expérience car j’avais la flemme d’attraper le multimètre, il fait chaud aujourd’hui…
Je suis sur un magnétophone antique à lampes de marque AMPEX modèle 1251 qui ne s’allumait pas.
En fait le problème venait du transfo 230/115, mauvais contact sur les bornes, l’aimant n’a pas menti…
Cdt,
Gérard.
Dans la même veine voir aussi l’article « le fainéant dépanne » dans le numéro 69 de la revue « Toute la Radio », avant guerre, voir ici page 341 : http://retronik.fr/revues/toute-la-radio/1940/TLR069_01-1940.pdf
— Tiens, tiens… C’est exactement le même schéma qui est utilisé sur des voitures pour le refroidissement des radiateurs avec 2 ventilateurs ! J’ai eu l’occasion de le voir sur des Peugeot !
— Au repos du relais, les ventilateurs sont en série → petite vitesse, et quand le relais est collé, les ventilateurs sont en parallèle → grande vitesse ! Mais il est construit avec des relais auto simples : un avec un contact simple et l’autre avec un contact inverseur R/T ! Voici comment :

— Le thermocontact comporte 2 contacts : l’un assez gros, permettant de supporter le courant de démarrage des 2 ventilateurs en série (déclenche vers 90°) et l’autre plus petit juste pour commander les relais (déclenche vers 105°) !
—
On pourrait utiliser ce schéma pour des ventilateurs de PC, tiens !
— N’importe quel aimant peut faire l’affaire, du moment que ce soit un aimant !
*** Au passage, j’ai bien aimé l’astuce du perçage de trous carrés avec un bâton de soufre sur un fer porté au rouge :
(Je pense que c’est comme ça qu’ils devaient faire au Moyen Âge, vu qu’ils se forgeaient des clous carrés, pour fixer de grosses pentures sur de lourdes portes de chêne !)
— Je la garde “sous le coude” ! ***
— Perso, pour faire un trou “carré”, je perce à un Ø légèrement plus petit que la diagonale du tire-fond (de son épaulement carré, sous la tête) et je pratique à la lime 4 crans dans le trou : c’est aussi efficace, surtout sur tôle mince ! Voici comment :

— Cordialement !
la combine du soufre…
a faire dehors avec une pince a linge sur le nez…
cela doit fonctionner, la reaction sulfuration du fer etant exothermique
dans ma jeunesse j’avais tenté une recette de cet acabit pour fabriquer de la galene
sans trop de reussite quand a la sensibilite, il devait manquer les perlimpinpins que Mère Nature ajoute discretement pour que la galene fonctionne bien
Le perçage des pentures se faisait en même temps que le forgeage de celles-ci , quand le fer est au rouge/blanc , on perce avec un burin ,à coups de marteau.
Doctsf (Modèles & Marques)
Annonces

