Modifier une mire en modulateur..

Bonjour…
Je crois que c’est possible.Le but serait de modifier une mire Sider « Novamire Type D » en modulateur…
Coté video ,bloquer la génération des barres et tops de synchro et injecter au bon endroit ,un signal issu d’un lecteur DVD,coté son ,bloquer le générateur 1KHz et injecter a la place le signal BF.
J’ai fait une tentative cet aprem,sans succes…


04066159-7FCB-4413-8E15-E58F8643FE65.jpeg
J’ai tenté avec un signal video a l’entrée du rectangle « modul » ,sur le schéma synoptique ,sur la pentode de l’ECF80, V4,apres le commutateur modulation positive ou négative…
Pourriez vous me conseiller sur la maniere de proceder…?

Hello,

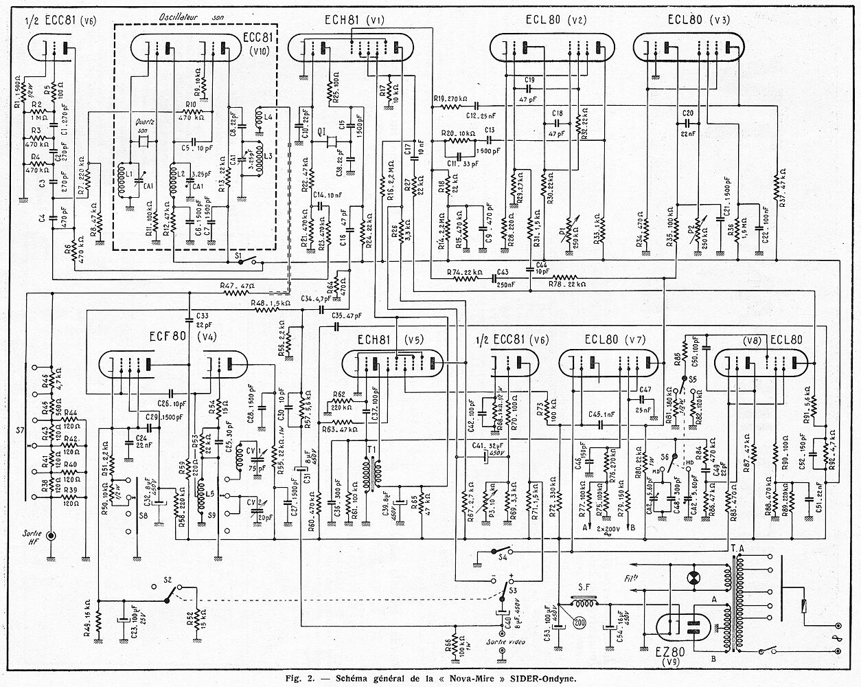
Le schéma est très peu lisible (il faudrait augmenter la résolution).

Question : cette mire est-elle bien « muette » (sans signal audio du tout) ?

Dans l’attente d’avoir l’avis de notre expert marceljack et comme il me l’a appris, j’aurais personnellement tenté d’injecter un signal composite avant l’étage d’amplification vidéo en prenant bien soin d’utiliser un condensateur de 10uF pour éviter le courant continu sur ce point d’entrée.

Capture d’écran 2021-02-13 à 20.00.23.jpg

Et il faut s’interroger : est-ce que niveau de signal vidéo composite normalisé à 1 ou 2Vcc va convenir ou bien doit-on exploiter une tension supérieure ? Je ne vois aucune indication ou relevé de mesures sur les schémas.
De plus, on observe qu’il y a un inverseur de polarisation ainsi qu’un traitement distinct entre le 625L et le 819L ce qui pourrait compliquer les choses.

À suivre, donc… :wink:

Bonjour

La Nova mire Sider Ondine modèle 4 D
A une possibilité de 800 Hz interne
Que l on entend dans le tv

Effectivement la mire à un générateur de signal audio interne et il doit suffire de couper une liaison de ce signal au modulateur pour le remplacer par un signal audio externe. Mais la résolution du schéma est insuffisante pour y voir clair.

Pour la vidéo il faudrait regarder le signal sur la sortie vidéo, si c’est un signal vidéo positif d’amplitude inférieure à 2V quand on est en modulation positive, on peut remplacer le signal interne de la mire en retirant le condensateur de liaison C40 et injecter un signal vidéo externe sur les bornes de la sortie vidéo.
Selon le niveau nécessaire on mettra ou pas une résistance de 75 ohms ou plus en parallèle sur l’entrée vidéo.

Hello à tous,

Merci à marceljack pour cette indication. Je en suis pas très à l’aise avec les tubes (« lampes »), ancêtre des transistors. :unamused:

Bonjour et merci pour vos réponses.Voici le schéma en meilleur résolution ,j’espere…


Pour la video,c’est ce que j’ai fait ,mais je crois que j’ai envoyé le signal dans le mauvais sens… :confused:
Pour le son,l’oscillateur est modulé a 1KHz par la demi triode V6 en haut a gauche…
Il y a un inter « son » S1 ,sur la mire mais il coupe l’oscillateur,pas la modulation,si je vois bien…
Je ne sais pas trop si je dois injecter le son,apres avoir coupé l’alim de la plaque de V6,sur la grille de la triode de la mélangeuse V1 ,via R23 et C14 ou plutot sur la grille de la 2emme triode de V10 ,via R7 de 220 K…

Comment dans le mauvais sens ? La masse à la place de l’entrée "signal " ?
Avez-vous un oscilloscope pour voir la forme du signal vidéo interne sur la sortie vidéo en mode « mire » ?

Effectivement on ne voit pas bien ce que va faire le 1 kHz sur la grille de la triode de V1 (qui si je comprends bien est l’oscillateur de la porteuse vision) en plus de la grille de la 2ème triode de V7 …
Le plus simple est d’essayer.

PS: sur quel canal fonctionne cette mire ?

Bonjour à tous,
Je suis ce sujet avec un grand intérêt parce que je pense que l’idée de passer par la mire pour injecter le signal vidéo est génial, notamment pour les téléviseurs N&B de première génération.
Je possède ce modèle de mire mais je n’avais pas le schéma et je vais tenter d’expérimenter les modifications que vous préconisez.
Cordialement.
P. ODIN

Pour la mire GX 956 METRIX, certains exemplaires avaient un strap entre la sortie CVBS interne, et les remodulateurs, le strap faisait aller le signal CVBS vers la sortie BNC CVBS de la mire, et les modulateurs. En enlevant le strap, cette liaison était coupée et aucun signal de mire ne sortait. On pouvait entrer une CVBS externe sur la BNC dévouée, normalement à la sortie CVBS de la Mire.

La CVBS externe faisait le sens inverse, et allait sur les modulateurs UHF et VHF de la mire, mais ça ne concernait QUE LA VIDEO.

Car on remodulait, ainsi la vidéo externe, mais on conservait le 1000 Hz ( commutable ), audio généré par la mire avec modif de l’ ecart image/son( 6,5 Mhz ou 11,15 Mhz ), normes E/L/L’

Bonjour
Voici la notice complète de la nova-mire modèle D
ahp.li/b9555789b04b0d3f575e.pdf
excusez la qualité des scans, mais c’est un format « bâtard » et la doc date de 1955 et a fait plusieurs ateliers avant d’atterrir entre mes mains.

Pour injecter du son, on peut entrer sur la grille de V6 (broche 2) mais avec un niveau assez élevé.

Contrairement à ce que je pensais, apparemment on peut injecter une source vidéo sur la sortie vidéo sans ôter le condensateur C40 :wink:
modulation est nova-mire.jpg

C’est vrai qu’on peut utiliser la sortie vidéo en entrée en mettant tous les réglages d’amplitude de barre et de synchro à zéro. Mais comme il faut un signal video d’amplitude 4 à 8V càc, ce n’est pas vraiment pratique pour utiliser une source moderne standard.
C’est pourquoi je pense que l’utilisation de cette mire en modulateur est peu pratique, surtout si on dispose d’un modulateur norme L et d’un TV muni de toutes ses barrettes (ou au moins celle du canal F11).
Dans ce cas sur ce canal le TV recevra le canal L9 pratiquement sans retouche du réglage fin d’OL:

Merci pour toutes ces explications…!
C’est donc faisable,mais un peu compliqué…Quelqu’un en parle sur son site,en disant qu’il fallait prevoir d’adapter les niveaux,son et video,mais sans developper .
C’est vrai que je possede un modulateur et que je ne sais pas m’en servir…mais ce n’est pas la seule raison qui m’a poussé a ouvrir cette discussion… :slight_smile:

Je t’ai donné une marche à suivre dans ce post, as-tu essayé ?

Oui,Jacques…bien sur,j’ai commencé a m’y mettre puis je suis parti sur cette histoire de mire,puis démonté les barrettes du rotacteur ,a la demande de Mr Halphen.
Puis fait mon rapport sur les deux forums…ca passe vite un WE…! :mrgreen:
Durant la semaine qui vient ,je n’aurai plus trop de temps pour mes bidouilles…
A plus et merci!

Pour la GX 956 METRIX, on respecte les impédances et les niveaux CVBS conventionnels 1V Crete/75 Ohms, qui sont ceux aussi du SCART, norme NFC 92250 des liaisons CVBS des prises Péritel.

Mais on ne peut pas moduler une audio externe. On ne peut que se, contenter QUE du 1000 Hz fabriqué par la GX 956.

Le modulateur de la mire GX 956 utilise les canaux UHF 24 à 31, réglable par potard, pour l’ UHF, et pour la VHF, tous les canaux VHF Bande III, entre 165 et 215 Mhz.

En fait il faudrait un montage à transistors (au moins deux) pour amplifier le signal par 4 (voire 8 ) sans l’inverser.
Pas si simple car cela nécessiterait une mise au point.

Utiliser ce modulateur est sans aucun doute beaucoup plus facile, plus pratique et moins encombrant que d’ajouter à ta mire ce montage amplificateur bricolé au résultat incertain.

Je pense que l’idée d’utiliser une mire comme modulateur mérite d’être approfondie; j’ai trouvé le schéma d’un ampli vidéo qui pourrait convenir pour augmenter le niveau du signal vidéo (multiplication du signal X5).

Bonsoir Odin
Et il est où le schéma :question:
Cordialement

Bonjour,
Oups, je n’ai pas vérifié si le fichier joint était bien pris en compte avant d’envoyer le message.
Amplificateur Vidéo X5.pdf (27.1 KB)
Le montage à partir d’un circuit LH0024 est alimenté en 12 volts et requiert peu de composants.

Effectivement ce type de montage n’est pas très compliqué et pourrait se justifier si on veut envoyer un signal 819 lignes avec une bande passante de 10 MHz sur un vrai canal norme E.
En espérant que le montage proposé est stable et a effectivement cette bande passante et que la partie modulateur de la mire a encore ses performances initiales…
Encore faut-il disposer d’un vrai signal à 819 lignes (càd pas obtenu par « upscaling » d’un signal 625 lignes) …
Et comme il n’y a pas de 12V continu dans la mire il faudrait ajouter une alimentation externe …

D’après ce que j’ai compris le TF1705 de Dubus a été modifié en monostandard 625 lignes et c’est ce type de signal (avec une bande passante native de l’ordre de 5 MHz) qu’il voudrait afficher.
Dans ce cas je pense que le modulateur norme L double bande dont il dispose donnera de meilleurs résultats en le calant sur le canal L9 et en le recevant sur le canal F11 du TV que le même signal via ce montage et le modulateur de la mire. Et avec beaucoup moins d’efforts et de coût additionnel.
Je pense qu’il en serait de même avec un signal 819 lignes obtenu par « upscaling » d’un signal 625 lignes.