Panne ducretet thomson L 325

plus que surement resistance morte comme elle est dans le retour de HT > pas de HT

Bonsoir Radiolo ,
c’est pour cela que je n’ai pas les 160V ?

oui la consequence est pas de HT

enfin une bonne nouvelle ,cette résistance ne laissait pas passer le courant , je m’en suis aperçu et en la démontant j’ai vu qu’elle était coupée . j’en ai commandé une chez Conrad elle devrait arriver peut être samedi celle ci et quelques autres qui avaient des valeurs trop grandes genre 2K au lieu de 1,5k , du coup peut être maintenant sa remarchera .

Ou bien : l’ai je coupée en la démontant ??? :thinking:
Le doute pourrait m’habiter…
Ils sont fragiles ces bestiaux !

Bonsoir Jackoe ,

si elle ne laissait pas passer le courant avant de la démonter c’est qu’ il y avait un souci logique ou pas ?
cordialement

Bonjour,

Effectivement c’est une très bonne nouvelle et en attendant sa confirmation, je reviens sur ce Ducretet L124 assez similaire qui a été relaté dans ce sujet. Il y a quelques différences que j’ai constatées par rapport au schéma "constructeur " non d’origine Ducretet Thomson: R15 ne doit pas faire 180 Ohms mais bien 100 Ohms car une 180 Ohms remplacée à cet endroit chauffe énormément ;R9 de 330K est en fait une 44K ; R8 de 330K n’existe pas et d’ailleurs ne figure pas dessinée sur le plan. Sur mon poste, j’ai changé toutes les résistances sauf R11 et R5.

Par ailleurs, sur le châssis d’une restauration d’un L124 présenté plus haut via un lien, nous pouvons apercevoir une prise PU :

mais le carton arrière présentant à cet endroit sur sa droite des découpes circulaires très grossières a attiré mon attention:

CARTON

En fait, à l’origine, il y a à cet endroit un simple cache prise comme celui fixé sur mon L124:

C’est donc dans cette présentation ,une « option PU » non d’origine dont il serait très intéressant d’en connaître les connexions.

Voici maintenant mon L124 remonté dans son boitier équipé d’un nouveau protège cadran dont il est toujours très délicat à faire l’entourage en peinture dorée qui sert à masquer l’affreux mécanisme du tambour rotatif que l’on voit très souvent sur les postes qui n’ont plus leur protège cadran. Cette bordure dorée, pas facile à effectuer correctement , est certainement le détail le plus important à surtout ne pas omettre quant à la restauration de ces Ducretet.

Cordialement.

Patrick.

Oui. :pensive:

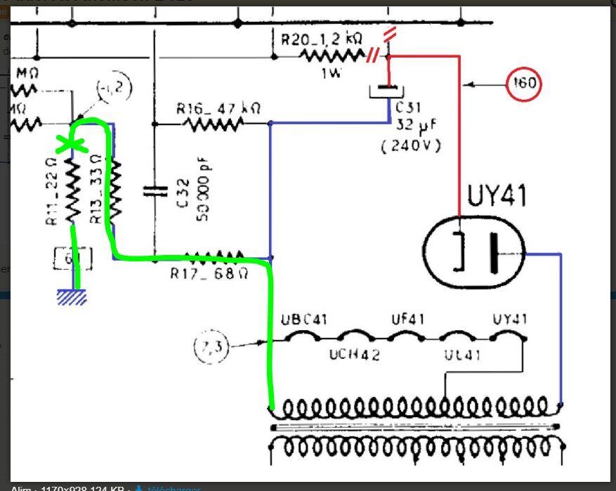
Tu nous avais caché la rupture de cette résistance R11 comme les 2 autres R13 et R17, ce qui n’empêchait pas les lampes de s’allumer , elles sont dans le même circuit et elles ont une autre fonction …?

c’est une des R de polarisation par le moins

Bonjour Roger ,
Je ne m’en suis aperçu que très récemment .
Cordialement.

Merci Radiolo ,
Avant votre explication je pensais que le Négatif se faisait directement sur le transfo puis sur R11 pour d’autres raisons (comme le chauffage par exemple) , j’ai un peu de mal car je suis plus habitué à l’électricité bâtiment les schémas sont différents .
Peut être je reçois mes résistances ce matin , je les changes , je teste mes tensions , y a t’il autre chose à contrôler pour ne pas prendre de risques avant de faire des essais plus longs ?
Cordialement .

Bonjour,

Il ne devrait rien avoir d’autre à contrôler puisque ce poste a été entièrement révisé.

Bonne continuation.

Patrick.

Je sens un désabusement certain de la part d’au moins un intervenant… :roll_eyes:

Bonjour tout le monde ,
j’ai remplacé R11 et maintenant je trouve 182 VDC sur la cathode , entre le négatif de C31 et la borne de R17 je n’ai pas les 7,3V je trouve 4,5V .
le poste s’allume il y a un léger grognement et je ne reçois pas de stations , quand je change de bande cela produit un bref craquement j’ai aussi remarqué au bout de quelques secondes d’essais que UL41 chauffe beaucoup plus que les autres .

Cordialement .

Le poste a retrouvé sa HT ainsi que sa BF. Il faut faire un essai également en Grandes Ondes sur RTL car sur le lien ci-dessus, il semblerait que l’essai ait été effectué seulement en PO/OC. En ce qui concerne l’UL41, c’est la lampe qui chauffe le plus et il est normal qu’elle soit brûlante… Ne pas éventuellement oublier de connecter l’antenne…

j’ai mis un lien un peu plus long ici ou l’essai se fait aussi en GO.

Merci Patrick ,
à votre avis il n’y a pas de problème particulier ? , pour l’antenne est ce que un fil électrique de quelques mètres branché dans la prise antenne suffit ?
Cordialement.

C’est normal, elle deviennent brûlantes en fonctionnement les pentodes finales BF comme cette UL41, de même que les redresseuses, UY41 dans le cas présent.

Pour recevoir quelque chose il faut naturellement connecter une antenne sur la douille correspondante, un bout de fil déployé de 5 à 10 mètres de long …

Merci Jeanmonod ,
je vais essayer .