Panne ducretet thomson L 325

Bonsoir
Excuse moi mais la radio est une technique et en appliquant la loi d’Ohm pour les tensions et les courants, la base fondamentale c’est une question de raisonnement ???
Tu n’as pas de tension négative (le -7,3V) sans un courant circulant dans les lampes puisque la UY41 ne le fourni plus

Merci Roger ,

je me dis qu’il marchait avant qu se condensateur ne claque , je vais attendre mes lampes et je vais refaire un essais avec un peu de chance ça ira , je vous tiens au courant .

Cordialement .

Bonjour tout le monde ,
j’ai reçu ma nouvelle UY41 et mes condensateurs C31 et C32 j’ai remplacé le tout et pareil pas de haute tension et pas les 7,3 V .
Par contre en cherchant un peu au niveau des résistances j’ai trouvé que sur R11 le contact avec la masse ne se faisait pas , il y a deux petits cerclages avec les connections un des deux a cassé ce qui faisait un faux contact et quand je la teste après démontage elle donne 40 ohms au lieu de 22 R 13 aussi a une valeur un peu forte .
est ce que ça vous parle ?

Cordialement.

Personne ne peux m’aider ?

Bonjour,

Tout d’abord, bienvenu sur le forum de Doctsf puisqu’il s’agit du premier sujet d’un nouveau membre issu du forum de Radiofil.

Effectivement, les cerclages aux extrémités de ces résistances sont de véritables sources de faux-contacts surtout si auparavant ils ont été un peu triturés. Dans le cas de ce L 325, il faut changer R11 qui est l’une des résistances de polarisation mais en ce qui concerne cette persistante absence de haute tension, je ne sais pas.

Je suis actuellement entrain d’effectuer la révision d’un Ducretet Thomson L 124 qui a le même jeu de lampes et également ce même genre de « résistances -pièges ».

En vérifiant certaines tensions, j’ai eu la surprise de constater des valeurs bien trop élevées sur l’ UL 41: l’anode = 193 Volts au lieu de 150 Volts; G2 = 164 Volts au lieu de 132 Volts. J’ai trouvé assez rapidement l’origine de cette suralimentation qui venait de R15 de 180 Ohms (qui sert à l’alimentation de la plaque du redresseur UY41) qui est très curieusement descendue à 103 Ohms :

En matière de différence de valeur, je suis plutôt habitué à l’inverse c’est à dire à une augmentation de valeur comme d’ailleurs j’ai constaté sur R3 de 82 Ohms qui a dérivé à 101 Ohms ce qui a eu pour effet de trouver à l’une des extrémités de cette résistance -9,07 Volts au lieu de -7,1 Volts . Une fois R15 et R13 changées j’ai maintenant 170 Volts sur la plaque de L’UY41 et - 7.74 Volts sur R13, l’autre extrémité de R13 étant restée dans les deux cas à -1,9 Volts pour -1,8 Volts sur le schéma. Maintenant il me reste pas mal de résistances « cerclées » à vérifier.

Par ailleurs, comme je le disais il y a peu de temps sur le forum de Tsf-Radio, je trouve que le plus délicat sur ces Ducretet-Thomson à cadran rotatif c’est de changer le tissu du HP et surtout le fragile protège cadran des stations que l’on trouve souvent abîmé ou carrément absent. Voici une image de mon L124 en cours de révision avec un nouveau tissu de HP et un protège cadran que j’ai dû fabriquer car celui d’origine était absent:

La photo du crash de l’avion est celle que j’ai mise sur une antenne cadre bien abîmée.

Bonne continuation.

Patrick.

Bonjour,
@PAT54
Mon Radio L124 – Ducretet Thomson
Restauré en 2013
Avant :


Après :

Le Lien :
http://tsf-schoser.e-monsite.com/pages/restaurations-6-aout-2013/radio-l124-ducretet-thomson.html
Bonne Journée…
Amicalement,

1 « J'aime »

Merci Patrick ,
J’ai aussi trouvé d’autres résistances qui n’avaient plus leur valeurs correctes je vais les remplacer il s’agit de R2 ; R5 ; R11; R10 , R14 dans le cas de R10 et R14 de 1,5 méga je trouve 2 méga .
Roger m’avait dit que la haute tension cela venait de la valve Hs du a un court circuit , je l’ai remplacée et en allumant 3 secondes 0V, je ne trouve pas se court circuit ou alors la valve que j’ai acheté est morte aussi , là je ne sais pas quoi faire ni où chercher , je suis bien embêté . j’essaye un maximum mais je suis limité , pas assez d’expérience et de connaissance , si je pouvais trouver un réparateur dans le coin qui me dise ou est le mal ça m’aiderai beaucoup .
Cordialement.

Bonjour,

Effectivement , à ce stade il vaudrait mieux trouver un réparateur pour ce L 325 car l’issue de cette réparation est très incertaine et surtout, l’addition commence a être salée avec ce nouveau redresseur UY41 de flingué; afin d’éviter cette mésaventure assez onéreuse,c’est dans ce sens que j’avais préconisé un essai avec une simple diode 1N4007 par exemple puisque c’est uniquement le fusible cathode du redresseur qui est HS; le filament n’étant pas coupé , la continuité du circuit de chauffage est donc assurée; cependant, il est évident que cela demande tout de même quelques connaissances techniques supplémentaires.

En ce qui concerne la restauration de ce L124 que j’ai regardé sur le lien indiqué plus haut, effectivement nous pouvons constater qu’il y a eu beaucoup de travail d’effectué. J’ai remarqué que le tissu de remplacement est du même ton que celui que j’ai mis sur mon L124 et je trouve que le plus difficile dans ce remplacement, c’est de refixer correctement le bandeau doré inférieur car il faut que les minuscules petits clous soient bien enfoncés car autrement la partie supérieure du protège cadran des stations ne pourrait plus rentrer dans la glissière. En ce qui concerne ce cache cadran, il faut également refaire l’entourage doré qui sert à masquer certains éléments mécaniques du châssis qui ne sont pas très esthétique à voir surtout lorsque le poste est éclairé; cette opération est certainement le point le plus délicat de la restauration de ces Ducretet à tambour rotatif.

Des Ducretet Thomson, j’en ai déjà pas mal avec ou sans cadran rotatif; voici ceux que j’ai dans ma maison de la région parisienne:

Sacs à main

et voici ceux que j’ai dans ma grange à la campagne; ils sont regroupé sur le meuble où il y a l’avion:

Le C7, à gauche au milieu de la pile des trois postes étant à mon avis le plus compliqué à réparer et également doté du châssis le plus lourd que j’ai eu à manipuler.

Cordialement.

Patrick.

Bonjour Jeans
Comme sur l’autre forum nous n’avons plus de contactes , il faut être patient .
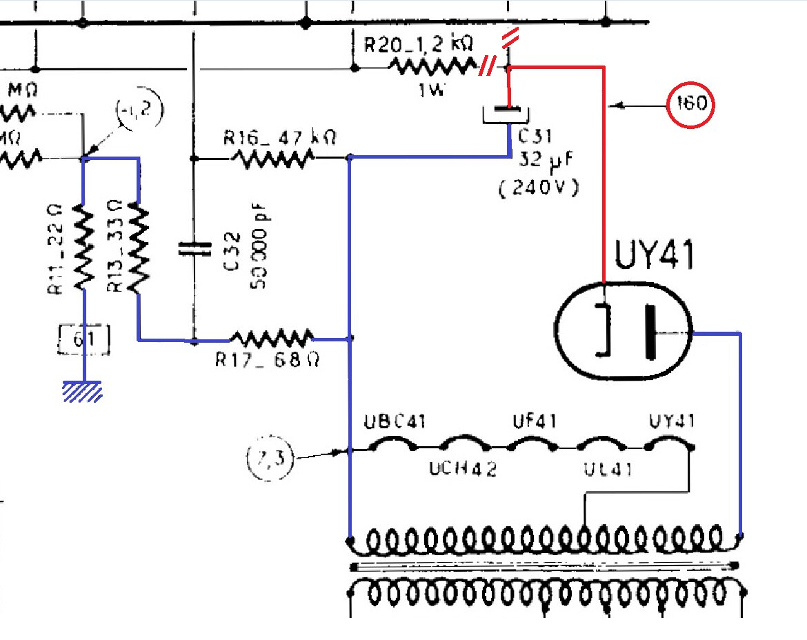
Il peut y avoir des résistances changeant de valeur , ce n’est pas la cause de ton problème, la cathode de la UY41 qui se situe à droite du filament reliée au tube du support central où se trouve R 20 , 1k2 pas 1w mais 3 où 4 w, tu dois trouver plus de 160V continu , ce que je ne comprend pas , sinon le support serais défectueux, où la plaque de l’autre coté des filaments ne reçois pas les 160V alternatif venant du transfo ;
Cordialement
.R M

Belle collection de Ducretet celle de Patrick, je n’en ai qu’une dizaine


Celui qui m’a donné le plus de travail est bien ce De Gialluly 11 gammes +FM et11 lampes , remis en état sans aucun schéma appareil de 1952 , le fabricant ayant disparu en 1953
Désolé pour la photo

Bonjour,

Le voici après redressement ce très complexe De Gialluly à 11 gammes + FM :

Je me souviens d’avoir lu sur ce forum la réparation de ce poste très particulier, réparation rendue encore plus difficile par l’absence de schéma.

En ce qui concerne ce L325, je suis assez perdu car je ne comprend pas l’absence de HT redressée et je pensais au début de ce sujet que cela pouvait provenir du fusible cathode du redresseur UY41 HS à cause du condensateur de filtrage monté à l’envers ; cependant, il doit y avoir un gros problème quelque part car le redresseur de remplacement est déclaré également HS…

Cordialement.

Patrick.

Merci Roger et Patrick ,il me semble que du coté alternatif j’ai plus que 160 V presque 200 V , je vais regarder de prés le support quand a UY41 je n’ai aucun moyen de savoir si elle est morte ou pas se sont des hypothèses , il est tout a fait possible qu’on m’ai vendu une lampe morte enfin je suppose .
J’ai aussi changé la résistance 1,2 kilo

petite question , comment je contrôle le support ?

Bonjour,

Pour vérifier le support d’une lampe, les broches de la lampe dépassant légèrement du support du côté du câblage, il suffit de vérifier s’il y a bien une continuité entre chaque broche et sa patte de connexion du support; les pattes de connexion ayant du jeu, c’est à dire qui bougent beaucoup, sont à suspecter; si le poste fonctionnait auparavant, ce jeu excessif peut se produire à la suite du dessoudage d’un composant surtout si les fils de connexion ont été très entortillés autour de la patte de connexion au moment du montage du poste. Ces faux contacts, ou même carrément des courts circuits, proviennent principalement de la grande chaleur dégagée par certaines lampes comme le redresseur mais surtout par la lampe finale ; Les « sockets » rimlock en bakélite des tubes EL ou UL 41 sont ceux que j’ai les plus changés; il y a aussi ceux des lampes transco. mais c’est une autre histoire…

Sur la photo de ce châssis, il semblerait que la connexion du bas de résistance de puissance en « ciment » de 1K2 de filtrage soit soudée à la « cheminée » c’est à dire la grosse broche centrale de la lampe; si tel est le cas, il faut que cela soit impérativement une cosse relais non connectée à la masse. L’ensemble des condensateurs changés sont du type " plaquette céramique monocouche"; pour ma part, je n’ai jamais utilisé ce type de condensateur en radio à lampes mais cela ne doit avoir certainement aucune importance sur le fonctionnement d’un poste si les tensions de service sont respectées.

Cordialement.

Patrick.

Bonjour Patrick ,
la 1,2K est en effet reliée à la cheminée et à la borne cathode là ou il devrait y avoir 160V elle n’est pas reliée à la masse .
du coté anode là ou arrive le AC (si j’ai bien compris) j’ai 200v AC sur la borne anode et la masse , du coté cathode entre sa borne et la masse en DC j’ai 0,4V .
En enlevant les fils du plot cathode ainsi que le pont qui va de la cheminée au plot cathode donc plus rien sur la cathode j’allume 2 secondes et j’ai 3V DC.
au niveau du support j’ai fait comme vous avez dit en ohmmètre avec signal sonore pour faire les continuités les plots sont Ok .
Roger pense que c’est la valve qui était morte , je l’ai remplacée mais est ce que la nouvelle valve aurait pu claquer en 3 secondes le temps de prendre la mesure le jour ou je l’ai installée ? , en ce qui concerne les condensateurs , il a eu marché comme ça très bien d’ailleurs pas longtemps mais très bien .
je n’ai pas encore trouvé de réparateur dans les environs , j’ai l’impression qu’il n’y en a pas dans ma région (Occitanie) et l’envoyer par la poste je ne sait pas si c’est très prudent vu comment sont traités les colis .
Dans tout les cas je serait vraiment très content si je pouvais le réparer et le mettre en FM , il est sympa se petit poste .
cordialement.

Bonjour,

L’anode de la redresseuse est donc bien alimentée en HT. Dans certaines conditions, un tube redresseur peu effectivement claquer immédiatement après sa mise sous tension mais ce n’est pas forcement le cas sur ce poste qu’ il serait bon de pouvoir contrôler sur place .

Ce sympa petit poste qui en plus est bien conservé, est surtout un poste de famille irremplaçable et il serait vraiment dommage de prendre le risque de l’abîmer par un envoi postal ou autre comme d’ailleurs la plus-part des postes à lampes qui sont tout de même des objets très fragiles.

Cordialement.

Patrick.

Bonjour,
@Jeans
« coté anode là ou arrive le AC (si j’ai bien compris) j’ai 200v AC sur la borne anode et la masse , du coté cathode entre sa borne et la masse en DC j’ai 0,4V »

Entre Masse et Anode de UY41 ?
Mesurer la tension AC directement sur l’enroulement Ht du Transfo !

"cathode entre sa borne et la masse en DC j’ai 0,4V"
Avec C31 de 32µf raccordé à la cathode : OUI ou NON

Amicalement,

Merci Patrick , Bonjour schoser ,
directement sur le transfo HT : - donc le plot du fil marron qui relie le transfo a l’anode , entre ce plot sur le transfo et la masse (châssis) 196 V AC , la différence doit provenir de l’humeur du jour de mon testeur.

"cathode entre sa borne et la masse en DC j’ai 0,4V"
Avec C31 de 32µf raccordé à la cathode : OUI , C31 c’est celui qui est en bas on le voit sur la photo , je rappelles que R11 n’est plus en place car HS au niveau du cerclage , en attente de livraison .

Cordialement.

Bonjour Jeans
Trouver 196V au lieu de 170V est normal , comme je l’ai déjà signaler sur le répartiteur du transfo il y a bien une prise 240V mais reliée directement au 220V , les filaments sont aussi légèrement surchauffés, le secteur est souvent supérieur à 240, et au lieu des 170V en haute tension il y a environ 190V ;
R11 22 Ohm est très importante , elle est dans la chaine des 2 autres de 33 et 68 pour polariser les lampes voir la partie du schéma de Schoser

Bonsoir Roger ,
la panne pourrait venir de là ?
cordialement.