Bonjour,
Tout à fait , la carte démarre aussitôt la mise sous tension. Le voyant est géré par la sortie OPCTRL4 pin U4 du MT5531 .
Vérifiez ou remplacez les transistors
Q905 Q906 :BT3906 ( PNP VCEo -40V , VEB0 -6V , -200mA )
et Q907 :BT3904 ( NPN VCEo 40V , VEB0 6V , 200mA )
BT3906/3904 ou transistor équivalent
Bonjour,
Je sais pas si c’est bon mais j’ai vérifié avec le multimetre en position diode
Q 905 +sur C, - sur E 1220
+ sur C, - sur B 700
Q 906 + sur C, - sur E 1680
+ sur C, - B 700
Q 907 - sur C, + sur E 1990
- sur C, + sur B 660
Cela semble correcte mais par acquit de conscience une vérification entre B et E serait pas mal . ![]()
Bonjour,
Q906 et 905 B sur - E sur + 710
Q907 B sur + E sur - 678
Bonjour ,
OK Pour les transistors de cette partie du system reset , les tensions avaient déjà été vérifiées .
Nous avons bientôt parcouru tout le troubleshooting ( voir message 44 ) ,
les diverses alim ok ,
les modules DC/DC ok ,
la partie main IC reset ok
il reste la partie horloge à tester :
Premier test:
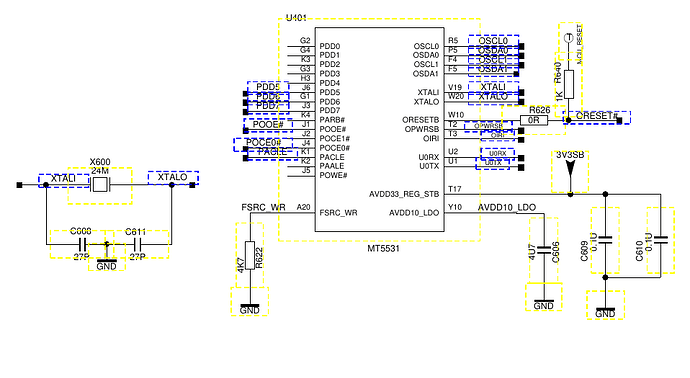
Sonde de l’oscilloscope sur C611 pour observer la sortie XTALO
Deuxième test:
Un fil soudé sur le point commun R626 et R640 ( Creset ), faire un contact à la masse d’une seconde .
De plus en plus mauvais signe pour U401 ou ses soudures MT5531
Bonjour ,
Pour la mesure avec l’oscilloscope , mettez la sonde sur X10 , augmentez le calibre de CH1 Volts/div si possible 50mV /div
le signal à mesurer est à la fréquence de 24Mhz , l’amplitude est assez faible
Pour les résistances R626 R640 , elles sont contre le MT5531 ( photo )
Ce format de résistances cms 0603? est assez fragile en température avec un fer à souder, (précaution → soudure rapide du fil … )
TCL及其代工品牌电视机进入工厂调试状态方法:依次按遥控器“菜单”→“图像”→“对比度”→“9”→“7”→“3”→“5”
进入工厂设置状态方法:依次按遥控器“菜单”→“图像”→“对比度”→“9”→“7”→“0”→“5”
traduction
Pour la base de temps SEC/DIV ( horizontal ) , venir sur 50µs et/ou 20µs
La sonde (toujours en X10) sur C611 ,
TRIGGER tourner le bouton LEVEL progressivement de - à + et inversement pour essayer de " voir " un oscillogramme propre … Le signal peut être proche d’une sinusoïde certes déformée ( suivant la perturbation apportée par la sonde … sur le circuit oscillant).
Si la base de temps reste difficile à synchroniser sur la trace , mettre le TRIGGER sur NORM , et recommencer avec le bouton LEVEL avec beaucoup de douceur , le réglage est parfois pointu .
Ok , parfait , au moins l’horloge du MT5531 est fonctionnelle. Il respire encore !
Je cherche un datasheet sur le MT5531 … je suis preneur
Bonjour,
Nous allons vérifier si à la mise sous tension le MT5531 vient lire les DATA sur la flash U702 (W25Q64FV).
Test 1:
Sonde (X10) sur l’entrée CLK ( pin 6 de U702 ) ou sur R711
Test 2:
Sonde (X10) sur la sortie DO ( pin 2 de U702 )
Amplitude de l’ordre de 3v , je ne connais pas la fréquence du SPI utilisé par le MT5531
Le datasheet de la flash (U702) indique : SPI clock frequencies of up to 104MHz …
Bonsoir,
Vous faites bien la mesure juste au moment de la mise sous tension ?
Le transfert (FLASH ↔ MT5531) ne dure que quelques secondes.
A part du bruit ( vu le calibre que vous avez utilisé ) … ![]()
Je vais le refaire demain matin
![]()
Doctsf (Modèles & Marques)
Annonces 
















