bonjour,
voulant remettre en fonction ce poste Philips qui me semblait en assez bon état, à part un léger grondement dans le hp il n’y a pas de son.
en sortie de tube redresseur il n’y a que 95 V, le schéma indique qu’il faudrait 265V.
les tensions d’anode, 205v et 250v. Je trouve cela faiblard et explique certainement la faible tension en sortie.
question certainement stupide mais le transfo devrait délivrer une tension bien supérieure ?
cordialement
arrete cela va tourner au barbecue il y a une sur consommation notable sur la HT
changement des capas habituelles les filtrages, le decouplage de cathode du tube final BF et la capacite de liaison G1 de ce tube
Bonjour,
même avis, en précisant ceci : La résistance interne de la HT st relativement élevée, de sorte que si elle est surchargée la tension s’écroule ! (d’ou la faible valeur constatée)
Il ne faut surtout pas continuer les essais dans ces conditions , le transfo risque de prendre feu et les condensateurs risquent d’exploser …(Gros dégats en perspective si on arrête pas dans les plus brefs délais ! )
Il faut changer d’office les condensateurs de filtrage, de découplage, et de liaison comme indiqué par Radiolo (et, en principe, vu que ce sont des « denrées périssables » il vaut mieux les changer d’office, par prophylaxie, avant toute M S T ! )
Bonjour. Tant qu’a faire, dans le registre méfiance, il convient, de surveiller, le « C33 », qui se trouve entre la plaque de l’EL41, et la masse, il produit souvent ce genre de chute de la HT, quand il commence a se dégrader.
merci pour vos réponses,
alors j’avais déjà changé C1, C2 et C33.
je viens de changer C32 pas d’amélioration.
la tension alternative / masse sur les plaques de la valve est de combien ?
on saura si la valve est pompée
et mesurer la tension sur R21 150 ohms pour savoir ce que vaut l’EL41
pour la tension alternative comme je l’ai marqué plus haut il y a 205 v et 250 v.
la tension aux bornes de la R21 1,2 v
tension de 1.2V ton UL 41 ne consomme rien I_k= 1.2/0.150= 8mA= donc rincée
et ta valve est elle aussi rincée elle devrait sortir 205*1.414-60 = 229V
le schema de defaillance a du etre celui ci sur consommation de l’EL41 qui a pompe ce tube et la valve a cause d’un debit HT trop elevé
commence par changer la valve peut etre que l’UL41 un peu mieux alimentée retrouvera un poil de jeunesse
tu n’a pas laisse une lampe serie de 75W sur un des fils secteur ?
non je suis branché en direct
j’ai mis une autre valve je suis monté à 135v. toujours insuffisant
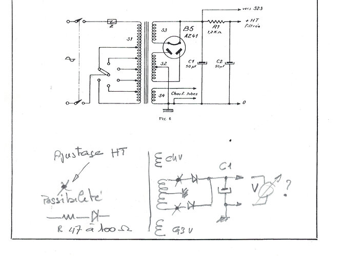
La valve AZ41, ne cours plus les rues, et est difficilement remplaçable en l’état, en raison de son chauffage 4V. Reste la solution, pour faire provisoirement remonter la HT, de la remplacer, par des diodes (ex: deux 1N4007)
Les diodes, étant bien plus « gaillardes », qu’une valve, on peut calmer le jeu, en insérant des résistances. Pour établir, la bonne valeur de celles-ci, il faut charger ce circuit, de façon a lui faire débiter, le courant nominal, du montage. Une fois, la valeur trouvée, il faut calculer la puissance, bien entendu.
on peut recuprer le culot de la valve pompée et mettre le montage resistance et diodes dans le culot
ou rempalcer ce support et mette un 4V plus facile a trouver si l’en combrement le permet
Au cas où… je dois avoir une AZ41, je ne sais pas dans quel état mais c’est testable.
Si le 6,3V, peut supporter, les 600mA d’une EZ40 (le transfo étant allégé des 650mA de l’AZ41), leur débits sont les mêmes, et leur brochage, ne différant que pour les filaments de la 41, et la cathode de la 40, c’est peut-être jouable. Mais, il faut approfondir, pour déterminer s’il s’agit d’une surcharge, ou d’un manque de débit.
merci pour vos réponses, ça semble un peu compliqué pour moi. Je pense que je vais laisser tomber sur ce coup là.
Bonjour.
Compliqué, c’est possible, mais nous sommes là, et, on peut expliquer et guider les différentes manipulations et mesures , ce n’est pas @Radiolo , qui dira le contraire. De plus, concernant ce poste, il y a tous les renseignements possibles. ![]()
je pense que @domyd4 devrait commencer a apprendre a lire un schéma ce n’est pas plus complique qu’un carte routiere
il suffit d’apprendre quelques symboles
cela lui faciliterait enormement la tache
C’est marrant, j’ai proposé une AZ41, je pensais pas que serait aussi compliqué
certes , mais qui s’amuse encore à lire, et sait encore lire une carte routière à l’heure du GPS partout .
Je parie même que certains consultent leur GPS pour aller faire leurs courses au supermarché habituel ![]()
Bonsoir, j’ai souvent eu des postes qui d’origine avaient une AZ41, remplacée par une GZ41.
Je connais la différence qui est entre ces deux tubes, mais ça avait l’air de fonctionner (avec modification bien sûr).
Oui, c’est sûr, l’essai, vaudrait la peine.
Doctsf (Modèles & Marques)
Annonces 