Bonjour.
Je viens de faire l’acquisition d’une paire d’enceintes MFB 532 Philips, modèle avec l’implémentation PL14 (relais temporisé évitant le plok de démarrage dans les haut-parleurs).
L’une des enceintes fonctionne très bien, mais l’autre a les problèmes suivants :
- l’enceinte démarre toute seule, alors qu’elle devrait s’allumer seulement lorsque un signal audio lui parvient
- le son du l’ampli de basses semble ok
- en revanche, le son des medium aiguës véhicule un fort bruit parasite (une composante 50 Hz de toute évidence) mais aucun son provenant de la musique.
J’en déduis, peut-être naïvement, que l’ampli des médium aiguës fonctionne mais que la détection de présence du son (le signal qui fait démarrer l’enceinte) est corrompu sur ce canal médium aiguës.
Je suis tout à fait incompétent en électronique mais j’ai déjà vu des sujets traitant de tels désagréments.
Ces problèmes pourraient être dus à 1 (ou plusieurs) condensateur(s) électrochimiques défaillants.
Problème : il y a une multitude de ces condensateurs sur le PCB de cette enceinte !
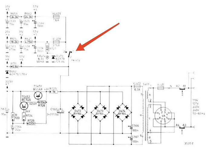
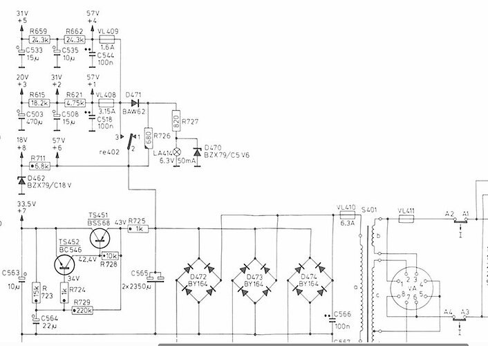
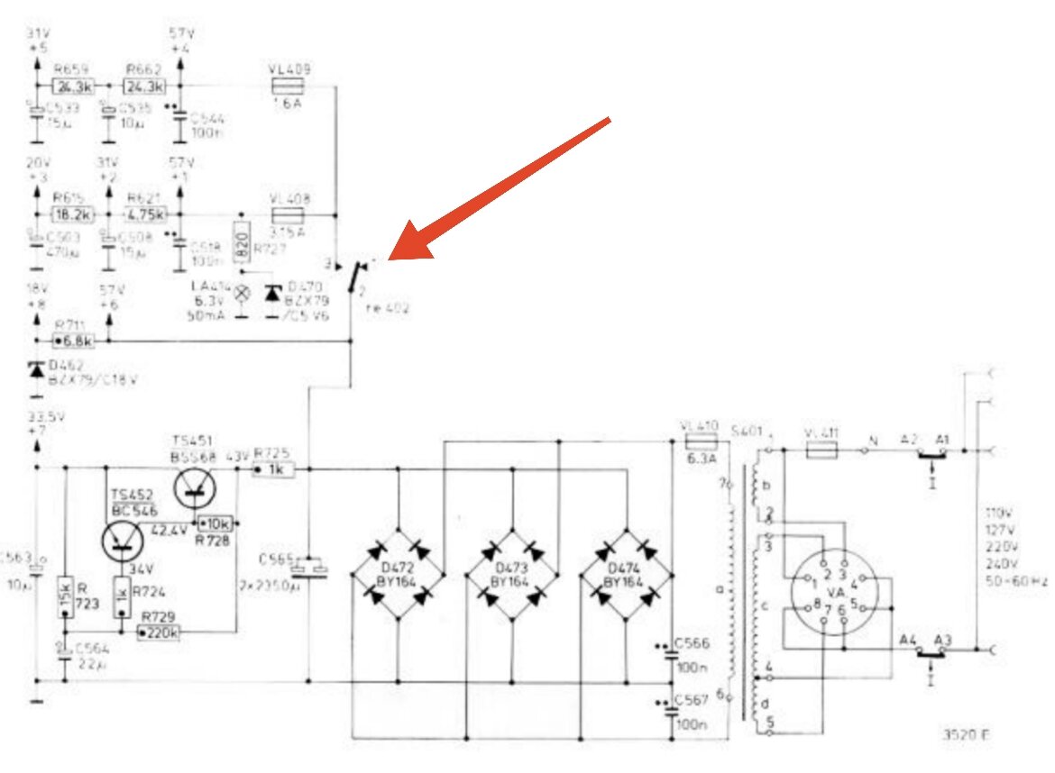
J’ai trouvé le schéma électrique/électronique de ces enceintes mais ne sais pas l’interpréter et encore moins faire le rapprochement avec mon problème.
Habitant en pleine campagne dans la Vienne (86), je ne connais donc évidemment aucun spécialiste éventuellement capable d’analyser, voire de réparer cet ampli.
Si quelqu’un parmi les lecteurs de ce message a une idée, soit pour élucider le problème technique, soit pour me conseiller un technicien susceptible de remédier à mon problème, je dis MERCI d’avance.
Je croise les doigts et encore merci.
Doctsf (Modèles & Marques)
Annonces 




