Philips PM3070 en panne (oscillo 2X100Mhz)

Bonjour à tous,

Ayant besoin d’un bon oscillo pour effectuer des réglages FI sur mon Saba Freiburg 125, j’ai ouvert mon PM 3070 qui ne donne plus aucun signe de vie depuis la dernière fois que j’ai voulu m’en servir, il y a environ 1 mois.

En apparence, rien de claquer en alim (à découpage) avec un secondaire à 1V et quelque pour la plus haute tension.
Dans le silence de la pièce, j’entends un sifflement aigu à chaque mise sous tension.
Je pense à une possible surcharge secondaire avec une mise en sécurité mais rien de concret en mesurant toutes les diodes de l’alim par rapport à la masse.
Sur cette platine, il y a également un tripleur THT.
Surement le réflexe conditionné d’un ancien dépanneur TV, je débranche l’entrée du tripleur, je remets sous tension et constate que le LCD en façade refonctionne et que je peux tirer un arc en sortie du transfo HT.

Bonne ou mauvaise nouvelle…?

Où vais-je pouvoir trouver un tripleur THT pour dépanner mon oscillo ?
U_THIN%7E1

D’avance merci pour vos tuyaux…

Quelle référence écrite sur le tripleur ?

Je vais déssouder la bride qui entoure le tripleur pour essayer de trouver une réf.
@ toute…

Bonjour,
J’ai eu un problème similaire de tripleur introuvable, sur les conseils avisés de plusieurs membres du forum je l’ai fait « à la main », ça n’est pas le plus joli mais ça a le mérite d’avoir rendu mon écran à la vie ! L’idéal est de le noyer dans la résine mais étant donné que mon oscillo à d’autres pannes il est resté monté en l’air

Forcément les inscriptions sont au dos…bien collé d’ailleurs sur le circuit imprimé !


Bonjour A,
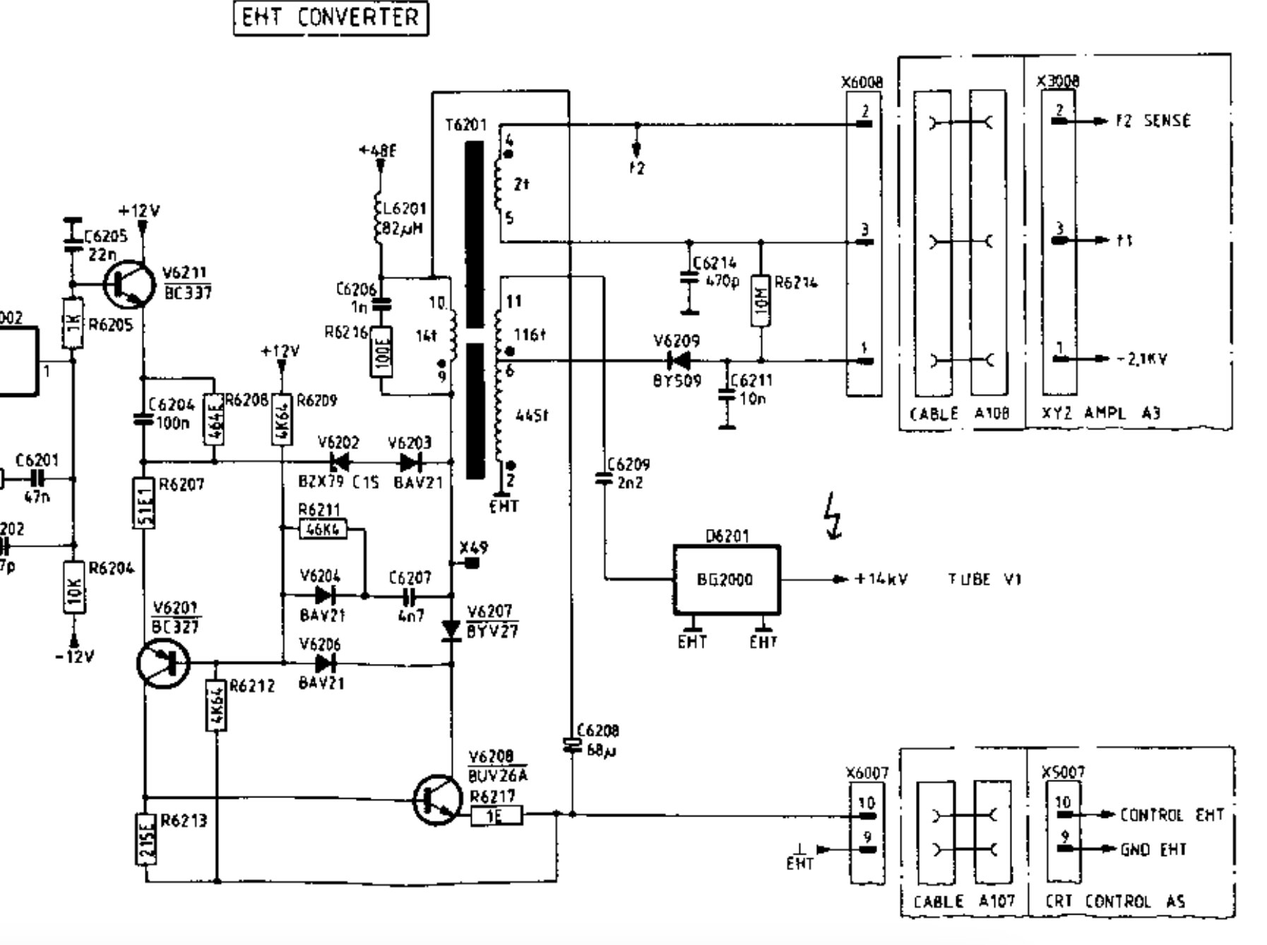
L’alim du PM3070 est décrite dans le PM3065:

Bonne suite

j’ai regardé dans mes tripleurs, mais je n’ai pas ce modèle, désolé

Merci Bozec pour votre recherche…

Quand je vois les réalisations perso, j’imagine bien que ce genre de pièce est
un mouton à 5 pattes !

Une recherche sur Google trouve quelques possibles :

Simon

Bonjour simon32,

Belle trouvaille…seuls les 3 derniers chiffres sont différents 004 au lieu de 505.
C’est peut-être uniquement pour différencier les formes et tailles de boitiers…?

A défaut de pouvoir trouver l’origine, 35€ port compris, c’est un risque que je pourrais prendre.

Bonjour , j’ai trouvé un PDF à cette adresse qui contient le BG2000, à voir ?

liste-de-stock-transfo-tht-1448742825.pdf (453,0 Ko)

Apparemment des pièces de rechanges tht etc en TV

Cdlt

Bonjour,
Je viens de commander l’article.
La suite bientôt après le montage du tripleur neuf… :slightly_smiling_face:

Bonjour à tous,

J’ai reçu le nouveau tripleur ce matin et comme promis je vous tiens au courant de son montage et du résultat final.
Le tripleur reçu est parfaitement identique en taille, forme et branchements…excepté la tétine pour l’anode du tube.
J’ai donc dû reprendre l’ancienne (la nouvelle semble plutôt adaptée à du tube TV).
Après mise sous tension l’écran a repris vie mais…ben oui fallait bien me rajouter une
m…e !..j’ai maintenant des arckings réguliers qui augmentent en mettant plus d’intensité sur le bouton de façade et inversement que j’arrive à presque supprimer dans l’action inverse.

J’ai mis en lien la vidéo du phénomène.

Pour rappel j’ai remplacé le tripleur d’origine BG 2000-641-505 par un BG 2000-641-004

Le focus (réglage façade) agit quant à lui parfaitement bien et est au max de finesse en milieu de course du potentiomètre…top !

Est-ce que vous pensez comme moi à peut-être une THT trop élevée ?
Si oui comment la diminuer…résistance(s) en série ?
ou bien alors une autre piste ?
Help !






![20251218_134143|230x500](upload://tY84AmvLQ340o8WXnMJxqz2uw

Le lien youtube…
https://youtube.com/shorts/2xwHjOqjig8?feature=share

En cherchant un peu, j’étais tombé sur un site qui parlait de multiplieur par 9, mais sans que ce soit clair. L’idéal serait de mesurer les tensions en entrée et en sortie, mais il faut une sonde adaptée (facile à faire avec un peu de soin et quelques résistances).
Possible que la THT soit beaucoup trop élevée (et à ce point) et que cela fasse ça ? Qu’en pensent les spécialistes ?

Les arckings s’entendent et se voient côté anode quand on est au dessus du TRC…rien côté droit (quand on est face à l’écran).

C’est ce qui me faire dire que c’est peut-être dû à un excès de THT.

Voilà le montage aujourd’hui: Un condensateur de 2,2nf 3kv en liaison entre la sortie transfo THT et l’entrée du « tripleur ».

Je tenterais bien de faire un diviseur capacitif comme sur le schéma ci-dessous…à moins que ça me soit fortement déconseillé ici…vous en pensez quoi ?

Dans cette hypothèse, j’utiliserais le 2,2nf déjà existant…ne manquerait plus qu’à trouver un 1nf 3kv.

La consommation propre du diviseur ne risque pas de tirer trop sur le transfo THT ?

Effectivement, ça risque de ne pas lui plaire.

Si le courant supplémentaire du diviseur est trop important, j’espère pouvoir compter sur la mise en sécurité de l’alim qui a très bien fonctionnée avec le tripleur défecteux (pas de signaux de fumée avec tous les secondaires quasi à zéro).

Et pourquoi ne pas commencer par nettoyer tout ce coin. On voit beaucoup de poussière dans les zones HT, surtout coté tube.

Bonne suite

Ou seulement en diminuant la valeur de C1 ?

Bonjour,

Pas de fuite THT à l’extérieur du tube…les arckings sont internes côté anode.