…ou contrôler la mire sur un autre téléviseur
La seule panne que j’ai eu sur la mienne était un condensateur de filtrage dans l’alimentation qui était sec et celle de l’atelier où j’ai travaillé pendant 10 ans n’a jamais eu de panne non plus …mais il y a des exceptions et le fait que celle de Philippe ,n’a plus son coffret a tendance à me faire penser qu’il y aurait eu une intervention ![]()
Bonjour…
Pascal,je n’affirme rien…je me posais la question,il y a un point d’interrogation a la fin de ma phrase:
« J’en deduis que mon TV est Belge…? »
Par ailleurs au sujet de ma mire,dans un message plus haut ,j’emets des doutes sur sa fiabilité,je parle de « vieux coucou retapé »
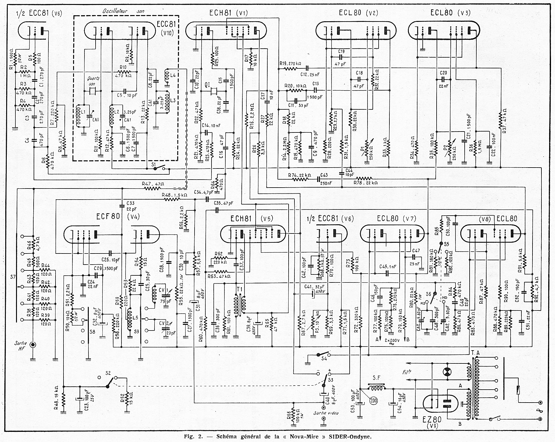
Je dis retapé ,(voir photo « mire » en début de post )
Mais j’ai changé d’office tous les chimiques de filtrage ,de découplage ,les condos papier goudron,un condo « ducati…! » (mauvaise reputation,je crois).J’ai laissé tous les moutardes,jaunes ou verts(bonne reputation…)Et bien sur tous les céramiques tubulaires.
J’ai constaté que les resistances a bout carré,avaient beaucoup varié,j’en ai changé quelques unes.Je n’ai pas verifié les lampes,a part la continuité filaments…
Puis ,j’ai mis sous tension,je me suis dit que la pouvais commencer un dépannage…
En fait ,je fais ca pour tous mes appareils,radio,mesure,et TV ,maintenant…
La doc de cette mire est tres complete,de plus j’ai la N° de « Television » qui en fait une bonne description…
J’ai mesuré les tensions données sur le schéma,je les ai a quelques volts pres.
Puis je me suis amusé a relever quelques oscillogrammes,et les ai comparés avec ceux fournis dans la revue…
Franchement,c’est purement visuel,la comparaison…!
Et c’est a ce moment que je me suis décider a la connecter sur le TV…
Je suis tout a fait d’accord avec vous Pascal,cela ne suffit sans doute pas ,il faut verifier la frequence ligne de la mire,la recalibrer…
.
Mais ca je ne sais pas faire encore…
C’est pourquoi,comme le disais Kiki37,j’avais l’intention de l’essayer sur un autre TV…
Pourrez vous m’aider a la fiabiliser cette mire…?
Au fait ,je possede bien le boitier complet…et une autre encore complete…
Re…
Juste pour info ,j’ai essayé la mire sur 2 autres petits TV ,« sortis de grenier »…Et c’est vraiment le cas…
Bonjour…
J’ai mesuré les frequences lignes de la mire et voici ce que ca donne…
J’ai repéré les composants a verifier et changer pour peaufiner…
819 lignes = 20475 Hz
625 lignes = 15625 Hz
Oui,merci pour l’info… 
La c’est clair, plus de doute sur la mire 
Ouf…On avance,maintenant il me faut restaurer le TV pour qu’il soit en 819L,orthodoxie oblige,puis le modifier en 625L …
Non,je ne vais peut etre pas faire ca,puisqu’il recoit déja cette mire en 625L… 
Il faudrait que je trouve un moyen d’injecter un signal video « moderne » au TV via cette mire,je suppose qu’il faut bloquer la generation des barres verticales et horizontales…?
NB: Je n’affirme rien,je cherche…
Bonsoir, je pense qu’il s’agit bien d’un téléviseur 625 lignes, modulation positive, venant de Belgique. J’avais le même et je pouvais capter l’émetteur de Gand Aalter, canal 2, à Dunkerque fin des années 60.
Ouah ! elle est rare cette mire !(la deuxième) je ne l’ai jamais vue nulle part 
Oui, cette mire était propre à la Belgique. C’était une modification de la norme RETMA. Le texte BRT (belgische radio en televisie) / RTB (radio télévision belge) était inséré à la place des barres de définition.
La mire RMA 1946 était utilisée aux Pays-Bas.
Finalement, à Dunkerque dans les années 60, il valait mieux avoir un bon poste multistandard: 405 lignes (UK VHF), 625 (Belgique néerlandophone, Pays-Bas), et 819 (France, Belgique francophone), modulation vidéo positive (France, Belgique VHF, UK VHF) et négative (Belgique UHF, UK UHF, Pays-Bas), son AM (France, Belgique en VHF, UK VHF), son FM sous-porteuse 5,5 MHz (Belgique UHF, Pays-Bas), et 6 MHz (UK UHF)… Ouf!

Voici mon Philips TF1715 de l’époque. C’est le multistandard du TF1705.
Ou utiliser un modulateur moderne comme celui que @pascal62 utilise ici :
Qui module en 625 lignes modulation positive et son AM à 6,5 MHz de la porteuse vidéo, en VHF et UHF.
Bonjour a tous…
Merci a Pitou 59 pour ses photos ,ses docs et son témoignage…Quelle diversité dans les régions frontalieres…!
Henri-Louis,merci pour le rappel de ce post…Je l’ai lu bien sur mais franchement ,je suis un peu perdu ,et je n’ai pas tout compris,en fait je ne sais pas lequel choisir,sans doute pas le MT -41 qui ne module qu’en UHF …alors le MT-47…?
J’ai du mal a faire le distingo entre norme L et norme E ,d’autant plus que si mon TV est Belge ,ce serait plutot norme C…?..?
?
Ce modulateur fonctionnera-t-il avec le TF1796 …?Probablement pas…La notice est en Allemand …
Comment fonctionne ce genre de modulateur …?
Je suppose qu’il fabrique un signal VHF ou UHF ,qui est modulé par le signal vidéo de la source et injecté dans le tuner du TV…
Mais qui fabrique les tops de synchro…le modulateur?
Et le signal vidéo numerique…,il le converti en signal analogique…?
Questions qui vont vous faire sourire,pas vous facher ,j’espere…mais vous etes tous des pros de la téloche…
Et moi ,l’apprenti… 
Les tops de synchro sont inclus dans le signal vidéo analogique, le modulateur se borne comne son nom l’indique à moduler ce signal vidéo selon la norme choisie.
Pour les normes françaises et belges cette modulation est dite positive car le fond des tops de synchronisation correspond au minimum le tension HF et une information vidéo blanche au maximum de signal HF.
Le son est modulé en AM dans ces mêmes normes sur une porteuse séparée à une distance donnée en MHz de la porteuse vidéo.
Si on veut utiliser signal HDMI il faut un autre boîtier ou interface pour le convertir en signal vidéo et audio analogique.
La norme E avait des canaux VHF d’une largeur de bande de 14 MHz pour diffuser le 819 lignes dans sa pleine définition. à l’arrêt du 819 lignes, La bande VHF a été remaniée avec des canaux d’une largeur de 8 MHz suffisante pour le 625 Lignes, c’est la norme L’. La norme L étant identique mais en UHF.
Des explications détaillées sous ce lien
D’accord,le signal vidéo sort complet de la source…
Signal analogique pour un lecteur DVD,idem magnetoscope,
Signal numerique pour HDMI et antenne actuelle…
Je comprends que le modulateur va utiliser ce signal pour moduler une porteuse,fabriquée par…le modulateur…?
VHF ou UHF,en l’adaptant a une norme choisie…
Puis ce qui sort du modulateur sera injecté dans le TV via le tuner ,puis le signal detecté…etc ,etc…
De la prise coaxiale au tube image,le TV va fonctionner comme s’il recevait un emetteur…
Merci Kiki37…!C’est déja plus clair…
Merci pour votre patience…
clique sur le lien, ce sera encore plus clair ![]()
Laisse moi le temps ,je suis dessus… 
Bonjouratous…
Je ne me suis pas encore décidé a acheter un modulateur pour ce TV…En fait j’aimerais utiliser l’une de mes mires ,pour ca…
En attendant aujourd’hui j’ai appliqué un signal vidéo de lecteur DVD ,sur la grille de la EL183 via la resistance de 33 ohms et le son sur le pot de volume…
En déconnectant les étages en amont ,et voici ce que ca donne…
Le TV est alimenté via un transfo d’isolement,bien sur…
Il y a quelques petits problemes…
Une bande de lignes blanches en haut de l’image,et une zone de pointillés blancs sur le quart gauche …Et puis cette ligne de pointillés tres blancs dans la bande superieure noire…
On ne voit pas trop les quelques lignes obliques (de retour…?) quand on ne pousse pas trop la lumiere…
Pourriez vous m’expliquer ce qui ne va pas…?
Doctsf (Modèles & Marques)
Annonces








