J’y ai songé un instant mais je n’en avais encore jamais vu de semblable 
Mais comment connaître la valeur des 3 capas ?
Et ces deux cylindres métalliques constituent le bloc d’accord avec les bobines ? La question est un peu bête mais comme c’est mon premier poste des années 30, je préfère connaître ses composants 
C’ est quoi ce poste des années 1930 , une marque connue ou un inconnu ?
Relié à quoi ?
Si tu nous postait quelques photos avant démontage de dessous le châssis et aussi de l’ensemble du châssis, pas uniquement des pièces en gros plans, on est un peu curieux et pour élucider le mystère de ce bloc le voir câblé dans son biotope serait intéressant …
Il s’agit du Casavox G4, ou DeWald dont il est question sur un autre fil : « Poste des années 30 très sympa »
Il y a eu du bricolage, rien que l’arrivée secteur c’est folklo 
Et la HT redressée est reliée à la masse passe par un point de masse avant de filer vers la self d’excitation.
Mis à part la partie alimentation et sortie de redresseuse, le reste me semble pour l’instant cohérent
Ah ici :
Et pourquoi ne pas continuer sur le sujet existant, cela serait plus simple et éviterait questions et interrogations ?
J’avais d’ailleurs posté un lien vers un schéma, est-ce que le jeu de lampes correspond au schéma ?
http://www.nostalgiaair.org/Resources/030/M0016030.htm
Je n’arrivais pas à ouvrir le précédent lien, là je viens d’aller voir et je n’ai qu’une partie du schéma mais les lampes ne sont pas les mêmes (je n’ai pas de 2A6), merci pour le lien en tout cas👍
J’ai ouvert un nouveau fil pour les pièces citées plus haut, pensant qu’il s’agissait de pièces commune aux postes des années 30 et n’ai pas pensé au fil déjà existant. Mea-culpa 
Peut-être peut on les fusionner ?
Voilà c’est fait, pour en revenir au fameux bloc, sur quoi les fils étaient reliés, cela peut donner un indice.
Qu’est qu’il y a à la place de la 2A6 sur le poste, une 57 ?
Joli poste des années 30.
Bonsoir,
Oui il s’agit d’une 57
J’ai réalisé un petit schéma de l’état actuel des choses
Les fils du blocs sont reliés à la g2 de la 57, à la HT après la résistance de 55k et à la g1 de la 47 juste après la 500k
Il y a peut-être une petite confusion entre G2 et anode de la 57 sur le schéma je pense, car si c’est l’anode de la 57 et la G1 de la 47, cela devient plus clair …
Il s’agit d’un élément de liaison, transformateur BF peut-être, à confirmer par des mesures des enroulements à l’ohmmètre.
Bonjour @Jeanmonod_Henri-Louis,
Je viens de vérifier sur le poste, et je confirme les infos du schéma. L’anode de la 57 est bien liée à la G1 de la 47 par le condensateur de 150nf, ça me paraît bon, qu’en pensez-vous?
La G2 de la 57 est liée aux G2 des 58 (HT après passage de la résistance de 19K)
En fait sur le schéma on ne voit pas clairement où sont reliés les fils du bloc …
-
Si donc un des fils est relié à la G2 de la 57 et que les G2 des 58 sont aussi connectées sur ce même point on peut penser à un condensateur de découplage.
-
De même un fil va sur la HT, même fonction, condensateur de découplage.
-
Mais le fil qui va sur la G1 de la 47, que faut-il alors dans ce bloc ?
Bonjour à tous,
Je reviens vers vous après quelques jours d’absence 
J’ai mis à jour le schéma du poste et démonté la boîte mystérieuse du châssis.
Il s’agissait bien d’une boîte à condos: deux marqués 16 et un marqué 26 (entourés sur le schéma et photo). Quelle est leur unité et sont ils polarisés ?
Ce sont des condensateurs au papier, ils ne sont pas polarisés, seuls les condensateurs électrolytiques (chimiques) aluminium et tantale sont polarisés.
Il aurait fallu essayer de les mesurer avant de de les démonter, cependant on peut en déduire d’après leur taille et leur emplacement dsnd le schéma qu’ils ont une capacité comprise entre 0,5 et 2 μF environ.
J’ai essayé de les mesurer préalablement mais les deux petits semblaient CC. Les valeur inscrites dessus ne correspondent pas aux capacités?
Et au niveau du schéma, ça vous semble cohérent?
En tout cas merci pour votre aide 
Bonjour,
En consultant le lien que Paul avait mis sur le modèle présenté par Jacques sur son site tsf-radio, je me suis aperçu que j’avais pris une 2A7 à la place d’une 56 et une 58 pour le changement de fréquence lors de la première recherche que j’ai faite à l’époque sur grillecloth.com
Avec le jeu de lampes 56, 3x 58, 57, 47, 80 soit 7 lampes j’ai trouvé maintenant ces résultats sur la base de données de grillecloth.com :
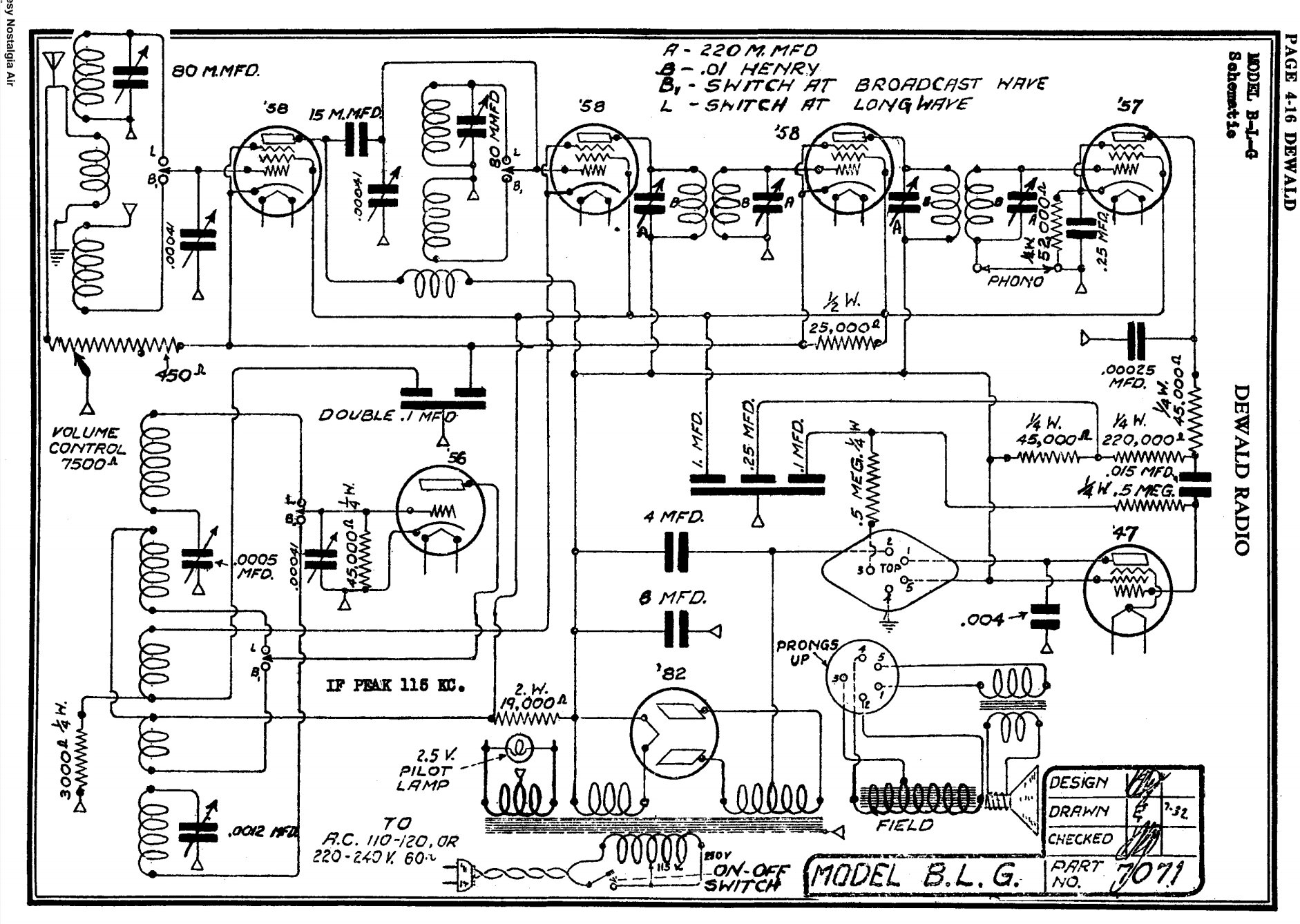
Dans la liste on trouve le Dewald BLG dont le schéma, trouvé ensuite dans la schémathèque Rider ici :
http://www.nostalgiaair.org/Resources/view.asp?FN=\M0004362.pdf
Correspond parfaitement au relevé que vous avez fait :
Voilà, grâce aux infos de Paul, l’origine de ce poste et son type sont maintenant connus.
Le bloc de trois condensateurs est même ici, avec ses valeurs :
Merci mille fois @Jeanmonod_Henri-Louis, c’est génial ! Avec ce schéma je vais pouvoir attaquer la réparation du poste 
Puis je utiliser une 80 à la place d’une 82 en redresseuse, sachant que je vais devoir changer le transformateur d’alimentation car il est inutilisable (le poste était doté d’une belle lampe 80 lorsque je l’ai récupéré et j’aimerais la garder)?
La 82 est une redresseuse à vapeur de mercure chauffée sous 2,5 volts.
Si le poste est actuellement équipé d’une 80, et que le transfo d’alimentation a déjà été remplacé on ne sais quand dans le passé, c’est qu’il est maintenant prévu pour une 80 avec 5 volts de chauffage pour la redresseuse.
Doctsf (Modèles & Marques)
Annonces 






