Le mieux est encore de choisir un schéma connu (il en existe des quantités) et de ne surtout rien changer
Merci Georges @F6CER , c’est assurément un bon schéma, mais deux choses me gênent:
-
une seule R de cathode pour les 2 tubes de sortie
-
si je vois bien le réglage de polarisation, en revanche, si les tubes de sortie ne sont pas apairés, l’équilibrage du push risque d’être acrobatique…. Ce pourquoi je préfère un réglage par tube, et 2 R de cathode….
Typiquement pour des EL503, du Geloso?
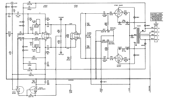
Bonjour @F9VL ,
Je te propose le schéma du Cayin TA35, que j’ai à la maison, qui est un super ampli, et qui permet un réglage séparé du bias pour chaque tube. Déphaseur Schmidt à liaison directe avec le 1er étage. Le 1er tube est une ECC83/12AX7. Le 2ème tube est une vulgaire ECC82/12AU7 que tu peux avantageusement remplacer par une E80CC (ce que j’ai fait), même une ECC81 si tu veux (ce qu’a fait un copain sur le sien : il aime bien la sonorité). La liaison directe avec la ECC83 permet de s’affranchir des différences de polarisation de ces tubes : ils auront toujours le même courant de repos fixé par Vanode 1er tube ECC83 et Rcathode 2ème tube.
Tu remarqueras que R7 et R8 ont des valeurs légèrement différentes : ceci est du au fait que la cathode du 2ème tube n’est pas reliée à un géné de courant parfait (un petit montage à transistors par exemple), et on a donc un petit déséquilibre du déphaseur de Schmidt. Evoqué en large et en travers sur ce forum !
Des amplis à tubes que j’ai à la maison, c’est celui qui fonctionne le mieux à l’écoute… Schéma très classique et éprouvé !
Bonjour @jean_marc , pas mal du tout, ce schéma!!!
Quatre questions:
-
la zener est indispensable?
-
pourquoi les 2 triodes en // dans l’étage d’entrée?
-
remplacement possible de la ECC82 par une 6N6P (j’en ai un gros stock!!!)?
-
Je dirais dans les 35W en sortie?
Bon après-midi….
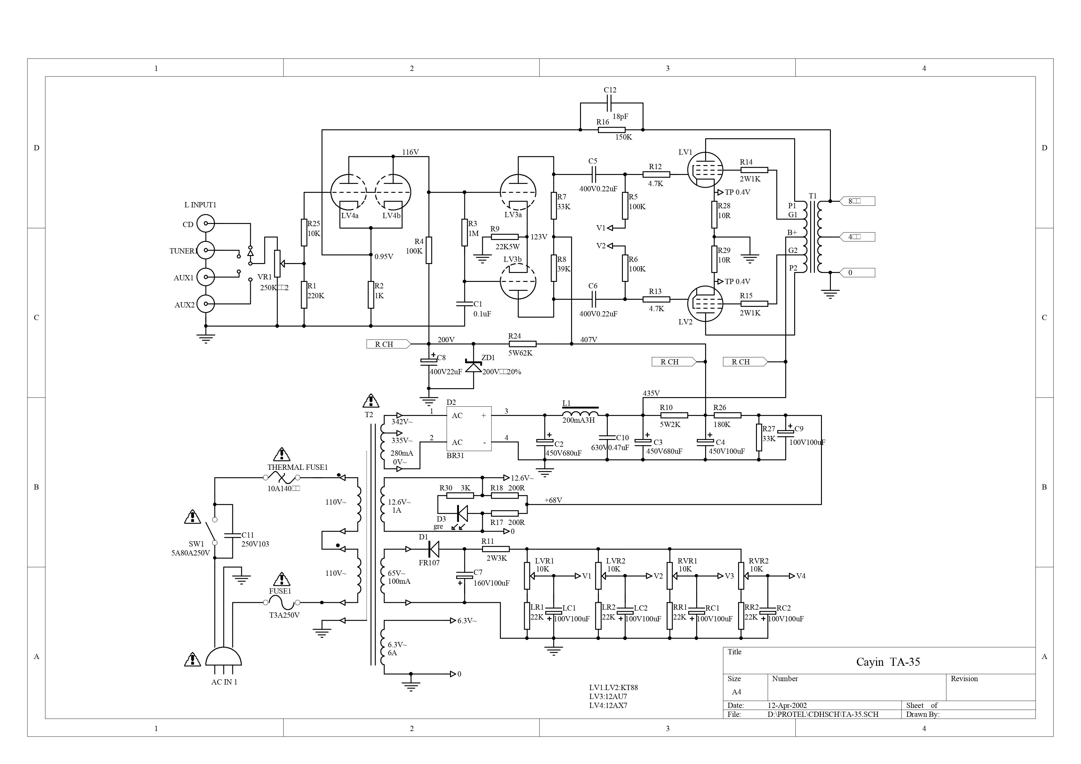
Re-Bonjour @F9VL ,
-
la zener n’est pas indispensable, mais elle permet de réguler et filtrer la tension d’alim du 1er étage. Ca stabilise également le courant de repos du 2ème étage, très dépendant de Va 1er étage donc tension d’alim 1er étage.
-
Les 2 triodes en // dans le 1er étage, ça divise par 2 la résistance interne du tube. Si tu veux faire à l’économie, on peut envisager 1 seule ECC83 pour les 2 voies, mais il faut recalibrer les résistances de cathode…
-
En ce qui concerne la 6N6P (6 H 6 Pi), elle est correcte en ce qui concerne les courants d’anode. En ce qui concerne le gain je ne sais pas ?
-
L’ampli est donné pour 35 watts en mode ultra-linéaire (ou pentode), et j’avais mesuré 19 watts en mode triode…
-
J’avais mis 30 mA de courant de repos dans les KT88…
Si tu as envie de t’amuser sur une voie, tu peux faire de la « charge répartie » pour comparer avec ton transfo : le point milieu est la prise 4 ohms, et les rebouclages des cathodes (en croisant) se font sur les prises 0 et 16 ohms. Charge répartie à la sauce Audio-Research !
Ce schéma est un exemple pour le branchement du transfo de sortie. Pour les drivers et déphaseurs, ne fait pas aussi compliqué. garde le schéma du Cayin ! Si tu es en ultra-linéaire, il paut y avoir de l’instabilité avec la CR d’écran et de cathode combinée. A tester !
OK pour la zener, pas sûr que je la monterai…
Je garde les 2 triodes dans l’étage d’entrée.
J’ai des 6N6P et des ECC82, je tenterai les deux. Vrai que la E80CC est bien, mais je n’ai pas.
Pour la puissance, un peu en dessous de ce sur quoi j’étais parti, mais je ne compte de toutes façons pas sonoriser le quartier. Ceci dit, si mes calculs sont justes j’aurais 520V sur les anodes des KT88.
Intéressant, la charge répartie, mais je crains bien qu’avec mes TS à 2,2K primaire, ce ne soit guère possible, comptant comme tu le suggérais, me servir de la sortie 4 ohms pour mes enceintes 8 ohms..
Quoique, en regardant mieux ton dernier schéma, ça pourrait se tenter, non?
Mais je n’en suis pas là!!!![]()
Après mûres réflexions, je vois bien 2 blocs mono, avec alim commune sur un troisième châssis, histoire de pouvoir l’éloigner un peu.
J’ai tiré quelques plans sur la comète, je vais entreprendre la fabrication de mes 3 châssis, j’ai 99% des composants, j’alimenterai ce fil au fur et à mesure…
Bonjour @F9VL ,
Pour la charge répartie, ton secondaire 0 - 4 - 8 - 16 ohms va devenir un secondaire 0 - 8 - 16 - 32 ohms, mais ça ne change rien dans le principe. Ca va changer que tu aura plus de % sur la cathode que le montage Audio-research. Ca va faire exactement comme sur mon schéma, puisque moi j’ai rebobiné un secondaire sur mon transfo pour la répartition : j’ai 0 - 8 -32 ohms !
Ce que j’entends avec un ampli à charge répartie : c’est beaucoup plus neutre, mais en gardant la douceur des tubes. J’aime beaucoup ! techniquement, l’impédance de sortie de l’ampli est plus faible, le facteur d’amortissement plus élevé donc la tenue de l’enceinte acoustique meilleure, et ceci sans l’artifice de la contre-réaction qui fait baisser de façon artificielle l’impédance de sortie !
A tester !
Ci-dessous : le D40 audio-research avec la charge répartie sur un transfo classique 0-4-8-16 ohms, et mon transfo de sortie avec enroulement supplémentaire 0-8-32 ohms :
Sur schéma audio-research attention : il faut bien croiser les cathodes par rapport aux anodes, le schéma est trompeur !
Bonjour @americanradios , et merci pour votre proposition!!!
Avez-vous une idée de la valeur HT, et du courant que l’on peut en tirer?
Bonjour @jean_marc , à quoi servent les 2 triodes en bas à gauche?
J’ai l’impression que mes transfos de sortie sont beaucoup plus gros….
Bonsoir @F9VL . Voici les infos que j’ai trouvé.
Primaires: 100/105/110/115/120/200/210/220/230/240 V
Secondaires: HT 2X462V mesurés avec 230V en primaire, deux sorties
14V/6,3V/5V pour chauffage et valve de redressement
Près de 7kg pièce!
La HT est très élevée car ces transfos étaient principalement dédiés aux tubes d’émission. Je n’ai pas d’idée sur l’intensité par contre.
Bonjour @americanradios je suis preneur!!! je vous envoie un MP de suite, merci!!!
7kg pièce…. Vous en avez plusieurs?
Bonne journée,
Bonjour,
Ca va faire 663 Volts continus une fois redressés filtrés, ce qui est beaucoup trop..
On peut compter sur des pertes dues à la résistance du fil du secondaire HT du transfo, mais ça fera quand même beaucoup pour des KT88…
Il y a une possibilité de mettre une self de filtrage derrière les diodes, sans condensateur de tête, et on se retrouve avec 460 V de HT en sortie de self, ce qui est parfait. je l’ai déjà vu avec des diodes à vide, mais remplacés par des redresseurs secs, ça avait claqué au bout de quelques semaines. Problème de courant de roue libre dans la self ??? Peut être une diode en inverse entre masse et tête de self aurait résolu ce problème ?
D’accord avec toi, dans le cas de redressement par diodes.
Dans le cas d’un redressement par valves style 5U4, à voir…. Si le débit du transfo en HT est suffisant, je pars sur 200-250mA par voie, 1 valve par voie.
Sinon, je conserverai le transfo que j’ai déja, 400V alternatif et 200VA, redressement par diodes… Et celui de @americanradios servira pour un autre projet que j’ai en tête, à base de triodes 211…
faire un redressement self en tete
Bonjour F9VL,
Super on continue en MP pour le bon MR. Pour le transfo c’est cadeau. Je n’en ai qu’un seul. Il est neuf mais je vais le vérifier en soudant un bout de fil secteur sur les broches 240VAC.
Bonjour @Radiolo, c est exactement ce que j’ai proposé plus haut ! Self derrière les 2 diodes, sans capa de tête…
Comme on a un tranfo à point milieu, la self on peut judicieusement la mettre dans le retour du point milieu à la masse…
La self, ça permettra de ne pas avoir la valeur crête de la sinusoïde redressée en sortie, mais bien la valeur moyenne, beaucoup plus basse…
J’ai envoyé les infos de poids en MP. Le colis est prêt.
Jolie base !!!
Doctsf (Modèles & Marques)
Annonces 




