Bonjour
J’ai récupéré cet engin a Clermont
Je cherche a l’identifier et aussi son schéma mais je ne trouve rien et il n’y a ni marque ni modèle sur le coffret
Je me demande aussi si le potentiomètre sur la sonde de droite est d’origine
Je ne l’ai pas encore ouvert
Que comporte-t’-il comme tube(s), outre l’œil magique?
Je ne sais pas
Je ne l’ai pas encore ouvert
Yapuka
A part quelques fioritures, c’est un amplificateur BF. Dans le boîtier de gauche, il y a sans doute, un oscillateur.
Oui j’ai lu mais qu’est ce que t’attends? Ça chiote…
Laisse moi manger d’abord 
@Thevenin
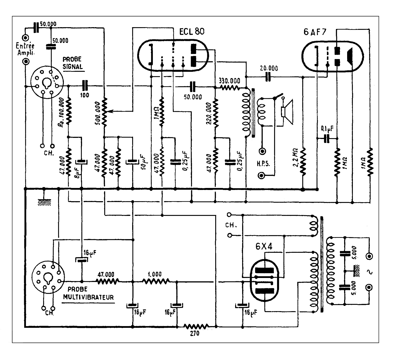
tout est chez RM
schema corrige suivant la remarque de Guy
Merci @Radiolo
As tu le lien ?
Faut il lui faire une fiche dans le gl ?
j’ai l’impression que sur la fiche il y a une salade dans les schemas
2 « J'aime »
Je pense l’ouvrir demain
Ça me permettra de faire des photos a la lumière du jour qui seront plus exploitables
je l’ai remplace par celui corrigé
3 « J'aime »
Il ne manque plus que les plans concernant les sondes.
Ce doit être un truc de ce genre.
je les ai trouves dans radio constructeur depanneur 1953 N° 84
suis en train de nettoyer toute cela
Et voila, il y a des gens, qui travaillent dans les soutes a charbon
pendant que ces demoiselles prennent leur thé au salon ! 
1 « J'aime »
j’ai termine le schema de la sonde multivibrateur , il est en ligne
j’ai degrise les images d’origine pour les rendre imprimables plus facilement
meme boulot en cours pour la sonde de detection puis les plans de cablage
la fiche est finie
je pense que @Thevenin y trouvera ce qu’il lui faut
comme convenu je vous met les photos du signal tracer
l’intérieur
le transfo était sur 240V donc l’apareil avait probablement été testé
j’ai testé a mon tour
légere ronflette, le chimique sera à remplacer
ca ronfle bien quand on touche l’entrée audio mais pas avec la sonde
j’ai pas testé le multivibrateur
Bonjour,
sympa ce signal tracer (et parfois bien pratique pour pister un signal dans un appareil muet)
Outre le gros chimique tubulaire alu, il faudra changer les 2 pétards rouges , et le jaune ! (ce sont tous trois des chimiques et qui sont surement daubés depuis le temps !)
Attention aussi aux 2 condos papier bouché au brai entre le primaire et la masse (si ils sont fuyards ou claqués on se retrouvera avec la tension du secteur au châssis ! Danger ! a remplacer par des condo antiparasite secteur et de préférence en classe Y, Y2)