Reconstruction d'un R1155 SOS ! SOS!

presentation de l’appareil
recepteur equipant les bombardiers lancaster
cet appareil comporte une fonction « range finder » destinée a fournir une indication de cap au pilote en s’orientant sur un seul emetteur
la doc complete etant disponible sur le net
interessé par cette fonction je souhaite la remettre en etat
le recepteur a ete trouve dans un pietre etat de demontage electronique et mecanique
son etat face avant a l’achat


face avant copieusement repercée

2 boutons pas d’origine

les commandes de la fonction range finding absentes remplacées par des bornes
connecteur d’origine manquants

protection cadran disparue

cote interieur gros degats
le chassis a ete scié et desolidarise en certains points de la face avant
première etape faire des pieces utilisant la visserie existante pour la re fixation



cette premiere operation de consolidation faite , l’appareil est devenu manipulable sans que le chassis ne bouge par rapport a la face avant
on va pouvoir passer a l’etat des lieux

3 « J'aime »

Bonjour Radiolo,
Les deux boutons en haut à gauche ne me choquent pas, par contre, je trouve celui du « Increase volume » bien petit par rapport à ce que j’ai pu voir.
Quand aux fiches bananes, jamais vu vu sur ces postes !
Un exemple le plus courant :

J’ai quelques photos et documents si besoin. :wink:

Bonne restauration

1 « J'aime »

Quelques images

Je dois avoir le connecteur d’alimentation quelque part !

j’ai deja fait le tour du net et recupere tout ce qui est disponible
et meme essayé , pour le moment sans succes de commander a l’australien Peter Holtham le livret qu’il a edite pour le cablage
les connecteur M et F d’alimentation sont en cours de realisation avec des pieces données par des amis du forum , la difficulte etant d’avoir un jeu M et F au meme pas entre les pas anglais , americains et francçais il y a de quoi faire …
cela fera l’objet des prochains posts

etat des lieux preliminaire maintenant que je peux tourner le chassis dans tous les sens sans risquer de le voir se demantibuler
ne reste que la partie reception apparemment
toute la fonction range finder a ete demontée ainsi que le filtre Bf de reception
plus embetant le « master switch » ( le commutateur de droite ) a ete entierement decable le sabre du commutateur scie et les galettes ne sont plus celle d’origine
gros os de ce cote la
pour les commutateur du systeme range finding en haut a droite j’a de l’adaptable dans mes stocks
3 des self de choc nid d’abeille on disparu ainsi que tous les noyaux des FI sauf peut etre un qui ballade dans le boitier
deux grosses selfs de choc manquent aussi ainsi que des cartes bakelite a cosses portant les composants
et je n’ai pas termine l’exploration par rapport a la doc d’origine

1 « J'aime »

demontage des bornes et remise en place des commutateurs
par chance les etiquettes masqueront les trous perces


ensuite la bobineuse Laurent a bien travaille
refection des 3 selfs de choc manquante
un rapide calcul indique qu’elles doivent avoir une valeur de 8 mH environ,
valeur d’ailleurs confirmée par la mesure d’use self de choc de meme nature utilisée dans les memes conditions
on verra a l’usage s’il faut ajouter ou enlever des spires
voir la mise au point du bobinage nid d’abeille ici


le raccordement des fils et mise sous blindage


montage des elements dans le bloc

apres ce sera le tour de la platine filtre BF dont je pense avoir retrouve la self installée comme self de filtrage ( elle a un peu eu chaud) dans l’alim que le bidouilleur avait realisé dans la partie vidée du bloc VFO demontée

1 « J'aime »

Bravo ! Quel travail c’est une re-construction à ce niveau. Bon courage et merci pour ce post.

reconstruction du filtre BF dit hum filter
en s’inspirant des photos trouvées sur le net


image

un bout d’alu pour la structure
un bout de verre epoxy et qq rivets et cosses , on y passe quand meme presque la journée


la suite sera les cartes reparties un peu partout dans l’appareil
en premier la bias board

bonsoir Rémy
pourquoi cette appellation ?

d’apres la doc c’est un filtre qui coupe les frequences au dessous de 300Hz ou l’on entendait le bourdonnement de l’allumage des moteurs de l’avion

merci pour ta réponse et cette explication

aujoud’hui pas de gros boulot a cause de la visite du dimanche au marché a la brocante de Carpentras ou je n’ai rien trouve
mais quand meme realise la carte de polarisation et de CAG
toujours d’apres photos internet


image
la carte realisée

j’ai pu réutiliser un des condensateur mica d’origine retrouve cablé ailleurs dans l’appareil
pour indformation cette carte a ete retrouvée completment decablée des valeurs d’origine en pendouille aux bouts de fils a l’oppose de sa position initiale avec une dizaine de cosses cassées qui ont du etre remplacées ( elles sont rondes au lieu de rectangulaires )
reste deux autres cartes a realiser qui elles ont disparu
apres ce sera bobinage du transfo oscillateur 30 et 80Hz qui est le coeur du systeme range finding

1 « J'aime »

boulot de ce jour
diverses cartes , decoupe, perçage, sertissage des cosses et equipement de leurs resistances et condensateurs

image
image
et pour finir la journée un peu de tolerie
les blindages du bloc BFO et Direction Finding circuits
image

4 « J'aime »

bonjour,

sacré boulot

C11 mica sur carte reconstituée est posé un 1000 pf à voir sur le circuit du net et sur la carte au 3 résistances de 10 k en série il semble être un 100 pf

bien vu une erreur de ma part et corrigée
de toutes les façons lors du cablage je re controlerait tout

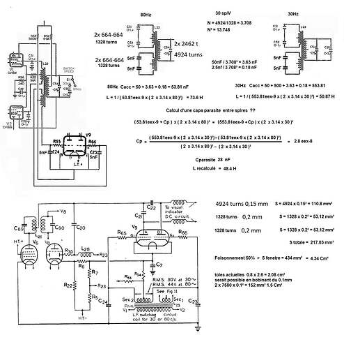
maintenant c’est au tour du transfo de l’oscillateur 30 & 80Hz
la seule info que j’ai sur ce transfo est cette image qui donne une idée de ses dimensions
image
et une donnée transmise par un radioamateur ( pd3wmz) les nombres de spires des enroulements mais pas plus d’info sur la section du noyau et la qualite des toles juste une info de puissance
image

j’ai essaye des transfos 22W mais ils sont loin de rentrer dans le volume disponible ( entre axe des trous de fixation 63mm )

bonjour,

peut être un transfo blocking image tv des années 1950 pourrait convenir du moins sa tôlerie est prévu pour le 50 Hz

cela me rappel un ancien réparateur tv qui m’expliquait qu’à chaque été aprés le retour des gens de vacance ces transfos blocking à l’arrêt pendant cette période (finesse du fil dilatation )
se coupaient (cela lui faisait du boulot le trait horizontal ) :grinning:

qq calculs pour estimer l’inductance necessaire
on s’aperçoit rapidement que les calculs aux deux frequences de 30 et 80Hz ne donnent pas la meme inductance
il faut tenir compte de la capacite parasite propre au bobinage
mais la valeur trouvée me semble bien elevée sauf erreur de calcul de ma part

maintenant il faut que je mesure l’inductance specifique de divers paquets de toles le meme section
pour voir si j’ai qq chose qui approche
Al=48.4/(4924²)=7.8eex-6 soit 8µh par tour²
je vais faire la mesure sur 1000 spires

premiere constation l’Al est tres variable suivant les paquets de tole , du simple au double pour la mem section de fer
c’est lié a la qualite des toles, les meilleures etant les noyaux en C
donc bobinage de 3 transfos cet apres midi en visant 40, 50 et 60 H


demain mesure des frequence de resonnances

la suite est le bobinages des deux grosse self de choc nid d’abeille
mais la, gros probleme aucune donnée même pas sur la taille des bobinages , de diametre du fil et l’inductance
donc SOS si qq’un possedant un R1155 les a sur son appareil je suis interesse par des données sur ces bobinages
image

1 « J'aime »

Tu t’es lancé dans une galère, mon pauvre Rémi ! En tous cas, je t’admire! Chapeau