J’ai vu ça.
Cela semble bien tentant.
Mais comme je n’ai qu’un seul poste à « traiter » en FM, c’est du boulot.
C’est le poste des parents (décédés depuis des années) d’un très bon ami de promo 68-71 !
Donc le son serait pour lui « une madeleine de Proust ».
À tout hasard, bien que je pense que cela n’ait pas beaucoup d’importance :
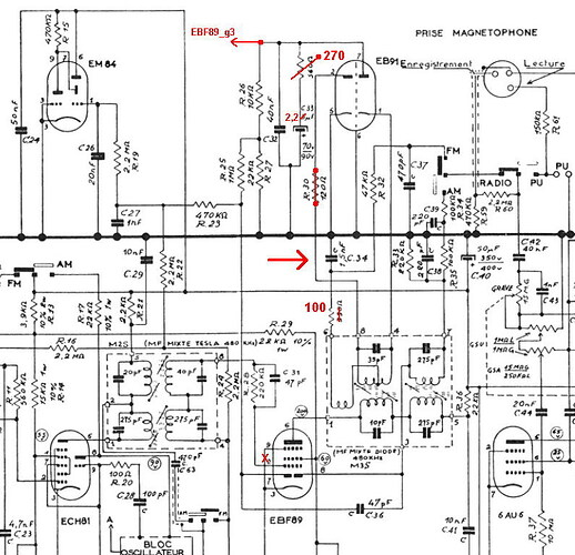
- C33 neuf 2,2 µF comme trouvé dans le poste mais remplacé ;
- ajustable 270 Ω en série avec ce condo ;
- R30 n’existe pas.
Où se prend le signal pour la fameuse courbe en S ?
Quelle doit être sa position par rapport au 0 V (ici détecteur asymétrique) ?
J’ai remarqué aussi que la syntonisation est pénible. Problème de niveau en entrée (cf. sous-sol), encombrement de la bande, autre ?
ECF82, EF89, EBF89, 6AU6 remplacés (contrôles au lampemètre U61B des anciens et « nouveaux » tubes).
OK pour les fréquences.
Euh (j’avais dit que j’étais nul en FM…) :
- c’est où la « cathode du limiteur » ?
- c’est où la sortie du discri ?
Je préfère poser les questions
!
Oui, merci Jean-Pierre, mais je trouve difficile de venir en aide sans avoir au moins l’allure de la réponse du discriminateur.
Bon courage
Daniel
Je peux relever la tension au scope + sonde x10 pour des valeurs allant de 10,4 à 11,0 MHz par exemple.
Mais où prendre le signal ?
Bon, faudrait quand même que je regarde comment ça marche…
ON5WF m’avait envoyé de la doc !
Oui il faut regarder où prendre le signal selon le type de discri.
Tu peux peut être tracer la réponse point par point, à condition d’avoir un géné stable et précis.
Oui j’ai un assez bon géné Ribet Desjardins et un fréquencemètre dont j’ai vérifié l’étalonnage.
Où prendre le signal sur ce schéma :
?
La courbe en S s’observe à la sortie du signal démodulé, sur C34. Sur C37, c’est après la désaccentuation. Le signal est décalé en fonction du niveau du signal, en raison de l’asymétrie du circuit.
La syntonisation pénible donne à réfléchir, quant à ses raisons.
Une courte explication ici, par exemple: https://www.eeeguide.com/ratio-detector-circuit/ On voit un peu mieux.
Le pont diviseur se place en parallèle sur C32. Le multimètre à haute impédance se place entre les deux résistances, d’une part et C34, d’autre part. Des résistances de 47 ou 100 kΩ pourraient convenir.
Encore un lien pour le montage asymétrique: https://worldradiohistory.com/hd2/IDX-UK/Technology/Technology-All-Eras/Archive-Wireless-World-IDX/50s/Wireless-World-1955-05-IDX-45.pdf
JP, ton discri. est un détecteur de rapport, regarde la figure 1 de mon article sur le vobulateur où est montré un schéma que tu pourras rapprocher du tien et qui indique où faire les mesures.
Pour regarder la BF à l’oscilloscope, c’est sur R32 (47k).
Daniel
Bonjour,
Pour profiter des derniers instants du site Orange, une méthode d’alignement assez bien expliquée, traduite d’une revue italienne :
Cordialement : jcj
J’en rajoute une couche (un article de tonton Sorokine):
Alignement des récepteurs FM.pdf (938,4 Ko)
+1J’utilise avec succès la première méthode de tonton Sorokine , jamais eu de problèmes
@Jean-Pierre_Waymel
A noter que dans cet article, Sorokine évoque des MF à 10,8 MHz!

C’est aussi celle que j’ai préconisée. Par contre, un filtre de bande sur-couplé, comme l’indique tonton Sorokine, est mauvais en FM, en raison de la réponse de phase. Le couplage critique est le mieux.
C’est embêtant pour un limiteur!
Bon bon, je resors!
OK, Jean-Claude, de la lecture ! Merci.
je préciserai quand même que toutes ces méthodes ne sont valables que sur un appareil sans panne dans ces circuits FI FM et discri
Doctsf (Modèles & Marques)
Annonces 
