Bonjour,
Je possède depuis un petit moment une platine technics M216, (lecteur k7) . Au début tout marchait bien, je trouait le son particulièrement bon. Mais un problème est apparu au fur et à mesure: la vitesse instable. Au début ce n’était pas bien grave et maintenant, la vitesse est toujours très basse, trop basse . J’ai mesuré l’arrivé de jus du moteur : Moteur débranché → 18 volts en alim ; moteur branché → plus que du 3votls !! Alors j’ai testé le moteur , il est nickel consommation normale. Je me suis donc orienté vers les condos chimiques, mais ils sont bons . Et là je vais m’attaquer à quelque chose que je n’ai jamais testé ni remplacé « les transistors » car apparemment cette platine est doté d’une régulation auto.
Je suis donc un peu bloqué, si vous avez des idées ou que vous savez comment on peut tester un transistor, je ne suis pas très à l’aise avec ça , Merci par Avance
Cordialment
technics_rs-m216_sm.pdf (7,7 Mo) Manuel technique Pdf complet
Bonjour,
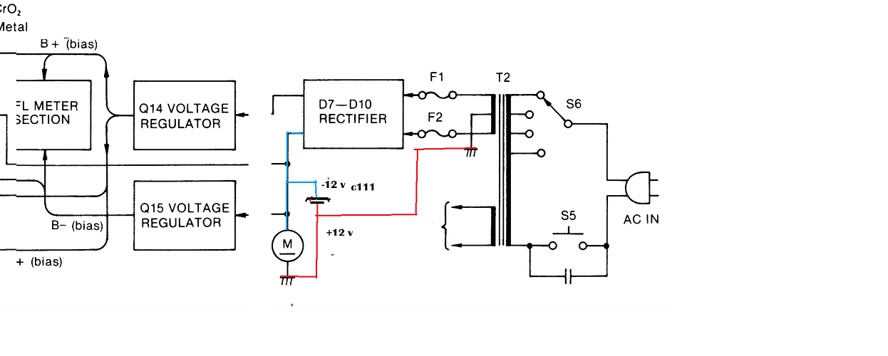
le moteur est alimenter par l’alim négative qui est filtrée par C111 (1000µF 16V).
Il n’est pas normale que l’alim s’écroule autant quand le moteur est branché.
Bonsoir,
Avant d’incriminer des composants électroniques, avez-vous contrôlé la courroie principale d’entraînement, car si celle-ci est en fin vie, cela peut provoquer une vitesse instable et trop lente, du fait qu’elle peut patiner entre la poulie du moteur et le volant de régulation de l’entraînement.
Cordialement
oui, il faut regarder aux bornes de c111
au voltmètre continu , puis en ac
Bonjour, je vais vérifier la tension aux bornes du c111, les courroies sont bonnes j’avais vérifié .
Aux bornes de ce condo (c111) je mesure à peine trois volts quand le moteur est branché et quand le moteur est débranché je mesure 17volts.
Q15 à remplacer (BD132 ?)
J’ai testé transistors bon, mais j’ai remarqué qu’en faisant tourner le moteur à vide sans les courroies la tension est bonne il tourne en 12v mais quand on met les courroies « pouf » ça descend drastiquement à 3v. LEs courroies sont adaptés et pas trop tendues.
Comment tu les as testés ? Soit le transistor n’est pas bon, soit le mecanisme est freiné
i lfaut tout de meme mesurer en ac ça prends une seconde et aux bornes d’un condo, ça peut renseigner
sinon, essayer aussi de brancher le moteur VIA une res de 10
et mesurez les 3 tensions (condo moteur, res de 10 ohm)
Tu as essayé avec une autre K7 ?
On a plutôt l’impression d’un problème mécanique à la limite du blocage.
Comme l’a suggéré Jean-Marc, mettre une résistance de faible valeur en série avec le moteur et mesurer la tension à ses bornes pour en déduire le courant consommé.
Autre méthode : moteur libre freiner la poulie de sortie à la main pour voir s’il y a du couple. S’il se bloque facilement c’est du côté de la régulation.
bonsoir,
si vous prenez le temps de regarder le schéma le block diagram vous donne l’articulation
en page 11 en particulier du power supply system
j’ai séparé la partie production alim -B et + B pour les étages à OP
le moteur recoit 12 volts issu du pont filtré par C111 et rien de plus
PAR CONTRE LE MOTEUR A SA PROPRE REGULATION INTERNE
c’est un Matsuschita 12 V continu
sa référence j’arrive a la lire sur la vue éclatée de la mécanique K7
c’est un MMI - 6AL2LKPA Matsuschita ( moteur rotation anti horaire )
pour testé ce moteur et donc sa régulation interne l’alimenter en 12 V en respectant la polarité
si son alimentation s’écroule à ce point sa régulation interne a du prendre chaud
avec délicatesse démonter le fond du moteur vous allez voir le petit circuit imprimé régulation
Désolé, Q15 n’y est pour rien ![]()
bien vu, tournesol , ici, je ne l’ai pas précisé , mais effectivement visuellement, c’est la première chose à regarder : l’arrière du moteur
si il y a un trou noir : la carte de régul est intégrée (ça peut se réparer…)
Je l’ai ouvert, il y a deux petits condos et un transistor, je vais essayer d’alimenter le moteur en 12volts via alim externe, si ça peux aider je peux également faire une photographie de l’intérieur du moteur.
j’ai trouvé une image des entrailles d"un moteur identique démonté
on voit bien la régulation
une belle photo de celle de votre moteur claire et nette pourquoi pas
le transistor il faudrait les références dessus
en fait il ne s’agit pas d’un transistor mais un circuit intégré spécifique pour la régulation moteur si je ne trompe pas
Bonjour, Je vous envoie ci joint une « photo » de la carte électronique, j’ai l’impression qu’il manque le petit potentiomètre, mais surtout à la sortie d’un condensateur chimique il y a du vert de gris sur les pattes.
Document numérisé.pdf (18,8 Ko)
bonjour,
il s’agit bien d’un circuit spécifique régulation moteur
AN 6610
faire essai du moteur sans la carte electronique lui mettre 6V max 9 V avec alimentation labo ou éventuellement avec 4 piles 1.5V en série tourne t-il normalement ?
Il a l’air de tourner normalement (avec plie 9volts) . Il fait juste un bruit et le couple à l’air correct .
Doctsf (Modèles & Marques)
Annonces 



