toutes les infos sont la
et c’etait une premiere pour l’ami Lebouseux
toutes les infos sont la
et c’etait une premiere pour l’ami Lebouseux
Mon transfo était plus près de l’état de fusion que le sien au prime abord.
ça complique un peu le debobinage sans plus
et pour le primaire tu ne fait qu’un 240V sans prises 110, 140 , 220 comme cela tu peux utiliser un seul diametre de fil ( celui de la partie 220V ) cela gagne de la place et simplifie le boulot
Ça confirme ma pensée.
des compteurs pas cher
ne pas confondre avec les compteurs a impulsions
Un compteur, je m’en suis fait avec une calculatrice et une ampoule de relais reed. Je monte un aimant sur un mandrin et le tour est joué.

Une ampoule reed câblée sur le = de la calculatrice. L’aimant se charge de simuler la pression. Il suffit d’initialiser le calcul : 1+ et l’affichage s’incrémente de 1 à chaque passage de l’aimant devant le reed. Il ne faut pas tourner trop vite sinon la calculatrice perd les pédales.
Quelle longueur de fil faut 'il en général pour un rebobinage ? Il faut le 240v le 6,3v et la ht soit 3 fils différents ?
il faut debobiner en comptant les spires de la couche
on mesure la longueur d’une spire par couche et on calcule la longueur necessaire a chaque couche $et on additionne les couches d’un meme bobinage
Il faut débobiner : le problème c’est que ça débobine sans le falloir. Je vais prendre une pause et réfléchir. A moins d’une astuce …

monter sur un axe en tige filettée de 6 mm et deux flasques en contre plaque pour eviter que tout s’effondre
Ca limite les dégâts.
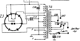
Voila ce que montre le doc.

Il me faut donc le 240V, les 2 filaments 6,3 V à point milieu, le filament de valve et la HT à point milieu ?
bonsoir
compter au moins le nombre de spires du 6,3V (fil plus gros, moins long et moins de spires)
et faire une règle de 3 pour extrapoler les autres bobinages.
J’ai déjà eu à refaire des transfos dont les primaires ou secondaires étaient lellement cuits que j’avais une masse de cuivre recuit collé à la résine (indébobinable)
@+
vaut mieux utiliser le M. Douriau ou le S. Lecoeur qui font autorite sur la question et puis pourquoi s’embeter a recalculer tout le transfo alors que l’on a l’original sous la main…
C’est le mode opératoire qui a retenu mon attention, pas le calcul, car ce transfo ne correspond pas à celui du Poler.
Bonjour
En attendant de pouvoir débobiner mon transfo cramé et qui part en déliquescence, je souhaite commander les différents fils. Ceux de chauffage sont relativement court et ça nem 'inquiète pas. Par contre je n’ai aucune idée de la longueur nécessaire pour les HT et secteur. Vu le prix du cuivre, je ne vais pas en acheter 1000 m de chaque s’il n’en faut que 200. J’exagère mais c’est juste pour exprimer le dilemme. J’imagine qu’il n’y a pas de gros écarts d’un modèle à l’autre ?
Bonjour
Tout est dans le titre. Certaines présentent des traces de corrosion ou alors le revêtement isolant semble faiblard. Sachant qu’il est important que toutes les tôles soient parfaitement isolées entre elles, j’avais pensé poncer la rouille ou les traces puis phosphater à l’acide phosphorique dilué ? A moins que je laisse comme ça vu que la rouille est plutôt un isolant ou du moins un mauvais conducteur ?