la 100K ne vas pas directement a la gille il doit y avoir la R de 2.7Mo
s’il y a un debut d’accrochage c’est sans doute du a l’augmentation de gain de la BF
cela depends de la position du pot de volume ?
si non c’est probablement un decouplage/ filtrage insuffisant de la polar par le moins
met un 47µ ou 100µ 25V ici
J’ai connecté le -3V en passant par une 100K à la grille après la 2,7Mo avec un fil à pince croco et mis un chimique de 47µF comme sur le dernier croquis le filtrage semble pas trop mal mais au niveau sonore j’ai l’effet inverse en fait si j’enlève ma pince croco donc je coupe la polar le son est légèrement plus fort avec un peu plus de souffle
curieux puisque le cela fonctionne mieux sans polar laisse en l’etat
Mais à quoi sert la toute dernière EF42 ?
Si je l’enlève je n’ai plus de réception.
cela a l’air d’etre une preampli HF
mais avec le schema je ne peux pas dire si c’est un preampli aperiodique ou accordé
le CV a combien de cages 2 ou 3
LC serie vu la taille de la bobine
cela doit etre un trappe sur la frequence FI
Bonjour à tous,
Comme quoi on peut gagner de la ronflette en ne changeant pas grand chose !
J’ai voulu remettre le montage au propre en remplaçant la R de filtrage constituée de deux R pour obtenir 1,5K que j’ai remplacé par une de R de 1,8K pour grappiller quelques volts et en mesurant la consommation au plus près de la self de filtrage arrondie à 50mA sortie de cathode de l’EZ80 j’ai modifié les R de polar par le - …
J’ai juste gagné une ronflette dans le HP volume à 0
sur ce montage la polar par le moins n’est quasiment pas filtrée
Juste une petite capa, pour filtrer ta polar ! La valeur importe peu, pourvu, qu’elle soit placée entre le moins de tes condensateurs de filtrage, et la masse (+à la masse) , 50 ou 100µFentre 25 et 40V, il y a le choix, et même, en plus, l’autre découplage, de 100nF, peut être remplacé, par de l’électrolytique,( valeur, également non critique) le principal, étant que ce soit bien filtré.
J’ai déjà mis une capa de 47µF entre le -3V et la masse mais le problème du ronflement vient de la R de filtrage suivant sa valeur.
J’ai trouvé ce compromis:
R filtrage de 1,5K me donne 284V entrée et 226V en sortie G2 pour l’EL42.
Polar 1 : - 8.6V
Polar 2 : - 2,4V
Comme ça aucun ronflement.
Maintenant que dois-je faire ?
Certains me conseillent le remplacement de la finale par une EL41 et aussi un ampli MF avec une EL41.
Pour ma part l’écoute d’une station est confortable.
Si vous etes content de vous , ne changez surtout rien ![]()
De toutes façons, le défit, c’est de remettre le poste en état de marche, et, si tout est correct, il est prêt a être mis sur l’étagère !
Au suivant !! ![]()
Par contre il y a des choses que je ne comprends pas …
J’ai voulu contrôler et régler les MF malgré que la vis secondaire du la MF1 est cassée au niveau de la fente mais je peux la tourner une petite pince à bec.
Mais il y a des mais car habituellement le fait de mettre un fil autour des MF on entend le bourdonnement dans le hp comme je connais pas la fréquence MF qui doit être entre 455Khz et 480Khz en balayant on arrive à se débrouiller mais là que nenni ou un bourdonnement beaucoup trop faible pour être exploitable ?
En injectant le signal du géné par l’antenne pareil ?
Et pourtant je reçois des stations en OC et en PO et la BBC en GO avec une antenne cadre, j’ai essayé de tourner les vis des MF sans qu’il y ait une différence ?
Je ne comprends plus !
Une autre chose quand je reçois une station assez puissante même en OC au plus haut de la réception je ressens une vibration dans l’axe où est enroulée la ficelle qui entraine la poulie du CV et le son est à la limite de la saturation.
on dirais que ta CAG ne fonctionne pas
verifie que la tension de CAG varie entre pas d’emision et emission forte
C’est la tension CAG qui aliment la grille de l’œil magique car sur les stations puissantes il bouge
il faut voir si elle arrive bien sur les autres grilles pour commander le gain il y a des R de 1Mo et des decouplages et constantes de temps sur la ligne
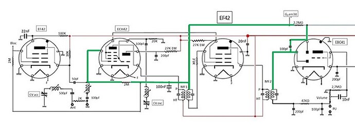
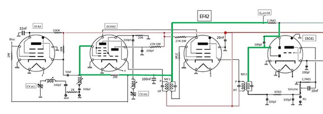
Le circuit CAG est bien celui en vert ?
Toutes les résistances de cette lignes ont étaient remplacées.
oui c’et cela
verifie si la tension de CAG arrive bien sur les grille
faire la mesure avec un 1Mo au bout de la pointe de touche pour eviter de provoquer un accrochage
Bonjour,
Mesure du circuit CAG avec un R de 1Mo en série sur la pointe touche :
Grille1 EF42(dernière) : - 1,2V
Grille heptode ECH42 : - 1,35V
Doide2 EBC41 : 0,85V
Doctsf (Modèles & Marques)
Annonces 


