pas forcement cela depend a quel chauffage il est relie il y avait peut etre un circuit de polar
il faut que tu me dises a quel enroulement de chauffage il est relie et quelles lampes sont chauffées par cet enroulement
la je pourrais en dire plus
Je t’avais indiqué que c’est les filaments push-pull
alors il devait y avoir a l’origine un point milieu artificiel
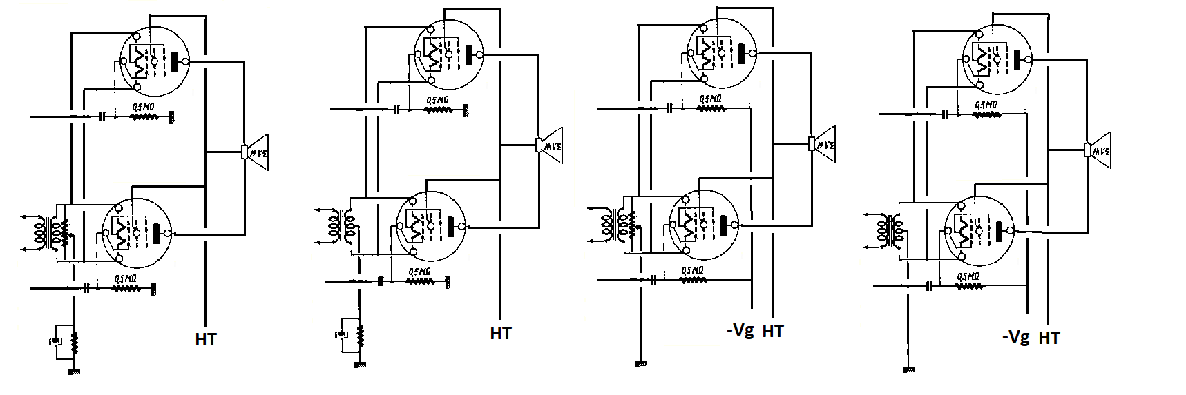
voici les 4 modes de polarisation d’un push a chauffage direct
C’était donc peut être monté comme dans le schéma de gauche?
Le point milieu de l’enroulement filament n’est pas la perfection; le zéro absolu s’obtient en ajustant ce pot en // dessus.
Donc je peux très bien ne pas utiliser mon point milieu du transfo, et mettre la résistance de polarisation et le condo en // sur le point milieu de ce « mini » potar…avec l’autre extrémité à la masse
C’est ça?
Absolument.
J’ai toujours fait comme cela.
comme quoi on s’explique mieux avec un dessin
Après, si cela a été modifié, c’est peut être que le « mini » potar est en mauvais état…
facile a verifier a l’ohmmetre
Je regarderai ça demain, en dessoudant d’abord une extrémité
et tu y mets quoi comme R à ton potar?
entre 10 et 50 ohms cela depend du courant cathode des tubes, plus il est fort plus la valeur doit etre faible
Je prends un petit pot bob de récup télé de 47 ou 100 Ohms.
Il est bon de tenir compte de cette R additionnelle dans le choix de la valeur de la R de cathode.
Alors pour les mesures du potar d’équilibrage:
32ohms entre les deux bords A et B
Entre cosse centrale et A ça varie de 10 à 25ohms
Idem pour B.
Une question: quelle doit être la puissance de la résistance de 400ohms située entre le point milieu du secondaire push-pull et la masse?
la E443H travaille avec un courant anode de 36mA en mode lineaire
si on met le push en mode lineaire cela fait 236mA = 72mA dans la 400ohms ce qui est le pire cas on arrive a un puissance de 400-0.072²= 2W
mais je pense que ton push doit etre en classe AB+ avec un courant de repos moitie moindre ( ce qui se faisait a l’epoque) de 18mA par tube soit 36mA au total donc une dissipation de 4000.036²= 0.5W
en mettant une 1W cela sera suffisant
Pour le potar d’équilibrage, les valeurs te paraîssent conformes?
tout a fait 32/2= 16 ohms en serie avec 400ohms c’est negligeable
Après réparation du système d’ampoules du cadran (un culot avait cassé et créait parfois un CC…), j’ai essayé de capter quelque chose.
Fallait bien s’en douter, rien de rien!
A t’on une idée de la FI utilisée sur ce type de poste en 1933?
il faut essayer d’injecter un signal HF ( essaye de 100 a 500Khz) sur le tranfo FI de la détection pour voir si celle ci fonctionne
sans voir de près un bobinage Fi je ne peux pas t’en dire plus peut etre un 135KHz
https://www.doctsf.com/schema/d19998/ref=748#lg=1&slide=0
Doctsf (Modèles & Marques)
Annonces 
