Restauration Phénix Contellation grand luxe

Bonjour,

Après quelques temps d’absence sur la restauration TSF pour me consacrer à la menuiserie pour la fabrication d’une cuisine extérieure.

Pour recommencer doucement j’ai ressorti ce poste récupéré en 2008, un Phénix -Ets. Lavalette Constellation qui est dans le GL mais pas le grand luxe avec un jeux de lampes différent et des Zoreilles :

ECH42, EF41, EBC41,EL41, GZ41 et EM4

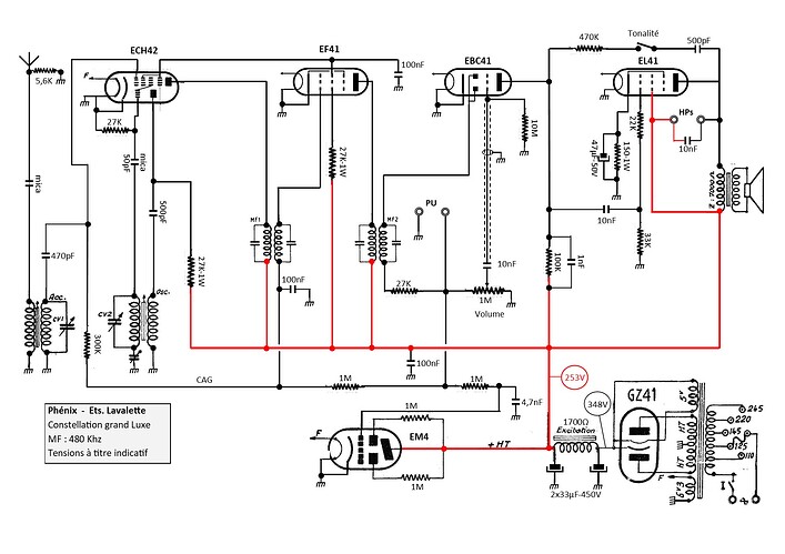
J’ai remplacé les capas papier qui avaient vomies leurs tripes et les 2 chimiques.

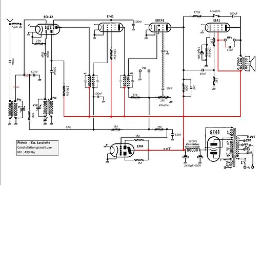
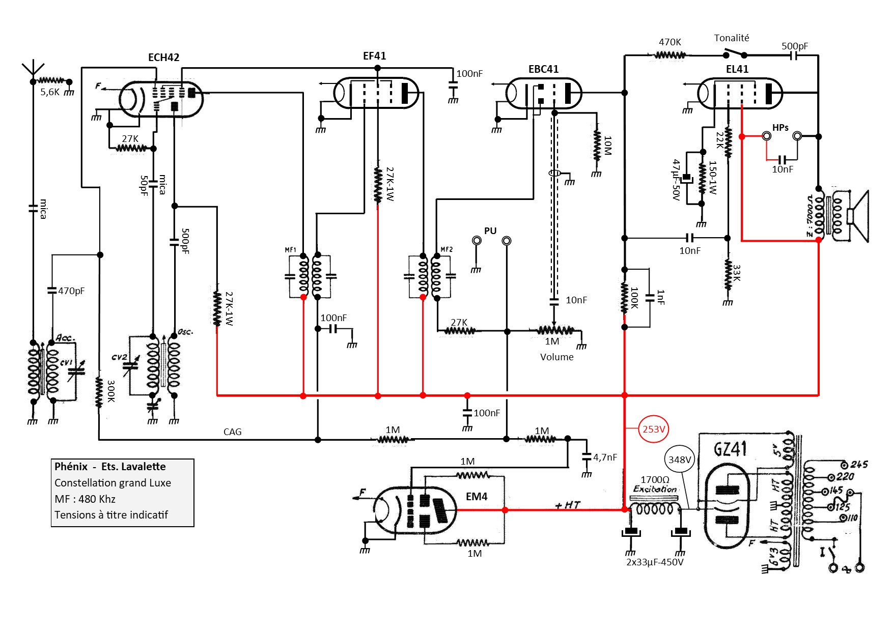
J’ai relevé le schéma : si vous voyez des erreurs n’hésitez à les corriger.

Par contre la finale n’est de première jeunesse !

@Radiolo faut il faire une nouvelle fiche ou continuer sur l’existante avec des annotations ?

2 « J'aime »

tu as une G1 en l’air sur la EBC41
probablement une 10Mo a la masse

a mon avis continuer et corriger et enrichir la fiche existante

Bonjour Brico,

Le signal HF n’arrivera jamais à la grille de la ECH42, car dévié à la masse.
Il manque C&R pour que la CAG fonctionne.

A+

Bravo pour la menuiserie !
Joli boulot.

4 « J'aime »

Je vais enrichir la fiche.

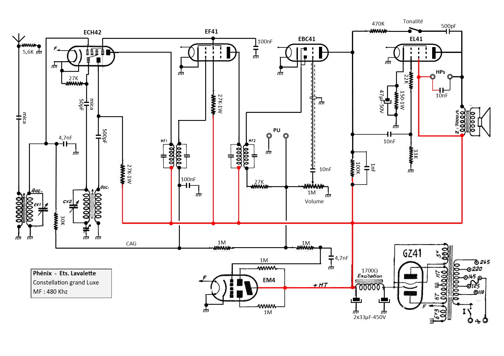
Pour la R10 M ce n’est ni un oubli ni une erreur car elle est inexistante et pour faire le schéma j’ai pris comme support un poste qui a le même jeu de lampes Acer 52 L280 mais je la rajoute.

@thermoionic je viens de vérifier le relevé, il est conforme mais je ne dis pas qu’il n’y a pas d’erreur par contre j’ai trouvé étonnant l’absence de capa entre la g1 et l’accord (comme celui de l’Acer) et j’ai pensé qu’elle pouvait être dans le bloc et ce qui ne semble pas le cas où elle est cachée dans le bloc ? Si je dois en mettre une, je mets une 200pF comme sur l’acer ?

Bonjour camarade Bricoleur ! -2,6V sur la G1 de l’EL41, c’est peu. Il devrait y avoir, près de -6/-7V. Peut-être dû, aux valeurs que l’on retrouve entre cette grille et la masse, normalement 470K, et sur ton schéma 33K.
Pour ton autre occupation, c’est bien, tu vas pouvoir faire des frites et du poisson a l’extérieur :wink:!!

1 « J'aime »

Pour brico,
Dans ce cas, cette capa de g1 ECH42 est cachée dans le bloc, c’est bien possible.
Reste que ce 4.7nF fout le signal à la masse… :wink: Je n’insiste pas.
A+

1 « J'aime »

ton ohmmetre est ton ami et te dira tout sur ce circuit

la fuite de G1 EBC41 est le pot sur ton schema de base Acer et la cathode est polarisée ce qui fait que l’on a une Rg1 de faible valeur

2 « J'aime »

Oui mais sur le Acer 52, il n’y a pas de condensateur entre le curseur du potentiomètre de volume et la grille de la EBC41.

Dans cette configuration, sans condensateur, la résistance de grille est assurée par le potentiomètre lui-même.

Si on met un condensateur, la grille se retrouve sans potentiel fixé en courant continu et devient négative, la lampe se bloque et montage ne fonctionne pas, il faut donc dans ce cas une résistance de forte valeur (10 MΩ) pour écouler le courant continu la masse.

4 « J'aime »

@Jeanmonod_Henri-Louis je n’avais pas prêté attention sur l’absence de capa vers le potentiomètre sur l’Acer :blush:

@thermoionic

Si si bien au contraire insiste, j’ai pas la science infuse…j’étais chaudronnier tuyauteur…voilà :wink:

@Radiolo

J’ai vu avec mon ami ohmmètre, entre la cosse où arrive la R de 20K et la capa de 4,7nF et la cosse vers le CV accord je trouve :

OC 0,2Ω, PO 2Ω, GO 18Ω et PU 0Ω

@bellancourt_guy

La cuisine extérieure est dans la cour de mon atelier, les frites oui mais le poisson ou autre c’est au barbecue :rofl:

donc pas de capa dans le boitier
si tu veux que la CAG agisse sur la changeuse
voici le montage a faire


et tu peux ajouter un zero a la 30K 300K serait mieux
moins d’amortissement de l’accord et meilleure sensibilite

3 « J'aime »

Bonjour
En plus des anomalies signalées , il est étrange que le seul découplage de la haute-tension soit le chimique de filtrage , je verrais bien un petit 100nF entre la HT et la masse , pour calmer les risques d’accrochage

2 « J'aime »

Comme quoi “grand luxe” ne veut pas dire opulence :rofl: à l’époque une capa de 100nF devait coûter un bras !

Je prends en compte la remarque et je la rajoute.

Je retourne à ma séance de relaxation…la remise en place de la ficelle d’entrainement CV :rage:

3 « J'aime »

J’ai un souci avec le disque en caoutchouc cassé d’un coté et qui sert à faire la liaison entre la poulie et l’axe du CV, en quelle matière puis je le refaire sachant que le CV est directement vissé sur le châssis ?

le refaire en caoutchouc dur 80 ou 90 shore
pour la decoupe du caoutchouc le lubrifant c’est eau +savon de marseille
et gare aux doigts

1 « J'aime »

Où puis je trouver du caoutchouc dur ? Au boulot on utilisé du néoprène en différente épaisseur mais je pense que ce n’est pas assez rigide.

essaye deja ce que tu utilisait au boulot

Tu pourrai trouver ce genre de « flector » sur une épave, c’était très courant a la grande époque des « zoreilles » et « bananes » ! Je suis allé voir dans mon m.., mais (je m’en mords les doigts ) j’y ai fait du ménage ! :grimacing:C’est toujours comme ça !
Appel au peuple !! :wink:

J’ai réglé le problème en espérant que cela tienne dans le temps !!! Comme le flector est complétement déformé, une des pattes de la pièce métallique fixée sur l’axe de CV et emmanchée dans la rondelle caoutchouc sortait de son logement et la rotation du CV s’arrêtait.

Pour remédier au problème j’ai démonté la pièce métallique fixée sur l’axe et j’ai mis un petit coup de lime sur les pattes de façon à braser à l’étain dessus une lamelle de pile de 4,5V pour rallonger les pattes et après plusieurs essais ça fonctionne :yum:

Je remets le schéma corrigé