Avec un oscilloscope et un géné BF, ce serait vite diagnostiqué !
A défaut, mesurez bien les tensions sur les électrodes des 2 tubes ECLL800 et donnez-nous le résultat…
Avec un oscilloscope et un géné BF, ce serait vite diagnostiqué !
A défaut, mesurez bien les tensions sur les électrodes des 2 tubes ECLL800 et donnez-nous le résultat…
Bon soir à tous:
Un des problèmes de SABA, il est que ses résistances vieillissent très mauvais, il est important que tu révises tous les composants.
Un potenciometre double m’a donné beaucoup de problèmes à mon.
Tu démonte le decodeur et révise les V. à chaque branche du circuit.
Il est une radio très facil de réparer, à sa part de son.
Important réviser les potenciometres. (¿Il est bien écrit?)
Saluts.
Juan Antonio.
Un potentiomètre, des potentiomètres…
Muy importante : limpiar los potenciometros… (correcto ?)
Mi castillano es pobre, but my tailor is rich ! ![]()
De passage les amis…
En ce moment, il fait des kilomètres dans le coffre de la voiture à nouveau…
Je vais voir cette semaine prendre un peu de temps pour mesurer les tensions sur les ECLL800 comme tu me le conseille Pierrot.
Je vous tiendrai au courant…
Bonnes bricoles!
Et ne pas oublier les potentiomètres, comme le suggère Juan Antonio…
Je crois que les kilomètres, ça n’est pas bon non plus !
Re Pierrot:
en effet, les secousses que peut occasionner le roulage ne sont pas top…
Par rapport aux potars, le son sans basse est propre. Lorsque je mets des basses, plus j’en mets, et plus ça va baver sur la voie an question (gauche). Ce n’est pas par “secteur” de potar que le son se dégrade, mais ça ne coute rien d’y jeter un oeil.
Ciao!
Peut-être y a t’il de la poussière ou des saletés dans le haut-parleur qui le font vibrer ?
Mais comparer les tensions d’alim, ça serait bien aussi pour le foreum ! 
Hola a touts:
« LE MALADE IMAGINAIRE » (Monsieur Molière dixit), de beaucoup de postes sont:
Je le dis en Espagnol que pour moi est plus facil, ¿Un gentil traducteur?

Une petite révision de ces composants, il résolût beaucoup de problèmes.
Saluts.
Juan Antonio.
[quote=« japa »]- CONDENSADORES ELECTROLITICOS SECOS, PRINCIPALMENTE ALIMENTACIÓN.
On va tenter la traduction : 
condensateurs électrolytiques secs, surtout dans l’alimentation
mauvaises soudures, très mauvaise qualité de l’étain il y a 50 à 60 ans (en Espagne ?)
résistances au charbon aggloméré vieillissent très mal et changent de valeur
supports de tubes avec faux contacts
claviers oxydés
redresseurs au Sélénium en mauvais état
MERCI collègue, très remercié.

[quote]- mauvaises soudures, très mauvaise qualité de l’étain il y a 50 à 60 ans (en Espagne ?)
[/quote]
En Espagne, en France, en Allemagne etc, il était un problème des alliages.
Saluts.
Juan Antonio
Nous sommes en 2010…
Il y a 50-60 ans, c’est à dire entre 1950 et 1960 il n’y avait pas en France de problème de qualité de l’alliage utilisé pour les soudures.
Avant 1950 peut-être mais pas après !
Bonjour à tous!
Bon, je vais ravoir un peu de temps à consacrer à ma radio…
Je voulais savoir si je pouvais mettre ma radio sous tension lorsque ses haut-parleurs débranchés?
Afin d’effectuer des mesures sur les ECLL800…
Affaire à suivre! Merci à vous.
Guillaume.
Il vaut mieux mettre une résistance de charge à la place des HPs, c’est plus prudent… Beaucoup plus prudent…
Re:
Une petite résistance 1/4 de watt pourra-t-elle faire l’affaire alors?

Hola:
Je ne sois pas si il avant fonctionnait bien.
Il est une poste très,tres,très facil de réparer.
L’opinion de notre collègue Pierrot (respectable), ne laisser d’être un chauvinisme, les faux contacts par des mauvais alliages, il est 30% des problèmes, dans les postes de la France, l’Allemagne, l’Espagne etc.
J’ai beaucoup d’expérience à cette radio, tu n’enlèves pas les lampes.
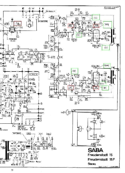
1º - Mesurer des V. marqués en vert.
Après mesurer V., nous parlons.
Saluts.
Juan Antonio.
![]()
Bonsoir, à tous, je viens d’acquerir moi aussi un Saba, mais il s’agit d’un meersburg automatic 125 stereo, tout comme vous je voudrais bien le restaurer, mais impossible d’en avoir, le schéma. Quelqu’un pourrait il me donner une info à ce sujet? LIEN SITE, etc… Merci d’avance pour votre collaboration. Pierre.
Bonjour à tous,
Je suis nouveau sur ce forum. J’ai acheté également une Saba Freudenstadt 15. J’ai commencé à faire une restauration électronique.
Comme indiqué sur ce forum, j’ai suivi les conseils. J’ai remplacé les condensateurs comme indiqué. Pour ma part changer la résistance R333 de 1Mohm me semble inutile. Je l’ai changé quand même.
Mais j’ai toujours le même problème. Le son passe uniquement par le haut parleur gauche (en regardant le poste en face). Il n’y a qu’un seul haut parleur qui fonctionne sur l’ensemble. J’ai vérifié également le raccordement (pièce verte dans le radio) permettant de raccorder les haut parleurs à la partie du montage. J’ai également interverti les lampes ECLL800. Toujours le même problème.
Quand on appui sur le bouton stereo, le son passe légèrement sur le tweeter gauche du poste. Est-ce normal ?
Pouvez-vous m’aider ou m’orienter vers quelle partie se diriger ?
Vous en remerciant d’avance, à très bientôt,