Restauration SNR Excelsior 52

J’attaque également la restauration de ce SNR Excelsior 52.
On voit qu’il va y avoir du boulot. La tôle est un peu cabossée et il faudra tout refaire au niveau de la peinture. Ce sera l’occasion d’essayer la méthode employée par Everondia…


.
.
Là il y a un truc qui me turlupine: j’aurais tendance à penser que quelqu’un aurait refabriqué le contreplaqué pour y mettre un HP ovale à la place du HP rond d’origine. Ai je bon?

Pas sur qu’un HP rond identique a celui de droite entre ?

y a t il la place derrières ?
image

C’est certain que la partie droite de la planche a été modifiée pour l’ajuster à un HP elliptique non d’origine ; voici la planche qu’il y a sur mon 52 :

Le H.P. elliptique n’ est effectivement pas d’ origine et la planche a été modifiée.
dans le mien, c’ est comme celui de Patrick.

A +.

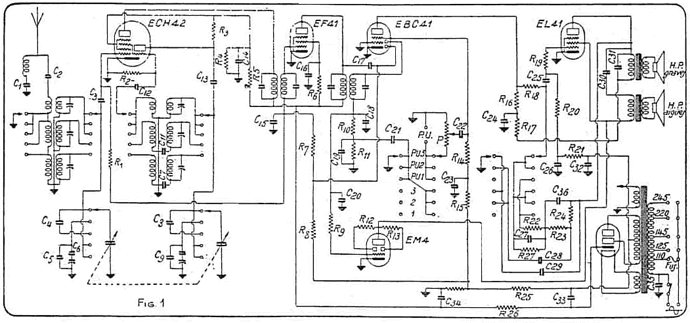
Il faudrait que je recherche dans mes docs mais je crois me souvenir qu’il existait un modèle de 52 avec un seul transfo de sortie et dans ce cas deux HPs ronds; un autre modèle avec 2 transfo de sortie (pour le grave et les aigus) et dans ce cas un HP rond et un HP elliptique…
Voici le schema avec les deux transfo trouvé sur Radiomuseum

Très intéressant.
J’ai effectivement deux transfos de sortie, et donc ce doit être d’origine.
On peut considérer qu’il s’agit d’une version améliorée de ce modèle!

Par contre les boules, le transfo de sortie des graves a le primaire coupé!
Dernier espoir, que le fil soit coupé à la sortie du bobinage…

La GZ40 est également à l’agonie…
J’ai pas ce modèle qui court pas les rues apparemment…
J’ai pensé provisoirement à le remplacer par une GZ41 qui serait un peu en sur régime. Puis je me suis rappelé que j’ai un Ondia 92 qui attend son tour. Je suis allé lui faucher la GZ40, mais surprise, le propriétaire précédent y a monté une GZ41!

Le transfo de sortie des graves est bien HS!
Coup de bol, parmi mes HP en stock, j’en ai trouvé dont le transfo BF est exactement du même modèle.

Et après changement des traditionnels condos, et un petit coup de KF dans le pot du volume qui crachouillait, la BF fonctionne impeccable.

Par contre, les HP sont relativement déchirés sur le pourtour et un peu perpendiculairement.
On voit que l’elliptique a déjà été recollé (et la colle est rigide ou elle a durci…)


Que me préconisez vous comme méthode pour réparer tout ça?

Bonjour,
pour réparer les membranes des hauts-parleurs, j’utilise du papier buvard enduit de latex de Butyl.
cdt,
Gérard

Jean Michel, Il y a du tulle nid d’abeille sur aliexpress pour etre parfaitement dans le meme motif, j’en ai vu hier pas moyen de le retrouver :pensive:

Bonjour,

Pour ma part, j’utilise du papier à cigarette ou du papier d’emballage qu’on trouve couramment au fond de ses chaussures neuves et dans la boîte les contenant.

Je coupe de fines bandelettes (ou des rustines si il y a des manques) que je colle recto-verso sur la déchirure avec de la neoprene pour avoir un montage souple.

Bonne journée

Tony

latex , texticroche, dissolution de reparation pneus tubless il faut que cela reste souple dans le temps

feuille a cigarette et colle a bois

Si manque de matière, prélèvement de morceaux de membrane sur HP foutu (bobine mobile coupée ou autre) et colle néoprène; ou colle néoprène seulement si simple déchirure.

Pour ma part, j’utilise des morceaux de compresses non tissées et du latex de butyl. Ensuite, un peu de couleur gris foncé dessus et le tour est joué…

Du coup j’ai mis de la colle tissu au latex que j’avais sous a main…

Excellent la colle latex :slight_smile:

Je confirme.

A +.

Sur mon poste il manque la bande plastifiée blanche qui s"enfile sur le pourtour de la façade avant.
Est-ce qu’on peut trouver cela quelque part?

reste a savoir comment cela s’appelle exactement…
c’est ça mais en blanc ou creme ?
https://www.bing.com/images/search?view=detailV2&ccid=98mHTbwF&id=491B422ADAFD90EBD61FEC25A3AB6614428D88D8&thid=OIP.98mHTbwFvihpXsLVP0JjswHaHa&mediaurl=https%3A%2F%2Fs1.medias-norauto.fr%2Fimages_produits%2F650x650%2F687758.jpg&cdnurl=https%3A%2F%2Fth.bing.com%2Fth%2Fid%2FR.f7c9874dbc05be28695ec2d53f4263b3%3Frik%3D2IiNQhRmq6Ml7A%26pid%3DImgRaw&exph=650&expw=650&q=carosserie+bordure+plastique&simid=608030501514256453&FORM=IRPRST&ck=5288B6598B3EA2081535AC63A342A930&selectedIndex=33&ajaxhist=0&ajaxserp=0

peut etre ici
https://www.amazon.fr/Tuokay-Protection-Portiere-Lintérieur-Caoutchouc/dp/B081NGVJNX/ref=pd_day0fbt_img_1/258-5523969-6590547?pd_rd_w=CH260&pf_rd_p=4f3ed7a0-20d7-44f7-bd63-9d17e4689fc6&pf_rd_r=0G6D9TZEVBNNV9M6V765&pd_rd_r=7f0f861b-6488-4809-9195-49c6a7883242&pd_rd_wg=iFMxI&pd_rd_i=B081NGVJNX&psc=1