enleve la 6J7 et regarde si Vk tombe a zero
Vk = 0,02V
bon du courant cathode et pas de courant anode et G2
verifie les R anode et G2 R21 et R22 pour voir si elle ne sont pas en C/C
tu mesure a l’ohmmetre entre HT et anode et entre HT et G2
HT/Anode: 470Ω
HT/G2: 2,7KΩ
hmmm tu est sur que ça a fonctionné avec ces valeurs ???
je dirais plutot
anode 470K
G2 270K et 50 a 100K a la masse
si avec ce traitement la 6J7 n’est pas morte on a de la chance
regarde les montages avec des 6J7
et sa note d’application
Bonjour @Radiolo,
Un peu à la bourre…
J’ai fait des contrôles et des mesures.
Concernant la finale 6V6G ça me parait bon:
Va = 258V
Vg2 = 258V
Vk = 12V
Vg1 = 0
D’ailleurs si je mets le signal BF directement sur Vg1 j’entends bien
Pour info j’ai aussi changé R23 et C23 (liaison vers G1 de la 6V6G)
Par contre, toujours dans le « caca » avec la 6J7G. Ce n’est pas le tube, je l’ai contrôlé.
Et sauf erreur de ma part, j’ai des valeurs de R conformes à la note d’application.
Si j’injecte la BF sur G1 de la 6J7, le son est même très légèrement plus poussif que quand je l’injecte directement sur la 6V6G!
Relevés sur la 6J7G:
Va = 257V
Vg2 = 100V
Vk = 5V
Vg1 = -0,8V
Quelque chose de louche?
D’habitude, c’est pas sur les Pb de BF que l’on sèche. Mais là…
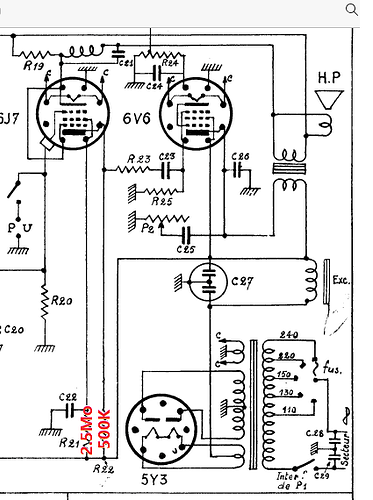
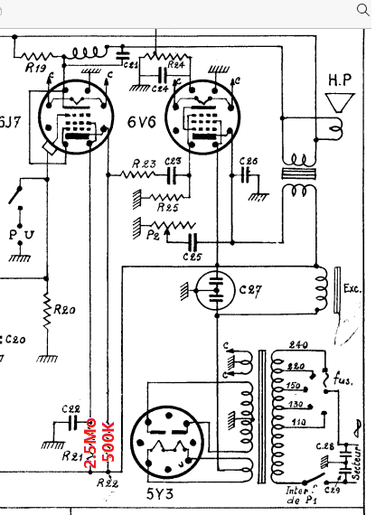
curieux sur le schema la 6J7 il y a 500K dans l’anode et sur l’anode tu trouves la tension HT direct 257 V ??? signe qu’il n’y a pas de debit anode ou que la R anode fait qq ohms
la R d’anode ne serait pas en C/C ou de valeur erronée
le Omega indique des Megohms et pas des ohms
ou la connexion anode est coupée dans le culot ou le support du tube
en plus +5V sur la cathode cela fait une polar grille a -5V alors que normalement cela devrait etre a -3V
fait le tour des valeurs des R de cathode
ou alors ton tube ne consomme rien du tout et la tension G2 de 100V est due a une fuite de C22 condensateur de decouplage de G2
pour connaitre la consommation du tube 6J7 mesure la tension aux bornes de R19 si c’est zero v ou qq mV le +5V / masse viens d’ailleurs , du circuit precedent de la 6H6 R15 C17 R15 coupée ??
Bien joué @Rémy. concernant la 6J7G, je me suis trompé de valeur de résistance lorsque j’ai changé Rk.
Maintenant j’ai Va=73V, Vg2=70V. En fonction du volume, VK entre 0,8V et 2,1V et Vg1 entre -0,4V et -4,55V.
Ca te parait bon?
si cela fonctionne en polar tout semble OK
et les polar s qui sont des points de repos se mesurent toujours volume a zero et sans emission reçue
la variation de la polar en fonction du volume est curieuse surtout s’il n’y a pas de signal BF > une capa qui fait de zouave ?
Sans émission reçue c’est sur, j’ai pas mis de fil d’antenne.
Par contre j’avais mis un signal BF…
Néanmoins on est pas sorti de l’auberge. J’ai un son très très faible quand je mets le géné BF.
Pourtant, sur la 6V6G, J’ai Va = 250V, Vg2= 260V, Vg1 entre -12,7V et -15V, le tube qui est bon…
Sachant que j’avais changé R23 et C23 (liaison), et C24
Doctsf (Modèles & Marques)
Annonces 


