Effectivement le circuit de la G4 est dans la bobine T1 située au pied du CV, je la vérifierai demain.
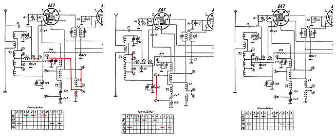
Pour revenir à la bobine L2 je ne comprenais pas pourquoi sur le schéma il y a 3 selfs et sur le poste 2 et une modification.
a mon avis c’est un représentation de bobines sur couplées
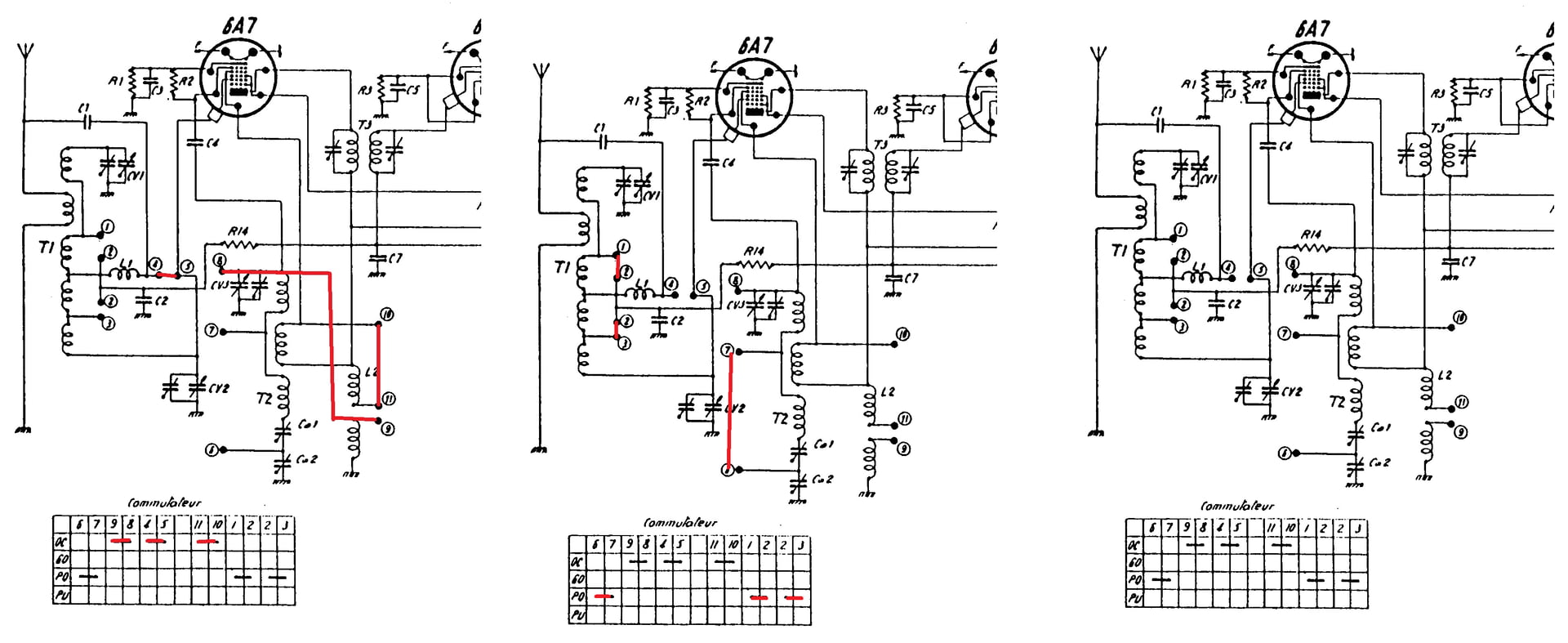
Il faut dire aussi, que le schéma, est assez mal représenté. Il ne faut pas perdre de vue, que la partie HF, comporte un présélecteur, ce qui explique les bobinages doubles ,et la première cage du CV. En effet, il doit y avoir un problème de bobinage d’antenne, voir même un problème de couplage entre le primaire, et le secondaire du présélecteur. (Présélecteur, pratiquement obligatoire, vis à vis de la fréquence intermédiaire de ce poste).
Quand a L2, elle est dans la G2 (donc plaque osc). Le dernier schéma, doit souffrir, d’une erreur d’interprétation, car la commutation, cour circuite L2 en OC,(points 10 et 11 ) , ce qui est contraire a son utilisation !
Voilà le plan remis en forme pour plus de compréhension. A noter, la gamme OC, ne profite pas de la présélection, sa bobine d’accord, attaque directement la G4 du convertisseur.
Bonjour,
Merci à @bellancourt_guy pour le croquis qui est beaucoup plus parlant que plusieurs lignes d’écriture. ![]()
J’ai redémonté la bobine T1 afin de mieux voir où arrivent les différentes selfs sur les borniers ainsi que le contrôle de continuité à l’ohmmètre et mesure des selfs.
Tout est normal
Cela m’a permis de m’enlever le doute sur l’arrivée du fil partant de l’antenne avec en série une capa de 2nF arrivant sur la self « antenne » mais sur le schéma cette capa n’existe pas.
remonte la bobine dans le poste
et hors tension
si tu as un oscillo
tu met une sonde 1/10 sur G4 CV1
ton géné HF position non modulée niveau max et tu cherches la résonnance en PO et GO
si tu l’obtient c’est que lé bobinage est bon et les commutations fonctionnelles
Avant je fais la même manip sur T2 ensuite je remonte pour les test à l’oscilo et le géné
il faut essayer de comprendre comment son couples les deux circuits accordés
Contrôle de continuité, mesures des selfs de T2 et schéma

ça c’est l’oscillateur
il te faut regarder ce qu’il y a de connecté a CV2
je ne comprends pas bien avec le schéma du poste comment est fait et fonctionne le filtre d’entrée accordé par CV1 et CV2
CV2 est connecté au point 5 et G4 et à l’autre extrémité de la self du point 3
Je remonte la bobine T1 et je ferai les mesures à l’oscillo et géné demain
Sur le schéma le circuit G2 de la 6A va directement sur la self au point 10 mais sur le poste il y a une R de 22K, a t elle son utilité ?
a mon avis a linariser un peu le fonctionnement de l’oscillater
En fait je me suis gouré !
La R est dans le circuit HT filtrée et va à l’autre extrémité du point 10 commun avec L2

Pas de masse ici, ,on a une ligne de CAV série (R14) depuis les bases des bobinages GO 1et 2, de la bobine d’accord OC, le tout réuni au point « 2 » du commutateur, découplé par C2.
j’avais point vu la capa de découplage , je deviens bigleux
Bienvenue au club !!
Bon, on a les circonstances atténuantes, avec ce schéma mal foutu, où i faut repérer les points de connexion !
C’est étonnant parfois je retire mes lunettes pour voir si j’y vois mieux !..
Celui-ci est peut être plus net mais c’est du pdf l’original est encore mieux mais il provient de RM et j’ai osé le publié.
Técalémit Super 54-58.pdf (288,7 Ko)
Nous avons le schéma dans la fiche du modèle 54, qui est identique au 58, il vient de la schémathèque « Radio-Service » il est de bonne qualité.
Doctsf (Modèles & Marques)
Annonces




