aucun fil BF venant de la détection arrivant sur ce commutateur ?
Je ne sais pas et actuellement je suis à la maison et le poste à mon atelier je regarderai demain
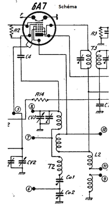
En jetant un coup d’œil sur le diagramme de commutation (représenté côté HF du schéma), on s’aperçoit, qu’il est exactement dans la même position qu’en GO !
N’est-il pas possible d’ajouter un commutateur (entre C11 et R10) qui met en service la réception ou la fonction PU ?
Je crois qu’il suffirait de couper la détection ?
Effectivement je n’y avait pas prêté attention
Si il y a une position angulaire fixe pour l’inverseur, il suffit de faire un CC avec un micro contact à roulette et un coup de lime où on veut pour le commander seulement en position PU ! …
C’est facile si il y a un angle de rotation et un point fixe à un angle différent entre GO et PU, et ça ne se voit pas …
Et, beaucoup mieux :
mettre des cales en laiton entre les contacts posés en plus sur une plaquette de fibre de verre ou autre sur les boulons de fixation du commutateur :
bleu dessus, vert dessous, rouge plaquette
Et profil :
(pas de cylindre à main levée ! ! !)
le noir plaquette et les barreaux (comme eux actuels mais ajoutés)
me bleu les cosses de profil (moins belles que celui de BB !!!)
Si on a de la bakélite c’est mieux !
Le diagramme renseigne sur les commutations, pas sur la position angulaire du commutateur …
Il faut alors voir si (en position PU) on peut modifier les barrettes de contacts sur le sylindre pour cet usage …
Ahhh si, mais on pourrait alors mettre des cosse sur une rangée vide en haut …
Il semble qu’il y a (au moins) une cosse libre au centre sans n° sur le diagramme (peut-être laissée sans rien de branché) sur le commutateur … :

si on la prend en position PU, elle ne correspond à rien car aucun strap tournant n’existe dans cette position …
Y a plus qu’à chercher quoi ajouter pour avoir un contact pour commuter la BF … soit sur une existante déjà, soit sur une ajoutée comme je pense
C’est à voir mais je regarderai demain car je n’ai pas le poste sous les yeux.
@Radiolo en fait le schéma est celui du Super 54 pris sur RM et le câblage est identique sur le 58 et il y a aussi sa fiche technique qui donne la fréquence MF.
Tu peux, faire un truc comme ça. si tu n’as pas ces pièces sous la main, je te mets tout ça dans une enveloppe, direction le Cotentin ! Micro-switch, support, entretoises.
Très bonne idée.
Je suis preneur et dis moi combien je te dois
Tu m’enverras un timbre !
, et un petit croquis coté, avec photos, de façon, à déterminer la taille du support et la longueur des entretoises pour échapper l’écrou du commutateur, et, important, la place restant entre le châssis et la boîte. Redonne-moi aussi, ton adresse, ça peut être utile.
Bonsoir à tous,
@bellancourt_guy un chose que je n’ai pas pensé hier c’est que le sélecteur de gammes tourne sans fin, il n’y a pas de blocage et le levier du micro switch peut se trouver arracher !
J’ai toujours une meilleure réception en mettant un bout de fil avec une pince croco sur la G4 de la 6A7 il n’y a pas de rupture de continuité à l’ohmmètre dans les bobines ???
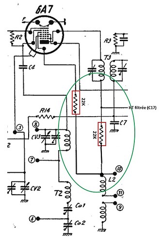
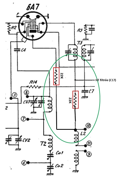
Je ne sais pas si cela peut avoir une incidence mais il y a sur le poste un capa de 2nF qui part de l’antenne et arrive sur la bobine L2 mais elle n’apparait pas sur le schéma ?
Pour le levier, du micro-switch, on peut toujours lui donner une forme qui lui permet d’être attaqué, dans les deux sens de rotation.
Exemple de montage:
Avec ce matos là.

C’est un peu flou, mais, on voit la courbure de la palette. Si non, il y a la roulette (celle-ci, n’est pas russe !)
Pour la capa de 2nF qui va de l’antenne a la bobine L2, elle n’a rien à faire là. D’après le schéma, L2, est dans le circuit OSC local (enroulement d’entretien des oscillations), donc, a priori, rien à voir avec l’antenne. Par contre, il y a effectivement un condensateur, qui doit aller de l’antenne à L1 (L1, étant bien dans le circuit d’accord), mais, d’une valeur plus basse. Peut-être, y a-t-il eu confusion?
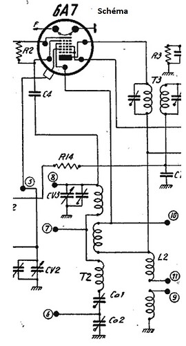
Je ne sais pas pourquoi j’ai été cherché « L2 » mais en fait il s’agit de T1 ![]()
J’ai planché sur les bobines surtout L2 qui sur le schéma possède trois selfs et en réalité deux
La self des points 10 et 11 est en gros fil marron et l’autre point 9 et masse en petit fil gris entre les spires de la marron.
Représentation sur le schéma :
Modif : relevée sur le poste
Est ce normal ?
L2 ressemble fort a une bobine OC oscillateur
la bobine antenne ( qui a mon avis pose problème) est située dans le circuit de la G4 qui sort sur le téton de la lampe
Doctsf (Modèles & Marques)
Annonces






