restauration TV SPACE AGE CONTINENTAL EDISON ?

Bonjour, à tous et merci de m’accepter sur le forum.
Rapide présentation : (il ne semble pas y a voir de rubrique dédiée ?)
Sylvain, 54 ans, passionné d’électronique, Artisan en dépannage vente de matériel radio à usage professionnel
(radio commandes pour grues, ponts roulants, tracteurs forestiiers, …).
Collectionneur de vintage Américain (jukebox,…) et parfois d’autres choses comme cette télévision.
CONTINENTAL EDISON.jpg
Je n’arrive pas à savoir exactement la marque et le modèle de ce téléviseur. Il semblerait toutefois que ce soit un CONTINENTAL EDISON (à vérifier)
Ce dernier est en assez mauvais état, mais sauvable de la dechetterie.
Je l’ai entierement démonté, et nettoyé en profondeur en utilisant une technique qui va vous paraitre surprenante :
l’aérogommage au bicarbonate de soude, puis rinçage à l’eau claire.
Je pratique cette méthode avec succès sur toutes les cartes électroniques qui ont pris l’eau et que je dépanne depuis bientôt 35 ans. Le résultat est incroyable avec une rapidité sans précédent.
J’ai bien entendu pris soins de démonter les transformateurs pour ne pas les mouiller.
Je suis loin d’être un spécialiste de la télévision, et j’aurais grandement besoin de votre aide si vous le voulez bien. je ne possède aucune documentation technique, et je n’ai pour base qu’une référence introuvable au bas à gauche du châssis.
CHASSIS AVANT.jpg

A très bientôt, Sylvain.
CHASSIS ARRIERE.jpg

Bonjour,

bienvenue sur le forum,
ce continental edison ressemble à ce thomson :
marcelstvmuseum.com/thomson% … der15.html

et ce modèle :
radiomuseum.org/r/continent … tv131.html

Bonjour,
Vous pouvez-vous rendre sur le site tsf-radio.org
Il vous suffit de vous connecter au forum pour avoir accès aux archives, vous trouverez votre bonheur dans la rubrique tv n&b dans continental edison, voir châssis 61a.

Sylvain
67CCEC16-4B1A-442F-A471-45FCEE0CEB4C.jpeg

Bonjour à vous tous, et un grand merci à l’intérêt que vous portez à ce projet.
Je me suis rendu sur les liens que vous avez laissé.
Concernant MANNIX54, le modèle ne correspond pas, mais merci quand même.
J’ai ensuite visité le site cité par BABICZ mais ça coince de mon coté car un message m’indique que mon "plug inn ADOBE FLASH PLAYER " est obsolète. n’étant pas plus dépanneur télé qu’informaticien, j’ai tenté de résoudre le problème sans y parvenir.
Je vais voir avec mon fils s’il peut faire quelque chose…
Sinon, sans vouloir vous faire perdre votre temps, serait il possible de m’envoyer le PDF des plans sur le site
tsf-radio.org à mon adresse mail?
je vais dans un premier temps remplacer tous les condensateurs chimique du châssis par des neufs, et passer les tubes au lampemètre.
Certaines résistances ont pris un sérieux coup de chaud, il faudra également les vérifier/remplacer.
Merci encore à vous. Sylvain.

Bonjour à tous,

Un très très grand merci à BABICZ pour le site en référence tsf-radio.org qui comprend de très nombreux schémas et documents service pour les téléviseurs anciens. :wink:

Pour faciliter la vie de Sylvain et en soulignant que ces éléments proviennent bien de TSF-radio.org, voici les 6 pages du document proposé sur cet excellent site recomposées en un seul fichier pour le schéma complet.

Sauf erreur, ce serait un châssis à chaud, directement relié au courant secteur sur sa masse ! :unamused:

Cliquer 2 fois sur l’image puis enregistrer le fichier jpeg.
Chassis-61A.jpg

Bonsoir, et BINGO ! ! !Vous avez mis dans le mille…
Le schéma correspond bien au chassis de ce téléviseur.
Dommage que le décentrage du document joint ne permette pas la lecture de ce qui est écrit en haut à droite,
ce qui permettrait de connaitre le nom du constructeur de ce téléviseur qui semble avoir été commercialisé sous différentes marques.
J’ai réalisé une impression grand format (A2) en configurant tout simplement en impression « poster » permettant de découper une image puis d’assembler les feuillets A4 . La définition est très correcte, et tout est parfaitement lisible. La remise en service de ce téléviseur est une grande première pour moi, mes loisirs sont plutôt orientés sur sur la restauration des jukebox, et les distributeurs de popcorn ou soda des années 40/50 .
J’espère que vous continuerez à venir à mon secours en cas de difficultés, et comme je suis un « petit nouveau » je ne sais pas s’il est d’usage sur ce forum de montrer ou partager les différentes étapes des travaux que j’ai à réaliser.
Je regrette en tous cas que nous ayons perdu l’irremplaçable monsieur Morel qui avait créé Electronique Diffusion dans les années 60, puis Radio pour tous dans les années 2000. J’habite une petite commune du nord Isère, proche de Corbelin là ou se trouvait son stock colossal de composants électroniques anciens, Il ne se passait pas une semaine sans que je vienne lui faire une petite visite, et bien souvent repartir les bras chargés de tubes, et composants divers…Dorénavant, je devrais acheter tout cela sur internet…Sylvain.

Bonsoir,
Je pense que ce châssis qui a un circuit imprimé double face (très rare dans le grand public à la fin des années 60) est celui qui a un problème chronique avec les traversées qui relient les deux faces et qui ont conduit Continental Edison à la faillite.
Si c’est bien ce châssis, toutes les traversées (réalisées avec un genre de rivet creux) sont à reprendre pour obtenir un fonctionnement fiable.
kiki37 connaît ce sujet mieux que moi et pourrait confirmer s’il s’agit bien de ce châssis.

Hello,

PS : le fameux circuit imprimé pourri de Continental, est-ce que ce n’était pas le légendaire « châssis S » ?

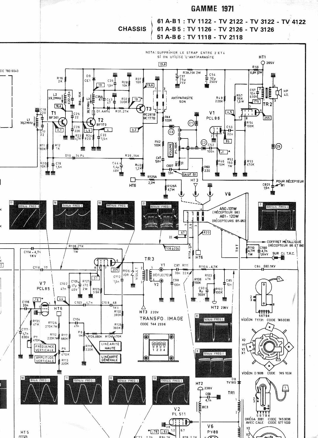
Les références imprimées sont conformes aux données publiées par le site TSF-radio.org :
Chassis-61A-B1 61A-B5-51A-B6-1971

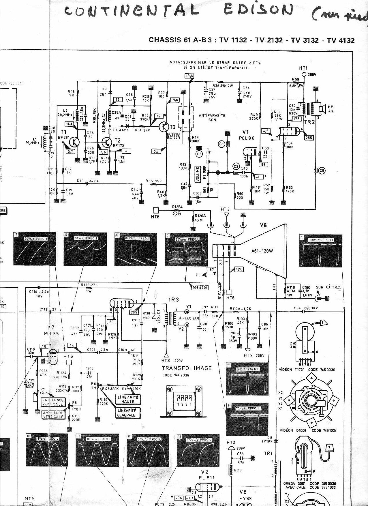
Attention, il existe aussi une variante : Chassis-61A-B3

La marque est bien Continental Edison :

Extrait de la variante 61A-B3, du même fabricant :

Bonsoir, et un immense remerciement pour vos éclairages.
Un étiquette en papier collée à l’arrière du téléviseur a miraculeusement survécu au stockage prolongé dans un environnement à forte humidité.
On peut encore y lire : TV1118 ce qui voudrait dire que le châssis est la version 51A-B6.
Votre extrait de schéma représente la zone sur laquelle je suis en train d’intervenir, à savoir la BF.
les résistances 57 et 59 sont carbonisées, toutefois la valeur reste bonne. je les remplace par des 3watts pour plus de sureté, il y a largement la place sur le CI.
Concernant les traversées, le châssis ne comporte pas les fameux rivets dont vous parlez. Des queux de composants sont utilisées pour faire la liaison avant/arrière, et des cercles blancs sont sérigraphiés pour les identifier.
Le condensateur de filtrage quadruple C63-64-66-67 a perdu 75% de sa capacité, et les autres ne semblent pas au meilleur de leur forme…
Le châssis est effectivement directement relié au réseau sans passer par un transformateur.
Pas question d’y mettre les doigts, et lorsque je devrais faire des mesures, je ferais en sorte de tourner la prise d’alim. dans le bon sens pour avoir le neutre à la carcasse.
On devine pourquoi le blindage des prises d’antennes VHF/UHF n’est pas relié à la carcasse
Je n’aurais jamais pensé que ce type de montage « tout courant » ait été encore utilisé dans les années 70 ! ! !
A suivre, Sylvain

Bonsoir
Si c’est bien le châssis 61AB1 , connu sous le nom « châssis A1 », ce n’est pas la châssis double face « S » qui n’a d’ailleurs pas été commercialisé en châssis basculant.
D’après les références de résistances brûlées données par Sylvain, c’est bien le châssia A1 et cette panne en BF est connu et courante: c’est la résistance RS35 ou R57 de 56 kohms (agglomérée) qui se met en court circuit, amenant le 265 V sur la 150 ohms (RS34 ou R52) reliée à la masse et qui bien sur se coupe !
Il faut remplacer la 150 ohms, voire mettre directement la cathode à la masse et supprimer RS35 ou R57
(les références changent suivant schéma et génération)
NB Ce n’est surement pas R59, mais R52 qui est brûlée :exclamation:
il faut aussi changer la PCL86.
C’est un excellent châssis

Hello,

À la demande de Sylvain et pour que tout le monde ici puisse en bénéficier aussi, il m’a demandé de publier les 6 pages scannées à partir du schéma d’origine.

Voici les 3 premières :

Chassis-61A-B1 61A-B5-51A-B6-1971.jpg

Chassis-61A-02.jpg

Chassis-61A-03.jpg

Et les 3 suivantes pour compléter. Encore merci à TSF-radio.org :wink: :

Chassis-61A-04.jpg

Chassis-61A-05.jpg

Chassis-61A-06.jpg

C’est un chassis hybride:
-Semi conducteurs pour les étages à courant faible( Tuner, HF-FI, video ), et alim
-Penthodes à vide pour les étages de puissance( ampli trame, ampli ligne, et THT )

Bonsoir. Mon téléviseur est un modèle TV1118.
Le schéma correspondant au châssis est donc le 51 A-B6.
Durant le week-end entrecoupé de bons repas pris en famille, j’ai pu avancer un peu.
L’ensemble des condensateurs électrolytiques ont été remplacés, ainsi que les quelques résistances
qui avaient pris un coup de chaud.
j’ai mesuré au hasard quelques résistances carbone, et condensateurs céramique ou plastique mais les valeurs n’ayant pas ou peu varié, je suis assez confiant. Les présélections du tuner VHF étaient totalement bloquées.
Je l’ai démonté nettoyé et dégrippé. j’en ai profité pour sabler et repeindre la plaque de dessus du châssis
qui était toute rouillée.
Le week-end s’achève, et je vais ranger tout ça pour reprendre ma semaine de travail.
Tout ce que j’ai pu faire jusqu’à maintenant était à ma portée, mais la suite risque de se compliquer.
Je n’ai pas la moindre idée de la façon dont on réalise la mise au point et tous les réglages nécessaires pour obtenir une image correcte. Si mon tube s’illumine, j’aurais déjà fait un grand pas car lorsque j’ai récupéré ce téléviseur, le tube restait désespérément noir et une forte odeur de " chaud" se dégageait de l’arrière du TV.
A 18 ans, alors que mes copains dépensaient leur argent à améliorer l’esthétique de leur voiture, je courrais les stocks Américains, et en particulier celui de Saint bonnet de mure pour y dégotter des trésors. J’ai gardé de cette époque un lampemètre METRIX 310BTR neuf sorti de sa caisse en bois ! ! ! La prochaine étape après remontage du châssis sera le test des tubes, mais j’en vois déjà deux qui ont certainement rendu l’âme.
Quelques photos pour finir…
filtrage alim.jpg
rouille.jpg
resistor.jpg
Bonne semaine à vous, Sylvain.

Hello,

Un grand bravo, Sylvain, c’est déjà un énorme pas en avant !

Moi qui suis un vieux débutant dans la réparation des TV de cette époque, je suis confiant pour cet appareil.

Quant aux réglages, après avoir analysé les tensions, contrôlé les circuits et traité les pannes de composants, ce sera justement l’étape réglages qui sera la plus simple et probablement la plus sympa, sauf peut-être si la THT elle-même est touchée et encore (refaire ou rafraîchir ses soudures est toujours une bonne idée).

On intervient sur des selfs, des potentiomètres et parfois sur les bobines autour du col du tube…

Après la gestion de la luminance et du son quand apparaît la neige à l’écran, viennent les ajustements de la symétrie :

  • prévoir une mire grille N&B et un grand miroir pour faciliter les ajustements.

Bien sûr, du fait de l’absence d’entrée vidéo ligne (qui est très risquée à créer en raison du châssis à chaud), un petit modulateur à la norme L est nécessaire ou alors un ancien magnétoscope pourvu d’un tel modulateur (soit préréglé sur le canal UHF 35 ou bien réglable).

Enfin, si l’objectif consiste à produire une image de qualité supérieure, le top du top consisterait à utiliser la fameuse solution 819 Lignes qui est traitée dans un des fils de ce forum et de cette rubrique mais ce n’est pas indispensable car ce téléviseur procurait une image de qualité en 625L (ce qui d’ailleurs soulagera la THT et les composants associés).

Quelle chance d’avoir une petite sableuse et un véritable atelier « pro ». En tout cas, bienvenue chez les fous des téléviseurs anciens. :wink:

Bonjour,

Les cercles blancs ne sont que des repères de connections filaire, le circuit imprimé n’est qu’un simple face. Les pistes visibles coté composants ne sont qu’une sérigraphie, d’ailleurs bien pratique pour la recherche de panne.

Méfiance toujours concernant les contrôles préalables de condensateurs électrochimiques. Je possède un exemplaire de ce téléviseur visible ici sites.google.com/site/collectio … AIHc0co8C8

Il fonctionne avec pratiquement tous ces condensateurs d’origine. J’ai l’habitude de démarrer ces appareils des années 70 directement au variac (auto transfo variable) en surveillant l’établissement de la HT.
Les pannes les plus courantes sont bien sûr la coupure des résistances chutrices bobinées vitrifiées, mais également les soudures des plans de masse de leur support métallique ainsi que celles du blindage du balyage ligne.

Oh que si! bien d’autres châssis dont le plus répandu A1 de Thomson (à ne pas confondre avec celui-la) ont existé, dans le but d’éviter l’usage d’un coûteux et encombrant transfo.

Pour faire simple, une TV ça se rapproche un oscilloscope. Si tu es un usager expérimenté de cet appareil, il te sera très utile pour le dépannage de ce TV. L’odeur de chaud me semble normale et surement provoquée par l’échauffement des résistances bobinées recouvertes de poussière, c’était le cas sur le mien. Il faut savoir que ce châssis chauffe énormément et c’est normal.

C’est vrai qu’en y regardant de plus près les « pistes » côté composants ne brillent pas, et c’est certain que ça doit bien aider pour suivre une connexion en cas de panne. Mais ça doit coûter quelques centimes de plus, c’est pourquoi la plupart des constructeurs ne le faisaient pas.

C’est vrai qu’un tous-courants consomme nettement plus que le même schéma alimenté par transformateur.
Mais c’est assez surprenant d’avoir conservé une alimentation sans transfo sur un châssis semi-transistorisé.
A la même époque (fin des années 60), Philips France (=La Radiotechnique) dont les châssis N&B 100% tubes (sauf le tuner UHF sur la fin) étaient sans transfo depuis toujours avait basculé sur une alimentation isolée par transfo dès que seuls les étages de balayage ligne et trame restaient à lampes.

Chez Schneider (Arphone, Tévéa), dans les années 70, le châssis 40 à semi-conducteurs sauf étages puissance ligne, trame et BF existait sous 2 versions : châssis 6105 sans transformateur d’alimentation et châssis 6206 avec transformateur d’alimentation et le prix de vente s’en ressentait !
Curieusement, les châssis suivants châssis 50 et plus curieusement le châssis 80 :frowning: , de 1974, entièrement transistorisé n’avaient pas de transformateur d’alimentation !

C’est surtout la dissipation en calories des résistances de puissance chutrices qui affecte le rendement énergétique, je n’ai pas vérifié dans quelle proportion la consommation est supérieure.

Sauf que dans le cas du châssis c, celui dont tu parles, la section puissance BF est également transistorisée. Ce n’est pas le cas du du TV de Sylvain ainsi que sur le A1 de Thomson qui utilisent une PCL86.
PHILIPS à probablement préférer utiliser un transformateur à cause d’un nombre de tubes plus faible qui aurait nécessite une plus grande chute de tension pour alimenter la chaîne de filaments série P.

Bonjour à tous. Je profite d’un petit moment de battement entre mon travail, et l’heure de passer à table…
Je suis rassuré de voir que je suis suivi par des « pointures » qui reprennent les énormités que j’ai pu écrire dans la précipitation. Je ne sais pas comment j’ai pu me laisser berner par la sérigraphie coté composants que j’ai confondu avec des pistes cuivrées :blush:
Il faut dire que je ne suis né qu’en 1967, et que depuis, plus aucun constructeur ne s’encombre à faciliter la vie des dépanneurs de cette façon là. d’autre part, la plupart des circuits imprimés sont double face voire multiples couches, il serait donc impossible d’imprimer une sérigraphie sur la face avant.
Je devrais savoir me servir d’un oscilloscope, j’en utilise un (RIGOL DS2072A ) « Updaté » par son précédent propriétaire pour disposer de toutes les fonctionnalités du plus grand de ses frères . …
Voici une photo de mon environnement de travail, je ne suis pas très fier du bazar qui y règne, mais l’essentiel est que j’arrive à m’y retrouver…


Dans ce « capharnaüm » on y trouve un analyseur HF PROMAX, une station 3 fers WELLER WMD3, plusieurs générateurs BF/HF, et coté atelier « gros travaux » un tour d’usinage CAZENEUVE HB575 à banc rompu,
Deux cabines de sablage micro bille de verre et Bicarbonate de soude, et plein d’autres trucs pour s’occuper.

J’espère pouvoir un jour faire revivre mon télé comme celui de Jean-luc absolument magnifique.
Merci encore à vous tous.