J’ai cette belle télé américaine qui a du son mais pas d’image…
j’ai remplacé un condo de 200 µ qui était absent, à part cela toutes les lampes s’allument , du son mais pas d’images
Que c’est beau !!!
trop beau… !
peut-être Hervé aura son idée …
bonjour,
magnificat ! beau bijou et nickel ! j 'adore ! aurait-il pas un
ptit frére que vous auriez en trop ?
!
lorsque que vous dite plus d’image
voulez vous dire pas de tht ?
bien amicalement
Bonjour et pas de petit frère ,
pas non plus de THT
Bonjour
Faudrait regarder l état du condensateur de récupération an niveau de la tht
Christian
OK Christian , je m’occupe de ce 60µ demain
re
que ça ne t’empêche pas de vérifier les tensions par la même occasion
en tout cas il est super ce poste, comme toutes les productions US tout est super bien pensé, pas de superflu, rien à voir avec les productions européennes, ça m’étonnera toujours…
christian
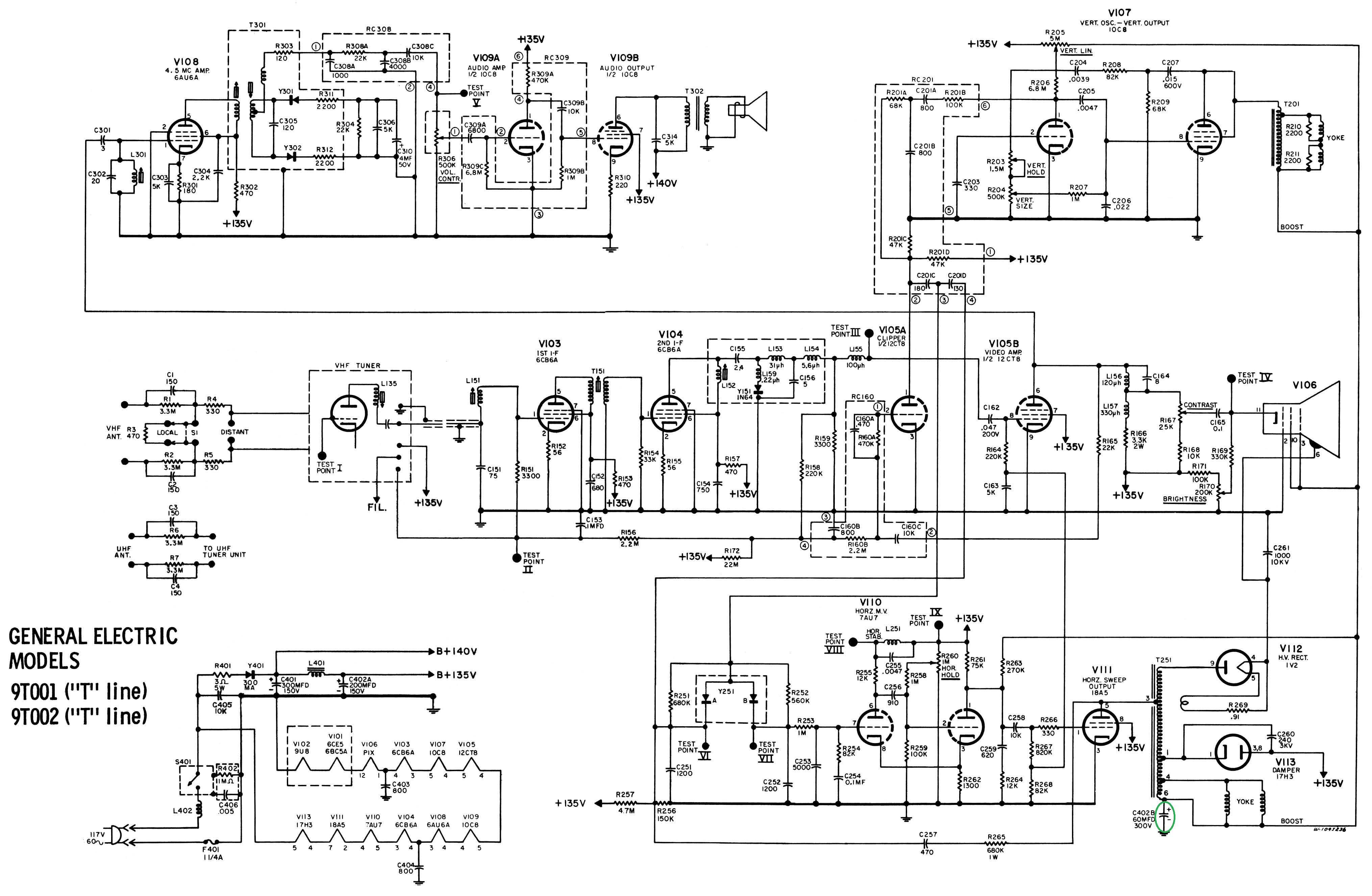
le 60 µ va bien , voir les tubes 18A5 , 17H3 et 1V2 ils s’allument mais ?
Si le 1V2 s’allume c’est que le transfo THT fonctionne car il est chauffe par le transfo
tube 1V2 pompé ,
facile a verifier avec un tournevis bien isole si ça effluve sur sa plaque si ce n’est pas le cas
la bobine secondaire serait coupée ?
verifier a l’ohmetre le continuite des enroulements
bonjour
peu de chance de voir rougir le filament car même en fonctionnement il rougit à peine
par contre la lampe de sortie ligne et le valve de récupération doivent être allumées
quand la tht fonctionne il suffit d’approcher un tournevis du verre de la valve tht pour voir apparaitre des étincelles sinon ya un problème
un truc à savoir en prenant pour base une tht de 12 kv on obtiens facilement une étincelle de 10 mM
christian
c’est à dire la 17H3 et la 18A5
V111 et V113 vu que ces tubes n’ont pas de tétine ça ne vas pas faciliter les choses
faut approcher le tournevis de l’anode de ce tube attention aux chataignes
la 1V2 s’allume ou non ?
ou je ne comprend pas votre phrase
1V2 ne rougit pas et reste froide ,
je me disais que j’allais changer les 3 tubes d’office
Bonsoir, en remplaçant les tubes d’office ne résoudront pas votre problème, il faut mesurer les points tests sur le schéma c’est bien indiqué ensuite la chaîne de filaments est en série …
Christophe
1V2 Verifier son filament a l’ohmmetre
les filaments des autres tubes chauffent ?
C’est du chauffage en serie si 1 filament est coupe rien ne fonctionne
le filament est OK , elle est chauffée en 0,6 volts donc ça ne rougit pas c’est normal , et elle n’est pas sur le circuit série des autres
la 1V2 elle n’est chauffée que quand le transfo THT fonctionne et normalement ;dans le noir on doit voir une lueur rouge dans le tube d’anode , si ce n’est pas le cas votre THT ne fonctionne pas
Les autre lampes sont elles chauffées ?
Doctsf (Modèles & Marques)
Annonces 


