j’oubliais que signifie les marquages sur le tube directement ?
fabriquation de TC je ne pense pas, par contre on peut trouver du NOS ou de l’occase
quand a trouver du vert …cela doit se faire rare
Assez surprenant en faisant l’effort de traduire en anglais ça tombe de partout mais alors le prix, surprise bonne ou mauvaise, et apparemment je ne suis pas le seul à chercher ce genre de CRT.
Moores, Thomaselectronics,
Pareil je cherche pour l’autre partie du CompacTest Bosch ce moniteur suivant, mais je suis étonné du tarif, pourtant c’est un truc tout bête de 12’’ en 12v directement.

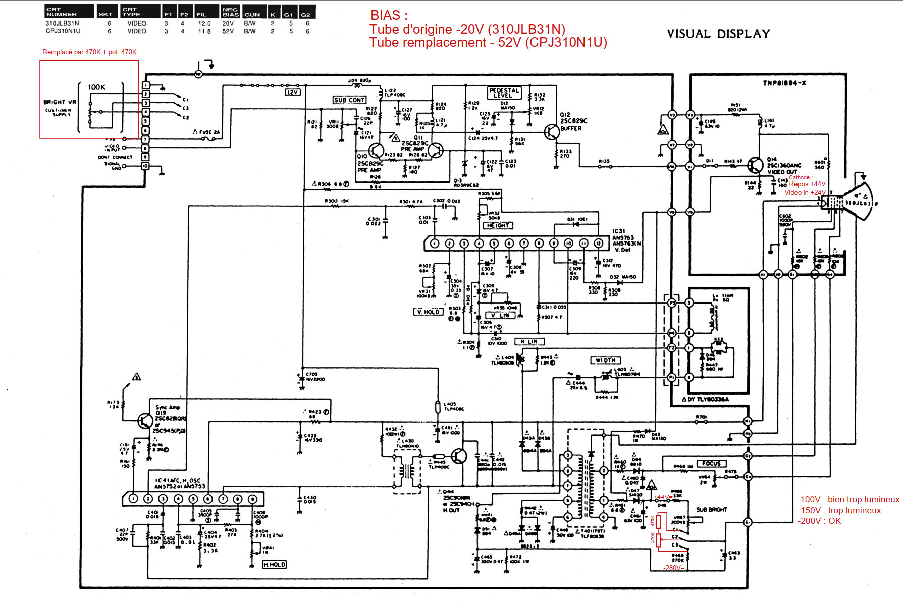
Je ne suis pas trop d’accord, le brochage, la tension de chauffage et la polarisation peuvent changer d’un tube à l’autre. J’ai déjà remplacé un 310JLB31N comme celui du CompacTest Bosch et j’ai dû adapter la polarisation.
Le plus simple est de cannibaliser un moniteur d’ordinateur 12" monochrome 15K625 des années 80.
CR70 SENCORE Beam Builder - Equivalence tubes 310KRB4.pdf (36,1 Ko)
Selon les indications sur le verre il devrait s’agir d’un tube monochrome à phosphore vert de 12 pouces avec un angle de déviation de 90 degrés.
Merci à tous, je vais continuer mes recherches, et je reviendrai sur le forum en fonction de mes trouvailles. J’espère que pour le Matsushita je trouverai le chassi complet en neuf, mais c’est le prix qui me surprend, vu à 1400 dollars, et en plus il y a l’alim secteur qui ne me sert à rien. Sinon pour le Samsung je me demande si ce n’est pas un custom demandait par Bosch à l’époque.
Bonjour, alors retour de la société MidElectronique, pour le châssis Matsushita c’est un ensemble LCD neuf à la place du système cathodique à 1600€, je laisse tomber je préfère rester dans le même système, malgré que ce soit long à trouver, surtout en neuf.
Pour le Samsung là c’est un OEM mais customisé pour Bosch à l’époque, donc c’est des cartes électroniques qui n’ont rien à voir avec un système de châssis classique.
Merci Radiolo je concentre mes recherches effectivement avec Ebay, cependant j’attends une réponse d’un site CRTdatabase on sait jamais si cela leur parle cette réf de Samsung.
A bientôt pour d’autres nouvelles.
Merci à Mark pour le schéma et toutes les explications, je n’aurai pas été capable de faire cela, d’autres parts cela existe t il une sorte de ‹ bible › de toutes les ref avec possibilité d’équivalence ?
J’ai ça :
CR70 CRT Setup Book [1991 304p].pdf (5,0 Mo)
A peut-être archiver sur le site si pas déjà présent.
Sinon avec des modules convertisseurs chinois et une dalle LCD, il y a forcément moyen de s’en sortir pour pas très cher.
C’est fait ici, merci Mark.
regarde ici
Merci, effectivement j’ai retrouvé le Matsushita d’origine : 310JLB31N, mais après au niveau équivalence je suppose qu’il faut que tout soit pareil ?
Reste à retrouver le Samsung avec suggestion de déchiffrage de l’étiquette…
Autre questions auquel je suis un peu ‹ anxieux › de mémoire cela c’était mal passé, le démontage des bobines, ( yokes ), car à par en occasion un tube neuf est livré sans les bobines ?
Ah mais oui que je suis bête ! Je n’embête pour rien, quand je pense qu’à mon ancien travail j’étais amené fréquemment à faire des changement du type conversion Vidéo composite vers des moniteurs lcd avec plusieurs type d’entrées, et effectivement c’est pas très cher tous ces systèmes.
juste une question au vu de la photo du connecteur je récupère le signal ‹ vidéo_in › et la masse, j’envoie cela sur une entée moniteur vidéo composite, et je verrai ce que cela donne. Quand pensez vous ?
Sans les synchro H et V, ça ne va pas le faire ![]()
Ah oui j’avais oublié
D’ailleurs c’est pas pour cela que l’on nome le signal ‹ composite › pour mélange des 3 signaux ?
Donc reste à trouver un module qui fasse cela, la composition des 3 signaux en un.
Je me souviens que Sony avait des moniteurs CRT, mais couleur avec soit 5 fils ou 4 fils en entrées, si je me trompe pas.
C’est le cas du VGA: R, G, B, Hsync, Vsync. ![]()
Oui mais les moniteurs VGA ne supportent que très rarement le 15K625 ![]()
Doctsf (Modèles & Marques)
Annonces 


