Un superhétérodyne sans ampli MF... ça existe

Bonjour,
Simple curiosité.
Pas d’ampli MF, pas de réaction, pas de montage reflex. On ne peu pas faire plus simple et cela fonctionne assez bien.
Tout repose sur la qualité de l’unique transfo MF de fréquence élevée pour l’époque (environ 500 kHz) et non chargé grâce au redressement par caractéristique de plaque.
Ce n’est pas un montage amateur, si quelqu’un a une idée de la marque pour l’ajouter au GL ?




L37-controle

5 « J'aime »

Bonjour. J’ai déjà, a plusieurs reprises, conçus quelques petits postes avec ce genre de montages. Le but, était pour moi, d’utiliser le moins de tubes possible. Du coup, avec une ECH81, une ECL80, une 1N4007, et une diode de détection quelconque (ça fonctionne également avec une 4148 !), on peut construire, un superhétérodyne, minuscule, et, pour le moins économique ! Vraiment dommage, qu’il n’y ait plus grand chose a écouter, car c’était très amusant !

il a un seul copain au Grand Livre avec le meme jeu de tube mais pas de schema

et le bouton au milieu du cadran

Bonsoir
J’ai un poste qui ne comporte qu’un seul transfo MF ,il y a par contre une amplificatrice HF il est équipé de lampes américaines : 58 -2A7-57-47 ,la marque Roger Lepinay
Après une recherche :

Salutations Jean-Luc

Pour le Zénith, ce n’est pas sûr, la 6F7, comporte une penthode (qui peut être utilisée en MF), et une triode .

j’ai mis ceux la a cause

pas pour le jeu de tubes
le seul qui a le meme jeu est le Lafayette france 48A

Avec ce jeu de lampes il peut y avoir une amplification MF (détectrice à réaction ci-dessous).

Mais la changeuse de fréquence qui attaque directement la détection, j’avais jamais vu.

Montage « zarbi » : jamais vu ça non plus !

A +.

y en a chez " le régional " avec une valve différente

Il me semble, avoir vu, des schémas de ce genre pour de petits postes chez GENERAL-ELECTRIC. Tubes « miniature » , montage Tous courants, de mémoire, 12BE6 / 12AV6 / 50C5 / 35W4, le tout datant de la première moitié des années 50.

LE RÉGIONAL faisait dans les années 50 dans sa gamme de base des postes au montage Réflex, la série « A » comme le 57A et d’autres.

A +.

finalement on en trouve qq uns

Oui, effectivement. Je ne possède pas de postes avec ce montage.

A +.

Voilà, GENERAL-ELECTRIC


C400 .12BE6 / 12AT6 / 50L6 / 35W4. tous- courants

C401, même jeu de tubes, même technologie.
Ce sont également des superhétérodynes, sans ampli FI !
Années 1950 et 1952 , respectivement.
Trouvés dans le GL.

au passage j’ai trouvé le schema pour completer les fiches C400 et C401
C400 general electric canada
C400A general electric amerique
ce sont les meme schemas

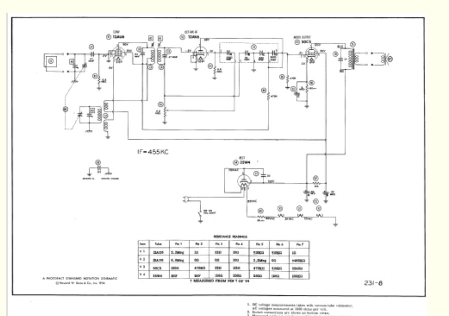
Celui-ci, est un peu à part. 12AU6 / 12AV6 / 50C5 / 35W4. On peut avoir affaire, a une amplification directe, mais comme, on peut également faire un changement de fréquence avec une 12AU6, on peut le garder comme candidat .


419 de 1955., également les modèles 453, et 555, des mêmes année.
Leur schéma :

Ce constructeur ne doit pas être le seul, surtout aux US, a avoir construit des petits postes de ce genre.

D’autant plus que chez eux les emetteurs PO etait locaux donc faciles a recevoir


le 419 est chez RM , bien vu meme montage

Au regard du schéma, on voit, qu’il ne faut vraiment pas grand-chose, pour construire un poste de radio !

on a commence avec un « caillou » et une paire d’ecouteurs
un de mes grand oncles habitait Villebon , juste sous l’emetteur
le jardin etait sonorise par une galene entre le fil d’etendoir et son piquet et fer , un simple HP en serie sonorisait le jardin
j’avais un dizaine d’années, il n’a fait cadeau du montage
et de retour en Avignon , remontage et deception …rien ne sortait du HP, la radio commençait pour moi …

2 « J'aime »