2000V 10 ampères à la maison est-ce possible?

Comme quoi, on en apprend tous les jours. Bah si, les amplificateurs domestiques sont en général classe II. Deux exemples pris au hasard sur le net.


Bien sûr que non, c’est même fait pour.

En plein dans l’ambiguïté que je signalais qui n’en serait soi-disant pas une. Pas de pot. Il n’a pas été question de vouloir relier l’appareil de classe II à la terre ce qui implique une modification de l’appareil et ce qui est au minimum déconseillé.

Il s’agit de considérer un appareil de classe II qui se retrouve relié à la terre suite à sa connexion par la masse à un autre appareil qui lui l’est, comme c’est le cas d’un ordinateur. Un appareil de classe II bien conçu le permet évidemment et sa masse électrique sera donc à la terre.

Ensuite, le fait que son châssis soit aussi à la terre par cette opération est une autre question. Sur certains amplis, ce sera le cas.

3 « J'aime »

Bonjour Pascal,

Comme souvent des règles simples se télescopent et cela peut sembler incompréhensible ou ambigu.
Pour rendre les choses encore plus compliquées les mêmes mots englobent des concepts légèrement différents, car chaque métier a des objectifs différents.

Pour des mots simples representant des choses differentes, comme la terre, le puit de terre, le fil de terre, la masse, le chassis, la carcasse, l’enveloppe métallique, l’équipotentielle, la masse « zero volt » de l’alim, les boucles de masse, etc… selon à qui l’on va poser la question, on aura des définitions légèrement différentes, voir un gros mélange entre toutes ces concepts selon le métier exercé.
Des concepts fumeux comme la terre propre (ou terre informatique).
et une terre qui serait moins propre et polluée (celle des électriciens)
et la terre des masses pour la protection électrique des biens et des personnes: bien entendu toutes reliées entre elle, chaque electron bien discipliné trouvant son chemin sans se tromper.

L’empilage de normes, de règlementations, d’habitudes métiers et de manque de formation large pour comprendre les autres rendent les choses difficiles à appréhender, car une règle dit de faire blanc et l’autre de faire noir, sauf que toutes ces règles prévoient des exceptions trés souvent méconnues.
Les règles et normes des électriciens, celles des électroniciens, les théories (et pratiques) diverses comme CEM, le son et la HiFi, la sureté, les règles incendies.

Un cable coax, avec une fiche bnc a chaque bout, son blindage il est relié aux prises au deux bout? donc cela va relier les masses des prises.

Les masses des prises coax sur le chassis doivent elles être isolées du chassis des deux cotés? d’un seul côté ou nulle part?
Les chassis de ces deux appareils doivent t’ils être reliés à la terre?
Les carcasses métalliques de ces appareils doivent elles etre reliées à la terre par le cordon secteur d’alimentation?

Le blindage du coax n’est pas destiné à faire la mise à la terre des appareils, et ne doit pas acheminer de courant. il ne doit donc pas être relié a la terre aux deux bouts sinon il va relier deux terres et acheminer un courant ce qui va pourrir le signal vidéo

Les appareil de classe 2, c’est de la règlementation des électriciens, fait pour les électriciens par des électriciens. Les raccordements des coax sur une caméra vidéo cela ne les concerne pas, les liaisons BF entre les éléments d’un ensemble hifi avec des cordons cinch qui relie les masses, cela ne les concerne pas, les manchons diélectriques imposées par la règlementation pour les ballons électriques (court-circuitées par la liaisons équipotentielles de la NF C 15 100 cela ne les concerne pas.

Pour celui qui a eu la chance d’avoir une formation convenable sur tout ses aspects (pas facile), cela devient un peu moins incohérent mais souvent le bon sens et la compréhension de la globalité permets d’éviter les grosses erreurs.

1 « J'aime »

C’est, effectivement, un problème …Même si il est « fortuit » … d’autant que ces appareils grand public n’ont en général jamais de commande « ground-lift » ! Ou, quand cette commande existe elle est très souvent , très mal documentée, et incomprise, de sorte que l’usager ne sait pas son existence ou ne sait pas s’en servir !
(D’autant que les problèmes de terre et de masses sont très souvent incompris du citoyen lambda n’ayant aucune formation pour ça, et même de la plupart des électriciens bâtiment …)

2 « J'aime »

On est vachement avancés !!!

2 « J'aime »

Bonjour,

Je me demande si la question de départ (2000V - 10A) à la maison, ce ne serait pas possible avec un abonnement 18 KVA en triphasé (avec la marge on a 20KVA), et direct un redressement dodécaphasé et un double doubleur de Latour ?

Redressement dodécaphasé : on a du + 325 et - 325, soit 650, et en doublant ça fait 1300V, soit presque le 1500V des vieilles locos ???

Inconvénient pour une loco : pas de masse ou de neutre sur 1 des fils !!!

Bonjour,

Oui en théorie, sauf qu’un doubleur latour ne fonctionne pas sur du courant continu ! Il faut élever la tension coté alternatif avant redressement et filtrage (transfos, autotransfos…) ou recourir a un convertisseur DC/DC électronique (le principe des inverter des poste a souder modernes …)

Oui c’est bien ça : 6 Latours au lieu des 6 diodes…

Bonjour,

oui, certes, mais…
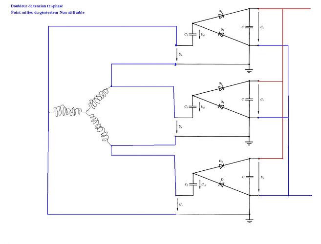
Outre le fait que le point milieu du transfo tri soit inutilisable et ne doivent pas être connecté , et le fait que les négatifs des 3 doubleurs ne doivent pas être a la masse mais isolés…

-Ce ne sont pas des doubleur Latour mais des doubleur Schenkel .
-Les condensateurs d’entrée sont soumis a des courants a composante alternative élevée.
(Ceci nécessite des condensateurs un peu spéciaux , dit « spécial doubleur » , et devient un grave défaut pour les applications à courants forts)

erreur cela ne peut fonctionner
C/C entre phases


j’en au represente un
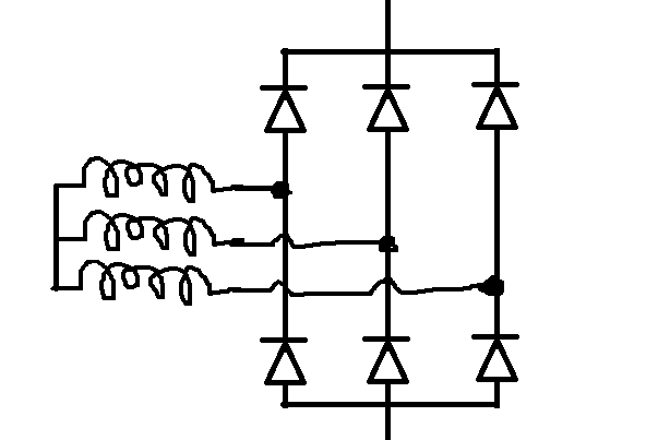
le meme resultat est obtenu avec un pont complet 6 diodes sans besoin de capacites

Oui, comme je le disais pluis haut, il faudrais supprimer les symboles de mises a la masse, et isoler les négatifs des 3 doubleurs , pour que ça puisse fonctionner …
Et il y a le problème qu’un tel montage va faire passer des dizaines d’ampères dans les condensateurs entre secondaires et diodes, ce qui nécessitera pour éviter des pertes trop importantes, et l’échauffement de ces condos, d’en mettre des énormes et spécialement prévu pour ça !

un redresseur tri c’est cela

Bonjour tout le monde,

Je déterre ce topic, je suis de nouveau d’humeur à parler haute tension :high_voltage::warning:

Donc pour que ça fonctionne sur une installation triphasée grand public, je pense qu’il faut appliquer les étapes suivantes :

1°) Regroupement de toutes les phases en une seule de très haute intensité en 230V. La question est : Comment obtenir une belle tension sinusoïdale en 50hz?

2°) Élévation de la tension à 2000 Volts

3°) Après utilisation du courant, abaissement de la tension à 230V.

4°) Dans le cas d’une prise triphasé avec neutre renvoie du courant 230V au neutre.

En revanche, si c’est une prise triphasé sans neutre, comment faire pour renvoyer le courant correctement après utilisation?

Si c’est une prise triphasée sans neutre, tu ne peux pas avoir du 230V, tu n’auras que 3 fois 400V. Si tu veux du 230V, il faut un neutre.
Et qu’est ce que ça veut dire « renvoyer le courant correctement après utilisation » ???
Je ne comprends absolument pas ce que tu veux faire (pour info, 2000V / 10A ça fait 20 kVA) !.

J’ai l’impression pour ce chapitre, d’être devant une platée de nouilles : dès que l’on tire sur l’une d’elles, il en vient, d’autres et ainsi de suite.Et ce de la volonté d’un zigoto qui doit bien se marrer, de nos efforts, enfin de vos, efforts à lui répondre.Il faut avouer qu’un titre « 2000 V xx ampères dans une maison » relève du délire complet?

4 « J'aime »

Parfois, il a tendance à troller même sans le vouloir. :rofl:

Ça sans le vouloir c’est vite dit ??

2 « J'aime »

Le secteur c’est de l’alternatif…

On voudrait tous utiliser un peu les ampères et les rendre seulement un peu fatigués pour baisser la facture… :rofl: Vite en sourdine…

C’est pour rester dans le politiquement correct.:wink:

Alors d’après @Radiolo , il me semble que chaque phase fait 230 V avec la règle des racines de 3, ça donne 690 volts au total. Je multiplie 230 V par Racine de 3, ce qui donne 398 V, puis je remultiplie Racine de 3, ce qui donne 690 Volts. Mais une seule phase fait bien 230 volts.

Par « renvoyer le courant correctement », je veux dire que si il y a un neutre, on ne va pas renvoyer 2000 volts au neutre d’un tableau électrique dimensionné pour du 230 volts. On va donc abaisser la tension de 2000 volts à 230 volts.